电脑桌面
添加小米粒文库到电脑桌面
安装后可以在桌面快捷访问

企业管理表格生产管理I纵表格VIP免费

企业管理表格生产管理I纵表格_第1页
1/3
企业管理表格生产管理I纵表格_第2页
2/3
企业管理表格生产管理I纵表格_第3页
3/3
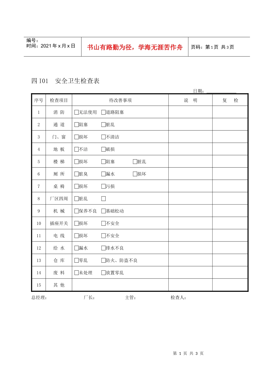
第1页共3页编号:时间:2021年x月x日书山有路勤为径,学海无涯苦作舟页码:第1页共3页四I01安全卫生检查表日期:序号检查项目待改善事项说明复检1消防无法使用道路阻塞2通道阻塞脏乱3门、窗损坏不清洁4地板不洁破损5楼梯损坏阻塞脏乱6厕所脏臭漏水损坏7桌椅损坏污损8厂区四周脏乱9机械保养不良基础松动10插座开关损坏不安全11电线损坏不安全12给水漏水排水不良13仓库零乱防火、防盗不良14废料未处理放置零乱15其他总经理:厂长:主管:检查人:第2页共3页第1页共3页编号:时间:2021年x月x日书山有路勤为径,学海无涯苦作舟页码:第2页共3页四I03消防器材资料表日期:制表:编号品名规格数量放置地点使用周期检验频度使用者管理者说明:1.本资料表由总务部门编制及督导,使用部门管理;2.消防器材应设置资料卡。四I04环境清洁检查表第3页共3页第2页共3页编号:时间:2021年x月x日书山有路勤为径,学海无涯苦作舟页码:第3页共3页部门:日期:检查者:项次检查项目地点责任者检查结查备注整理整顿清洁标示1234567891011121314151617181920评语经理:主管:制表:说明:检查结果符号:√优,△尚可,╳差。

1、当您付费下载文档后,您只拥有了使用权限,并不意味着购买了版权,文档只能用于自身使用,不得用于其他商业用途(如 [转卖]进行直接盈利或[编辑后售卖]进行间接盈利)。
2、本站所有内容均由合作方或网友上传,本站不对文档的完整性、权威性及其观点立场正确性做任何保证或承诺!文档内容仅供研究参考,付费前请自行鉴别。
3、如文档内容存在违规,或者侵犯商业秘密、侵犯著作权等,请点击“违规举报”。

碎片内容

企业管理表格生产管理I纵表格

确认删除?
VIP
微信客服
  • 扫码咨询
会员Q群
  • 会员专属群点击这里加入QQ群
客服邮箱
回到顶部