电脑桌面
添加小米粒文库到电脑桌面
安装后可以在桌面快捷访问

辐射安全与防护状况评估报告VIP免费

辐射安全与防护状况评估报告_第1页
1/19
辐射安全与防护状况评估报告_第2页
2/19
辐射安全与防护状况评估报告_第3页
3/19
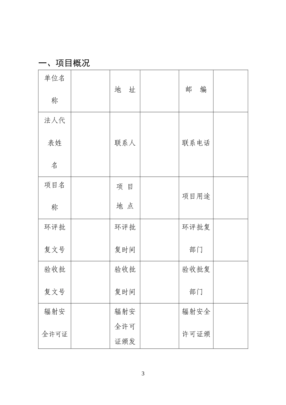
附件:(单位)年度辐射安全与防护状况评估报告项目名称:(报告编写单位名称并盖章)二○年月1目录一、项目概况二、放射性同位素与射线装置台帐三、辐射环境管理相关法律法规执行情况四、辐射安全管理制度及措施的建立和落实情况五、辐射安全和防护设施的配备、运行与维护状况六、辐射工作人员管理情况七、事故和应急情况八、其他九、年度评估结论附件一:检测报告附件二:台帐记录附件三:年度内修订的制度2一、项目概况单位名称地址邮编法人代表姓名联系人联系电话项目名称项目地点项目用途环评批复文号环评批复时间环评批复部门验收批复文号验收批复时间验收批复部门辐射安全许可证辐射安全许可证颁发辐射安全许可证颁3编号时间发部门项目历史情况简介:(填写说明:简单介绍立项或可行性研究完成时间,开工建设时间,建成投运时间,改扩建历史;可添页)表一:放射性同位素与射线装置统计表序号应用类型应用数量应用用途目前状况4二、放射性同位素与射线装置台帐表二:密封放射源统计表序号核素名称出厂日期出厂活度放射源类别放射源编码工作场所5表三:非密封放射源统计表序号核素名称出厂活度类别批号用途年用量(Bq)表四:射线装置统计表序号设备名称数量(台)型号主要技术指标工作场所备注67第8页共19页编号:时间:2021年x月x日书山有路勤为径,学海无涯苦作舟页码:第8页共19页三、辐射环境管理相关法律法规执行情况(填写说明:填写国家法律、法规、规范、标准如环境影响评价制度、环境保护“三同时”制度、竣工验收制度、许可和备案制度、辐射防护标准等落实情况;可添页)本年度,本单位的辐射扩建项目的环评和验收审批申请、辐射安全许可证重新申领和变更申请、放射源与射线装置转让申请和备案、放射源异地使用备案等情况如下:第9页共19页第8页共19页编号:时间:2021年x月x日书山有路勤为径,学海无涯苦作舟页码:第9页共19页四、辐射安全内部管理制度及措施的建立和落实情况(填写说明:填写1、辐射安全和防护管理组织机构方面,明确本单位是否按《放射性同位素与射线装置安全和防护条例》(国务院令第449号)和《放射性同位素与射线装置安全许可管理办法》(环境保护部令第3号)要求,成立了专门的安全和防护管理机构,是否明确了专职或兼职安全和防护管理人员,是否有变更。2、相关制度情况。单位规章制度建立、完善、修改情况,包括操作规程、岗位职责、安全保卫制度、设备检修维护制度、人员培训制度、台帐管理制度、个人剂量和健康监护管理制度、工作场所和贮存库辐射安全管理制度、事故报告及调查处理制度、监测计划等的建立、完善、修改、落实情况;可添页)第10页共19页第9页共19页编号:时间:2021年x月x日书山有路勤为径,学海无涯苦作舟页码:第10页共19页本单位辐射安全管理现有相关制度包括:。本年度,本单位根据实际情况的变化,对进行了相应修订,修订后的相关制度见附件。本年度,本单位的相关台帐记录总体情况(很好、较好、一般、还需要较大提高),各类详细台帐记录样本复印件见附件。其他相关情况如下:五、辐射安全和防护设施的配备、运行与维护状况(填写说明:针对本单位核技术应用的实际情况,详细说明各放射性同位素包装容器、工作场所、贮存场所、运输工具、射线装置的生产调试和使用场所以及放射性废气、废液、固体废物处理设施安全运行及维护情况。重点说明有关防护安全联锁、报警装置、监控设备、工作信号、防止误操作装置和意外照射等安全措施运行与维护情况;可添页)第11页共19页第10页共19页编号:时间:2021年x月x日书山有路勤为径,学海无涯苦作舟页码:第11页共19页目前,本单位辐射安全和防护设施、设备的数量、种类以及运行维护等情况如下:六、辐射工作相关人员管理情况(填写说明:详细介绍本单位的辐射工作相关人员的培训、年度个人有效剂量、职业健康体检情况。如果出现人员问题,介绍处理情况。可添页)第12页共19页第11页共19页编号:时间:2021年x月x日书山有路勤为径,学海无涯苦作舟页码:第12页共19页到目前为止,本单位辐射工作相关人员的培训、年度个人有效剂量、职业健康体检情况见下表:姓名工作岗位培训时间...

1、当您付费下载文档后,您只拥有了使用权限,并不意味着购买了版权,文档只能用于自身使用,不得用于其他商业用途(如 [转卖]进行直接盈利或[编辑后售卖]进行间接盈利)。
2、本站所有内容均由合作方或网友上传,本站不对文档的完整性、权威性及其观点立场正确性做任何保证或承诺!文档内容仅供研究参考,付费前请自行鉴别。
3、如文档内容存在违规,或者侵犯商业秘密、侵犯著作权等,请点击“违规举报”。

碎片内容

辐射安全与防护状况评估报告

您可能关注的文档

确认删除?
VIP
微信客服
  • 扫码咨询
会员Q群
  • 会员专属群点击这里加入QQ群
客服邮箱
回到顶部