电脑桌面
添加小米粒文库到电脑桌面
安装后可以在桌面快捷访问

工程项目安全生产检查考核评分表汇总VIP免费

工程项目安全生产检查考核评分表汇总_第1页
1/19
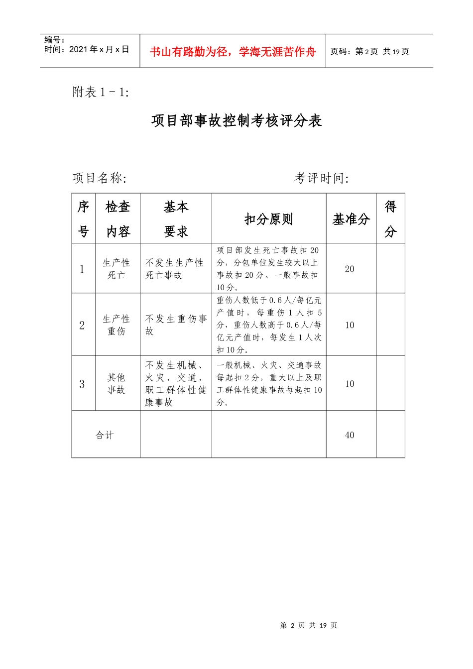
工程项目安全生产检查考核评分表汇总_第2页
2/19
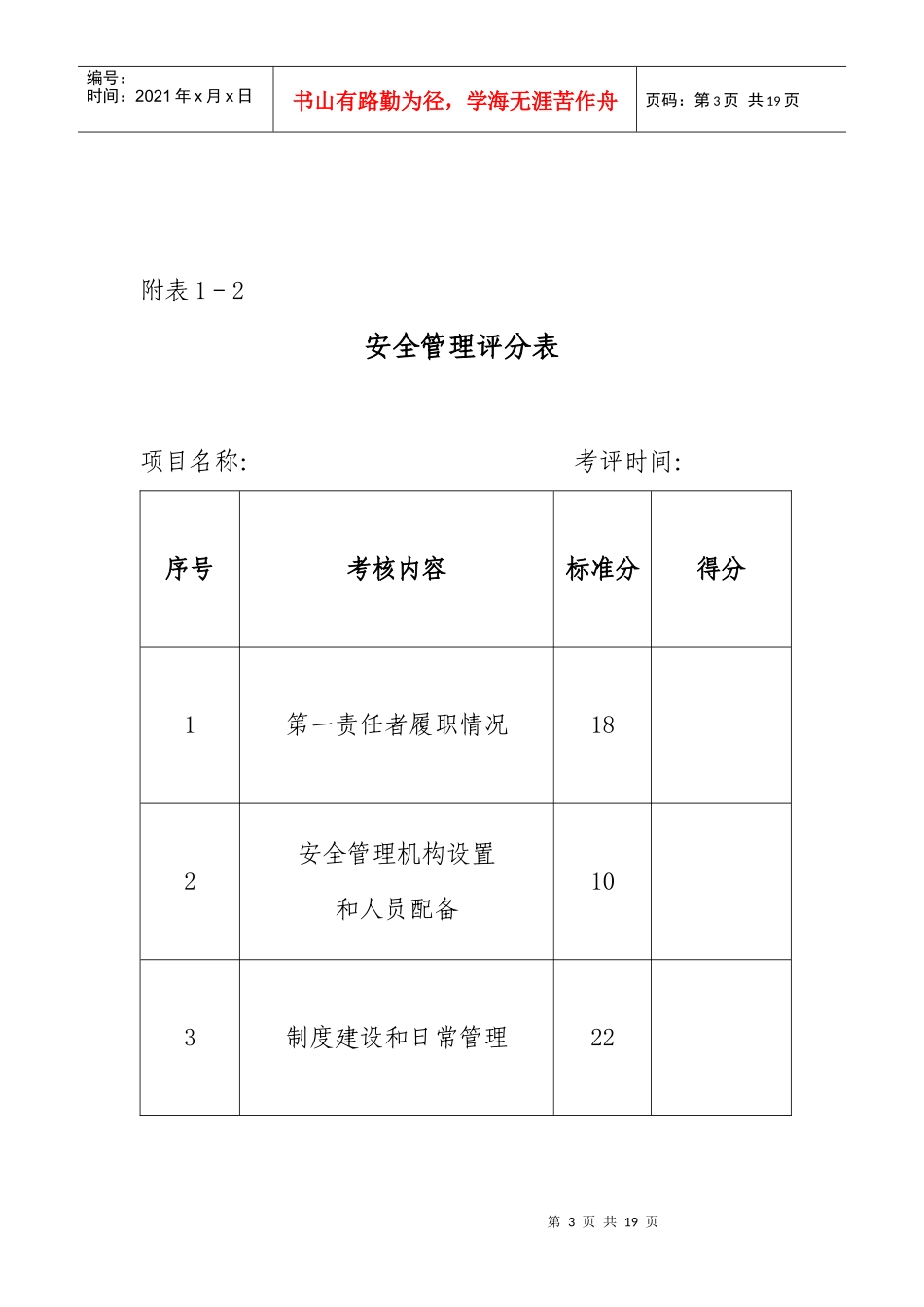
工程项目安全生产检查考核评分表汇总_第3页
3/19
第1页共19页编号:时间:2021年x月x日书山有路勤为径,学海无涯苦作舟页码:第1页共19页2008年度安全生产检查考核评分表附表1:项目部安全生产考核评分汇总表项目名称:考评时间:序号考核内容标准分得分备注1事故控制402安全管理503现场管理110现场考核如遇缺项,换算公式为:总分=(考核项目得分之和÷相应的基准分之和)×110总分200第2页共19页第1页共19页编号:时间:2021年x月x日书山有路勤为径,学海无涯苦作舟页码:第2页共19页附表1-1:项目部事故控制考核评分表项目名称:考评时间:序号检查内容基本要求扣分原则基准分得分1生产性死亡不发生生产性死亡事故项目部发生死亡事故扣20分,分包单位发生较大以上事故扣20分、一般事故扣10分。202生产性重伤不发生重伤事故重伤人数低于0.6人/每亿元产值时,每重伤1人扣5分,重伤人数高于0.6人/每亿元产值时,每发生1人次扣10分。103其他事故不发生机械、火灾、交通、职工群体性健康事故一般机械、火灾、交通事故每起扣2分,重大以上及职工群体性健康事故每起扣10分。10合计40第3页共19页第2页共19页编号:时间:2021年x月x日书山有路勤为径,学海无涯苦作舟页码:第3页共19页附表1-2安全管理评分表项目名称:考评时间:序号考核内容标准分得分1第一责任者履职情况182安全管理机构设置和人员配备103制度建设和日常管理22第4页共19页第3页共19页编号:时间:2021年x月x日书山有路勤为径,学海无涯苦作舟页码:第4页共19页合计50第5页共19页第4页共19页编号:时间:2021年x月x日书山有路勤为径,学海无涯苦作舟页码:第5页共19页附表1-2-1:项目部第一责任者履职考核评分表项目名称:考评时间:序号考核项目基本要求扣分原则基准分得分1贯彻上级要求认真传达贯彻国家和上级安全管理的规定和有关会议精神没有组织传达、没有及时贯彻落实每次扣1分。22督促检查督促、检查本单位的安全生产工作,及时消除安全事故隐患每月少于一次安全检查扣1分,事故隐患未整改或整改不及时一次扣1分23应急救援预案组织制定应急救援预案并演练无预案扣2分,没有演练或演练流于形式扣1分24安全投入满足需要,符合要求,具备安全生产条件,统计规范、上报符合规定每一不符合处扣1分35安委会议每年至少四次,分析安全形势,制定对策,督促落实不开会扣2分,应付或记录不完善扣1分26管理规章制度建立安全生产责任制,各项规章制度完善,操作规程齐全没有建立扣3分,责任制、规章制度、操作规程一项不完善扣1分37事故处理按“四不放过”原则调查处理事故,按要求报告安全事故没有按要求报告、没有按事故处理原则调查处理扣2分28工作计划有系统的工作计划(目标、检查、考核、奖罚等规定)无计划扣2分,不系统扣1分2第6页共19页第5页共19页编号:时间:2021年x月x日书山有路勤为径,学海无涯苦作舟页码:第6页共19页合计18附表1-2-2:项目部机构设置和队伍建设考核评分表项目名称:考评时间:序号考核项目基本要求扣分原则基准分得分1机构设置成立安全生产委员会,设置安全生产管理部门无安委会或安全生产管理部门扣2分,23人员配备项目部指定有分管安全工作副职,安全部门人员配备满足工作需要没有指定分管副职或人员不能满足工作需要扣2分24委派考核安全部门负责人按要求实行了委派,每年对安全部门负责人的工作进行考核评定未委派扣1分,未考核评定扣1分25人员持证项目经理、分管副职、安全生产专职管理人员持有有效上岗证书有无证上岗扣2分26人员培训按规定接受培训未按规定参加培训扣2分2第7页共19页第6页共19页编号:时间:2021年x月x日书山有路勤为径,学海无涯苦作舟页码:第7页共19页合计10第8页共19页第7页共19页编号:时间:2021年x月x日书山有路勤为径,学海无涯苦作舟页码:第8页共19页附表1-2-3:项目部制度建设和日常管理考核评分表项目名称:考评时间:序号考核项目基本要求扣分原则基准分得分1安全例会按规定开安全例会没有按规定开会扣2分,应付或记录不完善扣1分22责任书项目部和上级单位签订有安全责任书没有签订扣2分23培训教育有计划、有落实、有记录并符合规定每一不符合处扣1分24安全检查安全人员跟班现场巡视,危险作业专...

1、当您付费下载文档后,您只拥有了使用权限,并不意味着购买了版权,文档只能用于自身使用,不得用于其他商业用途(如 [转卖]进行直接盈利或[编辑后售卖]进行间接盈利)。
2、本站所有内容均由合作方或网友上传,本站不对文档的完整性、权威性及其观点立场正确性做任何保证或承诺!文档内容仅供研究参考,付费前请自行鉴别。
3、如文档内容存在违规,或者侵犯商业秘密、侵犯著作权等,请点击“违规举报”。

碎片内容

工程项目安全生产检查考核评分表汇总

确认删除?
VIP
微信客服
  • 扫码咨询
会员Q群
  • 会员专属群点击这里加入QQ群
客服邮箱
回到顶部