电脑桌面
添加小米粒文库到电脑桌面
安装后可以在桌面快捷访问

氟硅酸生产氟化铝或冰晶石VIP免费

氟硅酸生产氟化铝或冰晶石_第1页
1/47
氟硅酸生产氟化铝或冰晶石_第2页
2/47
氟硅酸生产氟化铝或冰晶石_第3页
3/47
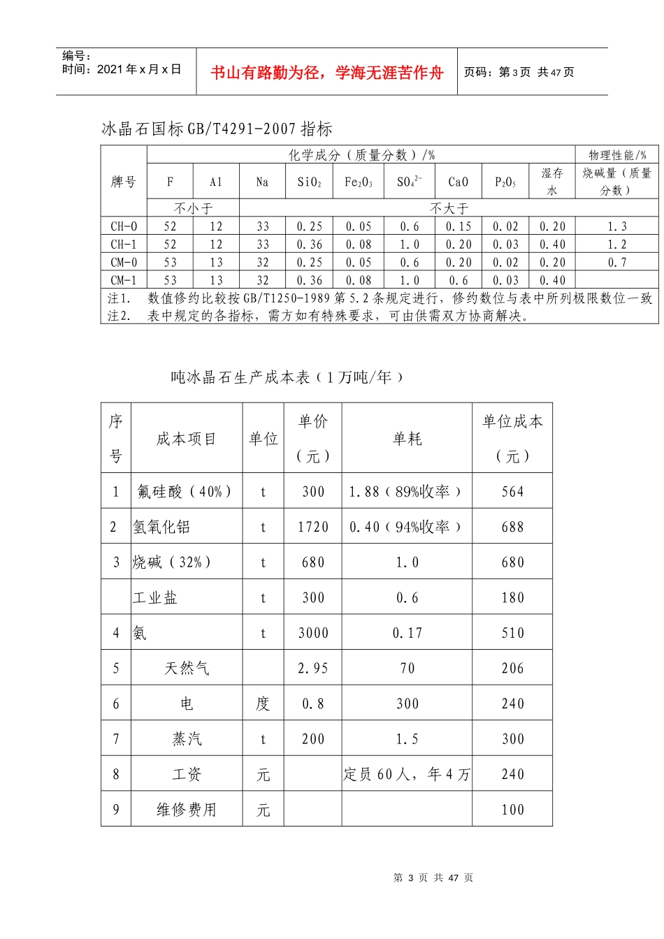
第1页共47页编号:时间:2021年x月x日书山有路勤为径,学海无涯苦作舟页码:第1页共47页氟硅酸生产氟化铝或冰晶石一、氟硅酸的来源主要源于磷矿和萤石,即磷肥和氟化工行业。磷矿【Ca5FPO﹙4﹚3】中含有3%的F和2.6%的SiO2,萤石﹙CaF2﹚中含有1.2%的SiO2。它们所含该类杂质大部分以SiF4气体形式逸出,大多用水吸收,形成氟硅酸。HF+SiO2→SiF4SiF4+H2O→H2SiF6一般情况下,磷肥行业的氟硅酸浓度为12%~25%,氟化工行业的氟硅酸浓度为25%~40%。二、氟硅酸的性质氟硅酸具有刺激性气味的无色透明发烟液体,是与硫酸相当的强酸,其最高质量分数为60.92%,最稳定时浓度为13.3%,其易挥发,对皮肤有强烈腐蚀,有人呯吸器官有毒害。宜贮存于塑料容器中。三、氟硅酸与主要氟化盐的价值比较表﹙F的价值﹚﹙1吨折纯﹚序号物名市场价元/t分子式氟含量含氟量kg单位氟价元/kg1氟硅酸600H2SiF679%7900.768%2氟化钙2000CaF249%4904.0843%3冰晶石4600Na3AlF654%5408.5289%4氟化铝6500AlF368%6809.56100%第2页共47页第1页共47页编号:时间:2021年x月x日书山有路勤为径,学海无涯苦作舟页码:第2页共47页5氟硅酸钠1800Na2SiF661%6102.9531%6氟化钠3500NaF45%4507.7781%若不考虑其它元素价值差别与转化成夲,则氟硅酸价值明显低估。四、氟硅酸转化为氟盐的选择若不考虑转化成夲及技术成熟与否,从上表可以看出,选择次序应为氟化铝、冰晶石、氟化钠、氟化钙。从我厂产品与原料情况考虑,选择次序应为氟化铝、冰晶石、氟化钙。五、三种氟盐生产成夲如下吨氟化铝生产成本表﹙1万吨/年﹚序号成本项目单位单价(元)单耗单位成本(元)1氟硅酸(40%)t3002.63﹙85%收率﹚7892氢氧化铝t17201.10﹙89%收率﹚18923天然气2.952808264电度0.83002405蒸汽﹙0.6MPa﹚t2003.67206工资元定员30人,年4万1207维修费用元508拆旧元投资2000万2009生产成本元4837第3页共47页第2页共47页编号:时间:2021年x月x日书山有路勤为径,学海无涯苦作舟页码:第3页共47页冰晶石国标GB/T4291-2007指标牌号化学成分(质量分数)/%物理性能/%FAlNaSiO2Fe2O3SO42-CaOP2O5湿存水烧碱量(质量分数)不小于不大于CH-O5212330.250.050.60.150.020.201.3CH-15212330.360.081.00.200.030.401.2CM-05313320.250.050.60.200.020.200.7CM-15313320.360.081.00.60.030.40注1.数值修约比较按GB/T1250-1989第5.2条规定进行,修约数位与表中所列极限数位一致注2.表中规定的各指标,需方如有特殊要求,可由供需双方协商解决。吨冰晶石生产成本表﹙1万吨/年﹚序号成本项目单位单价(元)单耗单位成本(元)1氟硅酸(40%)t3001.88﹙89%收率﹚5642氢氧化铝t17200.40﹙94%收率﹚6883烧碱(32%)t6801.0680工业盐t3000.61804氨t30000.175105天然气2.95702066电度0.83002407蒸汽t2001.53008工资元定员60人,年4万2409维修费用元100第4页共47页第3页共47页编号:时间:2021年x月x日书山有路勤为径,学海无涯苦作舟页码:第4页共47页10拆旧元投资6000万600包装袋元2.5205011白炭黑吨15000.27﹙85%收率﹚-40512生产成本元3953吨白炭黑生产成本表﹙3000吨/年﹚序号成本项目单位单价(元)单耗单位成本(元)1天然气2.953008852电度0.83002403包装袋元2801604生产成本元1285吨氟化钙生产成本表﹙1万吨/年﹚序号成本项目单位单价(元)单耗单位成本(元)1氟硅酸(40%)t3001.75﹙89%收率﹚5252石灰﹙80%CaO﹚t5001.0﹙90%收率﹚5003氨t30000.17510第5页共47页第4页共47页编号:时间:2021年x月x日书山有路勤为径,学海无涯苦作舟页码:第5页共47页4天然气2.95702065电度0.8100806蒸汽t20012007工资元定员50人,年4万2008维修费用元509拆旧元投资4000万40010白炭黑吨15000.25﹙85%收率﹚-37511生产成本元2296从三种产品市场价与生产成夲看,选择次序应为氟化铝、冰晶石、氟化钙。六、公司周边﹙100km内﹚氟硅酸资源1万吨AHF项目可产氟硅酸﹙40%2500﹚吨,博丰4万吨/a,莱芜汶河2万吨/a,东岳6万吨/a,飞源2万吨/a,南韩1万吨/a,共15万吨/a,按实际产量8万吨/a计算,可产氟硅酸﹙40%20000﹚吨。详见下表:序号单位AHF产能氟硅酸实际产量浓度备注1东岳6万吨/a...

1、当您付费下载文档后,您只拥有了使用权限,并不意味着购买了版权,文档只能用于自身使用,不得用于其他商业用途(如 [转卖]进行直接盈利或[编辑后售卖]进行间接盈利)。
2、本站所有内容均由合作方或网友上传,本站不对文档的完整性、权威性及其观点立场正确性做任何保证或承诺!文档内容仅供研究参考,付费前请自行鉴别。
3、如文档内容存在违规,或者侵犯商业秘密、侵犯著作权等,请点击“违规举报”。

碎片内容

氟硅酸生产氟化铝或冰晶石

您可能关注的文档

确认删除?
VIP
微信客服
  • 扫码咨询
会员Q群
  • 会员专属群点击这里加入QQ群
客服邮箱
回到顶部