电脑桌面
添加小米粒文库到电脑桌面
安装后可以在桌面快捷访问

钢筋混凝土施工工艺VIP专享VIP免费

钢筋混凝土施工工艺_第1页
1/11
钢筋混凝土施工工艺_第2页
2/11
钢筋混凝土施工工艺_第3页
3/11
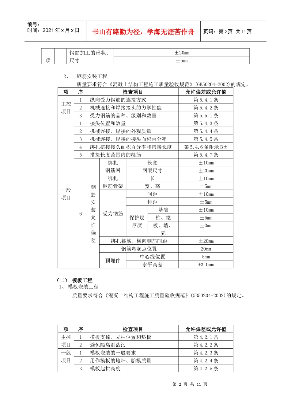
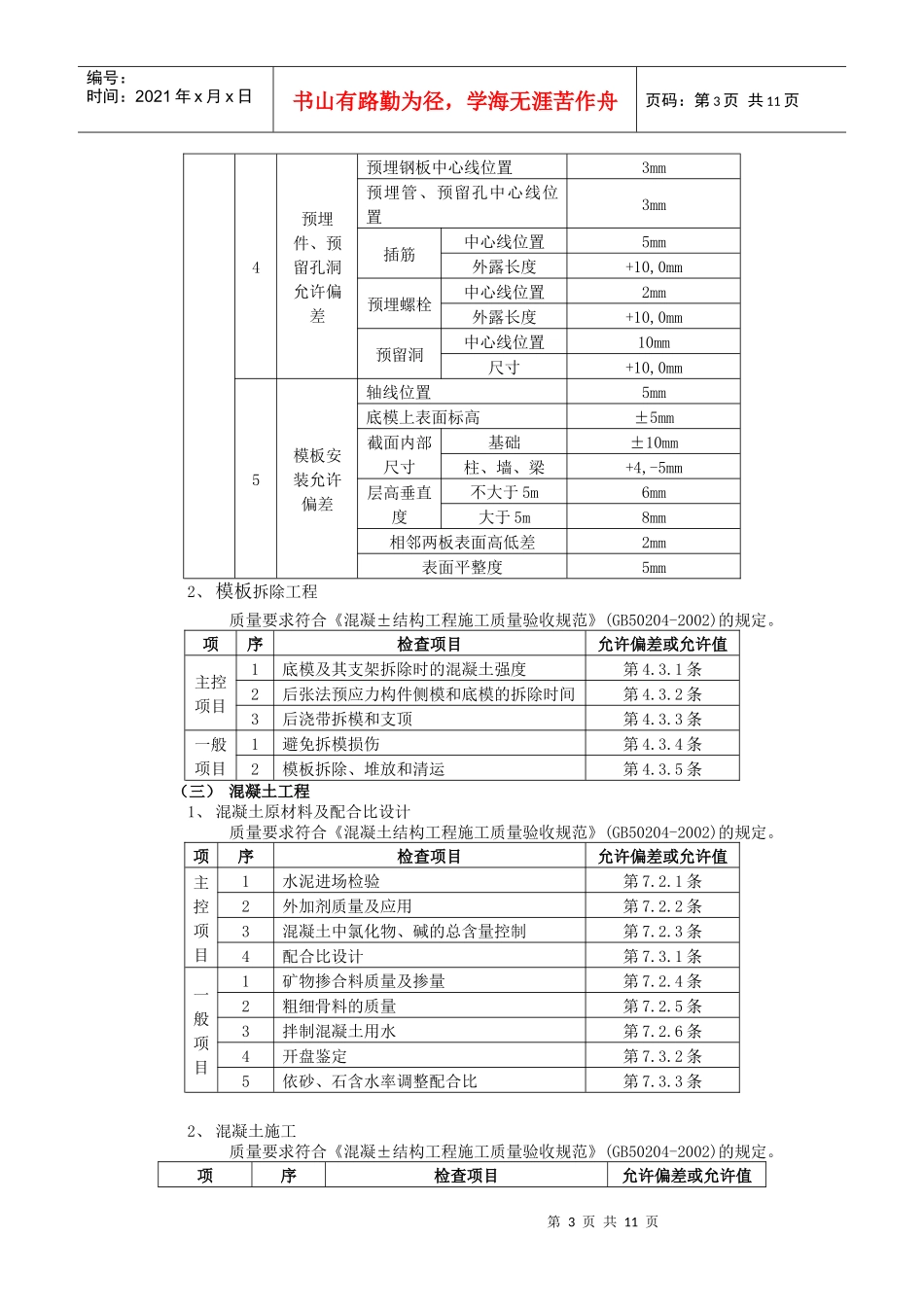
第1页共11页编号:时间:2021年x月x日书山有路勤为径,学海无涯苦作舟页码:第1页共11页一、施工准备(一)作业条件1、地基土质情况,钎探、地基处理、基础轴线尺寸、基底标高情况等均经过勘察、设计、监理单位验收,并办理完隐检手续。2、完成基槽验线,办完验收手续。3、地下降水工作完成,具备施工条件。4、根据设计及规范要求进行,校核混凝土配合比,做完混凝土配合比试配。原材料的复试、台秤经校准、检定合格,准备好混凝土试模。(二)材质要求1、水泥:水泥品种、强度等级应根据设计要求确定。质量符合现行水泥标准。工期紧时可做水泥快测。2、砂、石子:根据结构尺寸、钢筋密度、混凝±工程施工工艺、混凝土强度等级的要求确定石子粒径、砂子细度。砂、石质量符合现行标准。3、水:自来水或不含有害物质的洁净水。4、外加剂:根据施工组织设计要求,确定是否采用外加剂。外加剂必须经试验合格后,方可在工程上使用。5、掺合料:根据施工组织设计要求,确定是否采用掺合料,质量符合现行标准。6、钢筋:钢筋的级别、规格必须符合设计要求,质量符合现行标准。钢筋表面应保持清洁,无锈蚀和油污,必要时做化学分析。7、隔离剂:水性隔离剂、甲基硅树酯。(三)施工器具1、混凝土机具:磅秤、混凝土搅拌机、插入式振捣器、平尖头铁锹、胶皮管、手推车、布料杆、3m杠尺、木抹子、塑料布等。2、钢筋机具:调直机、弯曲机、切断机、钢筋钩子、扳手、无齿锯、钢筋连接机具、电焊机、撬棍等。3、模板机具:铁、木榔头、水平尺、手锯、钢卷尺、拖线板、气泵、吸尘器、手提电锯等。二、质量要求(一)钢筋工程1、钢筋原材料及钢筋加工工程质量要求符合《混凝土结构工程施工质量验收规范》(GB50204-2002)的规定。项序检查项目允许偏差或允许值主控项目1力学性能检验第5.2.1条2抗震用钢筋强度实测值第5.2.2条3化学成分等专项检验第5.2.3条4受力钢筋的弯钩和弯折第5.3.1条5箍筋弯钩形式第5.3.1条一般1外观质量第5.2.4条2钢筋调直第5.3.3条3±10mm第2页共11页第1页共11页编号:时间:2021年x月x日书山有路勤为径,学海无涯苦作舟页码:第2页共11页项钢筋加工的形状、尺寸±20mm±5mm2、钢筋安装工程质量要求符合《混凝土结构工程施工质量验收规范》(GB50204-2002)的规定。项序检查项目允许偏差或允许值主控项目1纵向受力钢筋的连接方式第5.4.1条2机械连接和焊接接头的力学性能第5.4.2条3受力钢筋的品种、级别和数量第5.5.1条一般项目1接头位置和数量第5.4.3条2机械连接、焊接的外观质量第5.4.4条3机械连接、焊接的接头面积百分率第5.4.5条4绑扎搭接接头面积百分率和搭接长度第5.4.6条附录B±5搭接长度范围内的箍筋第5.4.7条6钢筋安装允许偏差绑扎钢筋网长宽±10mm网眼尺寸±20mm绑扎钢筋骨架长±10mm宽、高±5mm受力钢筋间距±10mm排距±5mm保护层厚度基础±10mm柱、梁±5mm板、墙、壳±3mm绑扎箍筋、横向钢筋间距±20mm钢筋弯起点位置20mm预埋件中心线位置5mm水平高差+3,0mm(二)模板工程1、模板安装工程质量要求符合《混凝土结构工程施工质量验收规范》(GB50204-2002)的规定。项序检查项目允许偏差或允许值主控项目1模板支撑、立柱位置和垫板第4.2.1条2避免隔离剂沾污第4.2.2条一般项目1模板安装的一般要求第4.2.3条2用作模板的地坪、胎模质量第4.2.4条3模板起拱高度第4.2.5条第3页共11页第2页共11页编号:时间:2021年x月x日书山有路勤为径,学海无涯苦作舟页码:第3页共11页4预埋件、预留孔洞允许偏差预埋钢板中心线位置3mm预埋管、预留孔中心线位置3mm插筋中心线位置5mm外露长度+10,0mm预埋螺栓中心线位置2mm外露长度+10,0mm预留洞中心线位置10mm尺寸+10,0mm5模板安装允许偏差轴线位置5mm底模上表面标高±5mm截面内部尺寸基础±10mm柱、墙、梁+4,-5mm层高垂直度不大于5m6mm大于5m8mm相邻两板表面高低差2mm表面平整度5mm2、模板拆除工程质量要求符合《混凝±结构工程施工质量验收规范》(GB50204-2002)的规定。项序检查项目允许偏差或允许值主控项目1底模及其支架拆除时的混凝土强度第4.3.1条2后张法预应力构件侧模和底模的拆除时间第4.3.2条3后浇带拆模和支顶第4.3.3条一般项目1避...

1、当您付费下载文档后,您只拥有了使用权限,并不意味着购买了版权,文档只能用于自身使用,不得用于其他商业用途(如 [转卖]进行直接盈利或[编辑后售卖]进行间接盈利)。
2、本站所有内容均由合作方或网友上传,本站不对文档的完整性、权威性及其观点立场正确性做任何保证或承诺!文档内容仅供研究参考,付费前请自行鉴别。
3、如文档内容存在违规,或者侵犯商业秘密、侵犯著作权等,请点击“违规举报”。

碎片内容

钢筋混凝土施工工艺

确认删除?
VIP
微信客服
  • 扫码咨询
会员Q群
  • 会员专属群点击这里加入QQ群
客服邮箱
回到顶部