电脑桌面
添加小米粒文库到电脑桌面
安装后可以在桌面快捷访问

食品生产许可证申报材料审查及处理准则(试行)VIP专享VIP免费

食品生产许可证申报材料审查及处理准则(试行)_第1页
1/12
食品生产许可证申报材料审查及处理准则(试行)_第2页
2/12
食品生产许可证申报材料审查及处理准则(试行)_第3页
3/12
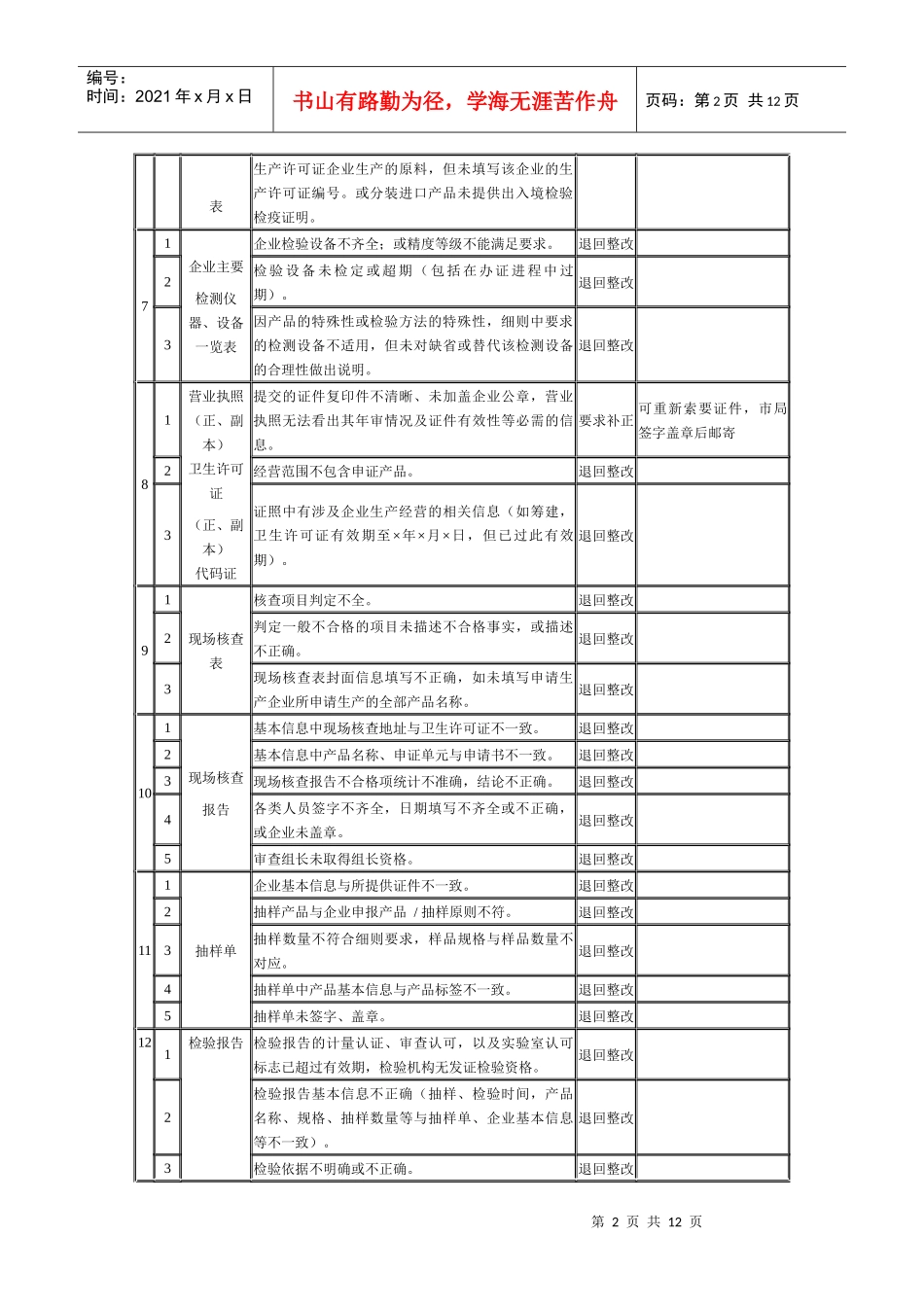
第1页共12页编号:时间:2021年x月x日书山有路勤为径,学海无涯苦作舟页码:第1页共12页食品生产许可证申报材料审查及处理准则(试行)一、申报材料审查及处理准则条款审查项目存在问题处理原则备注11申请书封面产品类别及申证单元填写不符合细则要求:◆直接填写所申请产品的名称(如直接填写“饮用水”)。◆其他与发证标准格式不符的情况等。提供补正上报表格要正确,无异议时,个别错误可由审查中心代改,不一致时退回2企业名称、企业印章与营业执照不一致。退回整改3企业注册地址与营业执照;生产地址(厂址)与卫生许可证不一致。退回整改厂址与卫生许可证基本一致,无关键字/词/信息的差别,可不退回整改21企业基本情况表企业基本情况一栏中企业名称、法人代表、经济性质等基本信息与营业执照、卫生许可证等证照不一致。退回整改2申报产品情况中申报产品名称及其品种不符合细则要求,不填产品品种名称或产品名称不能反映产品的真实属性(如××奶饮料,所填名称为××奶)。退回整改3产品执行标准号填写错误或缺年号,或与实际产品的执行标准(检验报告)不一致。退回整改4审批栏未加盖公章;或填写不齐全(如只盖章未签意见,未填写日期,未填写合格等级等信息)。退回整改退回材料再次上报时,需重新签署意见、日期并加盖公章31组织结构概述含有分公司的未填写相关信息。退回整改41人员一览表未包含细则中有资质要求的人员,如检验人员;茶叶生产企业要求有评茶员;白酒企业要求检验、酿造、调配、品酒人员等。退回整改51生产设备表生产设备表中缺少细则要求的生产设备。退回整改2一体化设备未标明集合的工艺(如自动生产线所包含的工艺)。退回整改企业说明情况,盟市局确认加盖公章3使用其他设备但未标明所替代的设备和工艺。退回整改企业说明情况,盟市局确认加盖公章61企业主要原材料、包装材料一览缺少申证产品使用的主要原材料。表中无产品标签配料表所列原料。退回整改2所用原料执行标准不正确(涉及原料供方问题)。退回整改3使用未取得生产许可证企业生产的原料;使用取得退回整改第2页共12页第1页共12页编号:时间:2021年x月x日书山有路勤为径,学海无涯苦作舟页码:第2页共12页表生产许可证企业生产的原料,但未填写该企业的生产许可证编号。或分装进口产品未提供出入境检验检疫证明。71企业主要检测仪器、设备一览表企业检验设备不齐全;或精度等级不能满足要求。退回整改2检验设备未检定或超期(包括在办证进程中过期)。退回整改3因产品的特殊性或检验方法的特殊性,细则中要求的检测设备不适用,但未对缺省或替代该检测设备的合理性做出说明。退回整改81营业执照(正、副本)卫生许可证(正、副本)代码证提交的证件复印件不清晰、未加盖企业公章,营业执照无法看出其年审情况及证件有效性等必需的信息。要求补正可重新索要证件,市局签字盖章后邮寄2经营范围不包含申证产品。退回整改3证照中有涉及企业生产经营的相关信息(如筹建,卫生许可证有效期至×年×月×日,但已过此有效期)。退回整改91现场核查表核查项目判定不全。退回整改2判定一般不合格的项目未描述不合格事实,或描述不正确。退回整改3现场核查表封面信息填写不正确,如未填写申请生产企业所申请生产的全部产品名称。退回整改101现场核查报告基本信息中现场核查地址与卫生许可证不一致。退回整改2基本信息中产品名称、申证单元与申请书不一致。退回整改3现场核查报告不合格项统计不准确,结论不正确。退回整改4各类人员签字不齐全,日期填写不齐全或不正确,或企业未盖章。退回整改5审查组长未取得组长资格。退回整改111抽样单企业基本信息与所提供证件不一致。退回整改2抽样产品与企业申报产品/抽样原则不符。退回整改3抽样数量不符合细则要求,样品规格与样品数量不对应。退回整改4抽样单中产品基本信息与产品标签不一致。退回整改5抽样单未签字、盖章。退回整改121检验报告检验报告的计量认证、审查认可,以及实验室认可标志已超过有效期,检验机构无发证检验资格。退回整改2检验报告基本信息不正确(抽样、检验时间,产品名称、规格、抽样数量等与抽样单、企业基本信息等不一致)。退...

1、当您付费下载文档后,您只拥有了使用权限,并不意味着购买了版权,文档只能用于自身使用,不得用于其他商业用途(如 [转卖]进行直接盈利或[编辑后售卖]进行间接盈利)。
2、本站所有内容均由合作方或网友上传,本站不对文档的完整性、权威性及其观点立场正确性做任何保证或承诺!文档内容仅供研究参考,付费前请自行鉴别。
3、如文档内容存在违规,或者侵犯商业秘密、侵犯著作权等,请点击“违规举报”。

碎片内容

食品生产许可证申报材料审查及处理准则(试行)

确认删除?
VIP
微信客服
  • 扫码咨询
会员Q群
  • 会员专属群点击这里加入QQ群
客服邮箱
回到顶部