电脑桌面
添加小米粒文库到电脑桌面
安装后可以在桌面快捷访问

各种设备安装检验批质量验收记录VIP免费

各种设备安装检验批质量验收记录_第1页
1/45
各种设备安装检验批质量验收记录_第2页
2/45
各种设备安装检验批质量验收记录_第3页
3/45
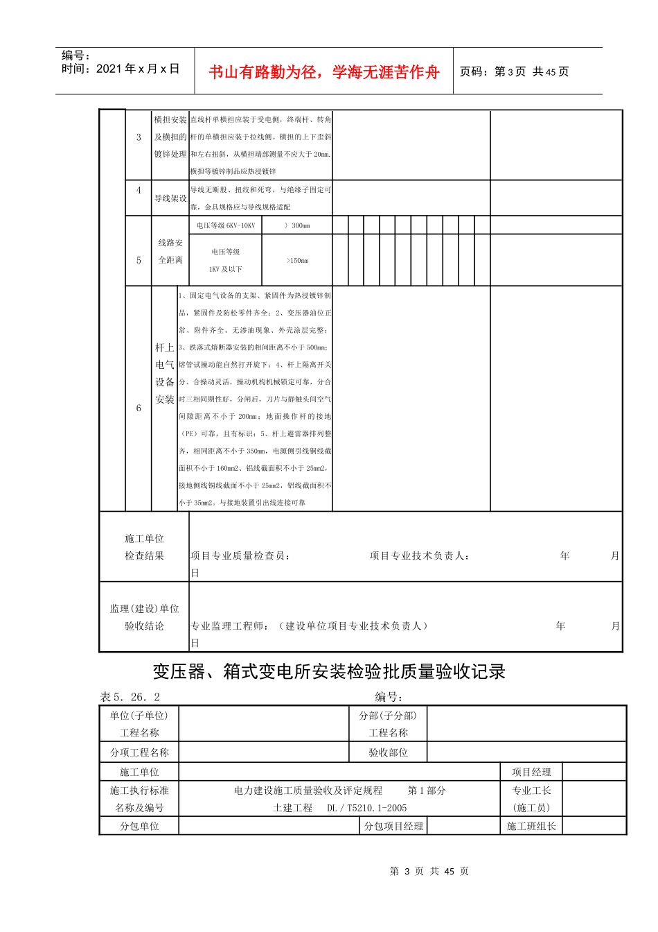
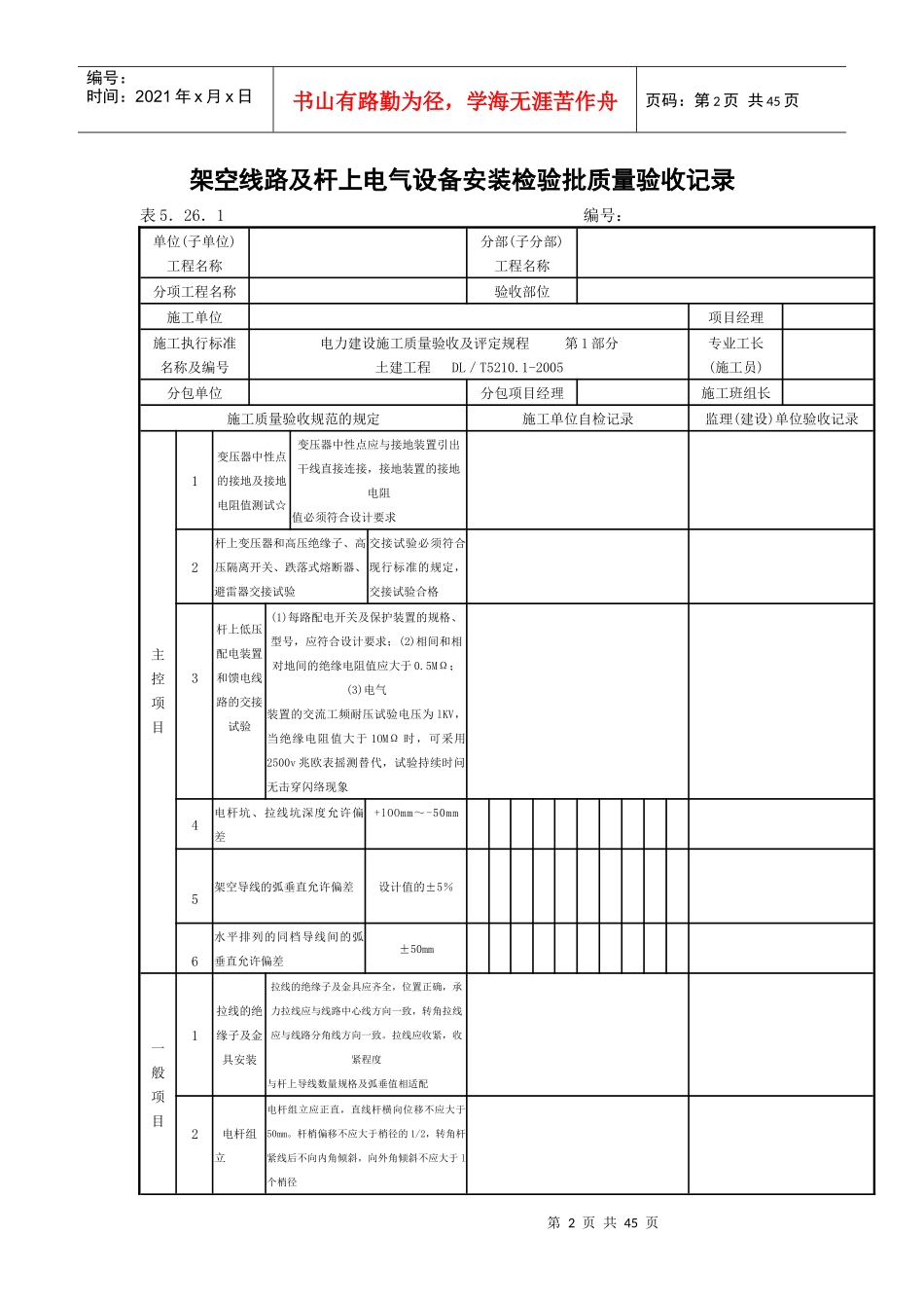
第1页共45页编号:时间:2021年x月x日书山有路勤为径,学海无涯苦作舟页码:第1页共45页更多企业学院:《中小企业管理全能版》183套讲座+89700份资料《总经理、高层管理》49套讲座+16388份资料《中层管理学院》46套讲座+6020份资料《国学智慧、易经》46套讲座《人力资源学院》56套讲座+27123份资料《各阶段员工培训学院》77套讲座+324份资料《员工管理企业学院》67套讲座+8720份资料《工厂生产管理学院》52套讲座+13920份资料《财务管理学院》53套讲座+17945份资料《销售经理学院》56套讲座+14350份资料《销售人员培训学院》72套讲座+4879份资料第2页共45页第1页共45页编号:时间:2021年x月x日书山有路勤为径,学海无涯苦作舟页码:第2页共45页架空线路及杆上电气设备安装检验批质量验收记录表5.26.1编号:单位(子单位)工程名称分部(子分部)工程名称分项工程名称验收部位施工单位项目经理施工执行标准名称及编号电力建设施工质量验收及评定规程第1部分土建工程DL/T5210.1-2005专业工长(施工员)分包单位分包项目经理施工班组长施工质量验收规范的规定施工单位自检记录监理(建设)单位验收记录主控项目1变压器中性点的接地及接地电阻值测试☆变压器中性点应与接地装置引出干线直接连接,接地装置的接地电阻值必须符合设计要求2杆上变压器和高压绝缘子、高压隔离开关、跌落式熔断器、避雷器交接试验交接试验必须符合现行标准的规定,交接试验合格3杆上低压配电装置和馈电线路的交接试验(1)每路配电开关及保护装置的规格、型号,应符合设计要求;(2)相间和相对地间的绝缘电阻值应大于0.5MΩ;(3)电气装置的交流工频耐压试验电压为lKV,当绝缘电阻值大于1OMΩ时,可采用2500v兆欧表摇测替代,试验持续时问无击穿闪络现象4电杆坑、拉线坑深度允许偏差+lOOmm~-50mm5架空导线的弧垂直允许偏差设计值的±5%6水平排列的同档导线间的弧垂直允许偏差±50mm一般项目1拉线的绝缘子及金具安装拉线的绝缘子及金具应齐全,位置正确,承力拉线应与线路中心线方向一致,转角拉线应与线路分角线方向一致。拉线应收紧,收紧程度与杆上导线数量规格及弧垂值相适配2电杆组立电杆组立应正直,直线杆横向位移不应大于50mm。杆梢偏移不应大于梢径的1/2,转角杆紧线后不向内角倾斜,向外角倾斜不应大于l个梢径第3页共45页第2页共45页编号:时间:2021年x月x日书山有路勤为径,学海无涯苦作舟页码:第3页共45页3横担安装及横担的镀锌处理直线杆单横担应装于受电侧,终端杆、转角杆的单横担应装于拉线侧。横担的上下歪斜和左右扭斜,从横担端部测量不应大于20mm.横担等镀锌制品应热浸镀锌4导线架设导线无断股、扭绞和死弯,与绝缘子固定可靠,金具规格应与导线规格适配5线路安全距离电压等级6KV-10KV〉300mm电压等级1KV及以下>150mm6杆上电气设备安装1、固定电气设备的支架、紧固件为热浸镀锌制品,紧固件及防松零件齐全;2、变压器油位正常、附件齐全、无渗油现象、外壳涂层完整;3、跌落式熔断器安装的相间距离不小于500mm;熔管试操动能自然打开旋下;4、杆上隔离开关分、合操动灵活,操动机构机械锁定可靠,分合时三相同期性好,分闸后,刀片与静触头间空气间隙距离不小于200mm;地面操作杆的接地(PE)可靠,且有标识;5、杆上避雷器排列整齐,相同距离不小于350mm,电源侧引线铜线截面积不小于160mm2、铝线截面积不小于25mm2,接地侧线铜线截面不小于25mm2,铝线截面积不小于35mm2。与接地装置引出线连接可靠施工单位检查结果项目专业质量检查员:项目专业技术负责人:年月日监理(建设)单位验收结论专业监理工程师:(建设单位项目专业技术负责人)年月日变压器、箱式变电所安装检验批质量验收记录表5.26.2编号:单位(子单位)工程名称分部(子分部)工程名称分项工程名称验收部位施工单位项目经理施工执行标准名称及编号电力建设施工质量验收及评定规程第1部分土建工程DL/T5210.1-2005专业工长(施工员)分包单位分包项目经理施工班组长第4页共45页第3页共45页编号:时间:2021年x月x日书山有路勤为径,学海无涯苦作舟页码:第4页共45页施工质量验收规范的规定施工单位自检记录监理(建设)单位验收记...

1、当您付费下载文档后,您只拥有了使用权限,并不意味着购买了版权,文档只能用于自身使用,不得用于其他商业用途(如 [转卖]进行直接盈利或[编辑后售卖]进行间接盈利)。
2、本站所有内容均由合作方或网友上传,本站不对文档的完整性、权威性及其观点立场正确性做任何保证或承诺!文档内容仅供研究参考,付费前请自行鉴别。
3、如文档内容存在违规,或者侵犯商业秘密、侵犯著作权等,请点击“违规举报”。

碎片内容

各种设备安装检验批质量验收记录

确认删除?
VIP
微信客服
  • 扫码咨询
会员Q群
  • 会员专属群点击这里加入QQ群
客服邮箱
回到顶部