电脑桌面
添加小米粒文库到电脑桌面
安装后可以在桌面快捷访问

某服装生产企业计划主管职位说明书VIP免费

某服装生产企业计划主管职位说明书_第1页
1/3
某服装生产企业计划主管职位说明书_第2页
2/3
某服装生产企业计划主管职位说明书_第3页
3/3
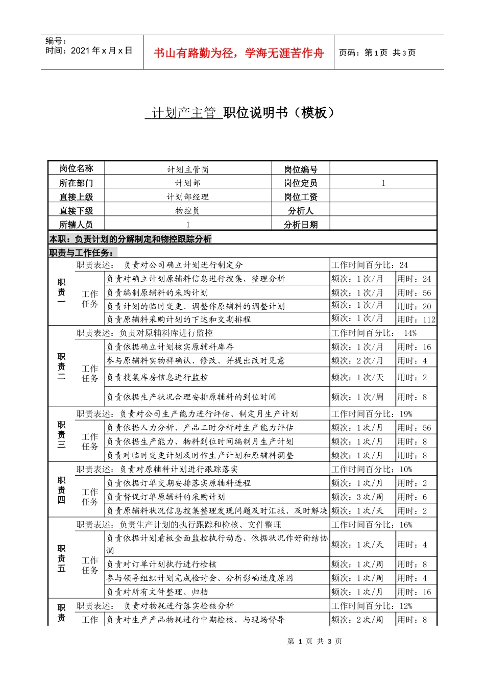
第1页共3页编号:时间:2021年x月x日书山有路勤为径,学海无涯苦作舟页码:第1页共3页计划产主管职位说明书(模板)岗位名称计划主管岗岗位编号所在部门计划部岗位定员1直接上级计划部经理岗位工资直接下级物控员分析人所辖人员1分析日期本职:负责计划的分解制定和物控跟踪分析职责与工作任务:职责一职责表述:负责对公司确立计划进行制定分工作时间百分比:24工作任务负责对确立计划原辅料信息进行搜集、整理分析频次:1次/月用时:24负责编制原辅料的采购计划频次:1次/月用时:56负责计划的临时变更、调整作原辅料的调整计划频次:1次/月用时:20负责原辅料采购计划的下达和交期排程频次:1次/月用时:112职责二职责表述:负责对原辅料库进行监控工作时间百分比:14%工作任务负责依据确立计划核实原辅料库存频次:1次/月用时:16参与原辅料实物样确认、修改、并提出改时见意频次:2次/月用时:4负责搜集库房信息进行监控频次:1次/天用时:2负责依据生产状况合理安排原辅料的到位时间频次:1次/周用时:8职责三职责表述:负责对公司生产能力进行评估、制定月生产计划工作时间百分比:19%工作任务负责依据人力分析、产品工时分析对生产能力评估频次:1次/月用时:56负责依据生产能力、物料到位时间编制月生产计划频次:1次/月用时:8负责对临时变更计划及时作生产计划和原辅料调整频次:1次/月用时:8职责四职责表述:负责对原辅料计划进行跟踪落实工作时间百分比:10%工作任务负责依据订单交期安排落实原辅料进程频次:1次/月用时:2负责督促订单原辅料的采购计划频次:3次/周用时:6负责原辅料状况信息搜集整理发现问题及时汇报、及时解决频次:1次/天用时:2职责五职责表述:负责生产计划的执行跟踪和检核、文件整理工作时间百分比:16%工作任务负责依据计划看板全面监控执行动态、依据状况作好衔结协调频次:1次/天用时:4负责对订单计划执行进行检核频次:1次/周用时:8参与领导组织计划完成检讨会、分析影响进度原因频次:1次/周用时:4负责对所有文件整理、归档频次:1次/月用时:16职责职责表述:负责对物耗进行落实检核分析工作时间百分比:12%工作负责对生产产品物耗进行中期检核,与现场督导频次:2次/周用时:8第2页共3页第1页共3页编号:时间:2021年x月x日书山有路勤为径,学海无涯苦作舟页码:第2页共3页六任务负责对已完成产品物耗信息进行搜集、整理分析频次:1次/周用时:4负责对技术室对有疑议的物耗进行反馈和信息交流频次:2次/周用时:5职责七职责表述:完成领导交办的其他工作工作时间百分比:5%权力:生产、物料计划相关信息收集、制定权、监督权、监控权生产能力评诂、建议、督导评价权订单计划检查权、相关资料索取权领导交办工作相应权力考核指标:考核标准:计划制定准确、及时性计划制定依据相关权威数据、文件、手续齐全,计划编制准确、及时、合理报审核、审批、签字环节到位。物料呆滞率、呆滞物料利用率依据生产周期合理安排监控原辅料入库,计划就更造成物料呆滞风险降至最低、杜绝计划制定失误产生物料呆滞对呆滞物料数据与实物信息汇总最大限度合理使用。数据记录准确、报表单据传送及时统计数据准确完整、各类单据填写规范、传递及时领导交办工作质量及时性领导满意工作协作关系:内部协调关系公司各部门外部协调关系各分公司相关部门任职资格:教育水平高中及以上专业服装管理专业工作经验4年以上工作经验,2年以上服装企业生产、计划管理经验能力要求具有系统的生产计划管理理论知识、服装管理专业技能,人际交往能力、文字能力、协调能力、应变能力,熟悉使用WORD、EXCEJ等办公软件、具备基本的网络知识个性特征强烈的责任感和敬业精神、细心、应变能力生理特征25-40岁,身体健康所需培训有关上述能力要求的专业培训各3天工作特点:工作场所办公室和车间一线工作方式固定办公和深入车间工作时间特征正常工作时间、经常加班工作环境一般工作环境第3页共3页第2页共3页编号:时间:2021年x月x日书山有路勤为径,学海无涯苦作舟页码:第3页共3页体力精力消耗精力消耗较大劳动保护无特殊要求使用工具/设备电脑、打印机、电话、传真机、inte...

1、当您付费下载文档后,您只拥有了使用权限,并不意味着购买了版权,文档只能用于自身使用,不得用于其他商业用途(如 [转卖]进行直接盈利或[编辑后售卖]进行间接盈利)。
2、本站所有内容均由合作方或网友上传,本站不对文档的完整性、权威性及其观点立场正确性做任何保证或承诺!文档内容仅供研究参考,付费前请自行鉴别。
3、如文档内容存在违规,或者侵犯商业秘密、侵犯著作权等,请点击“违规举报”。

碎片内容

某服装生产企业计划主管职位说明书

确认删除?
VIP
微信客服
  • 扫码咨询
会员Q群
  • 会员专属群点击这里加入QQ群
客服邮箱
回到顶部