电脑桌面
添加小米粒文库到电脑桌面
安装后可以在桌面快捷访问

现场安全文明生产达标规范及评定标准VIP免费

现场安全文明生产达标规范及评定标准_第1页
1/59
现场安全文明生产达标规范及评定标准_第2页
2/59
现场安全文明生产达标规范及评定标准_第3页
3/59
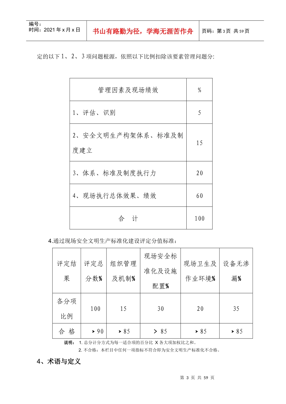
编制说明为加强公司现场安全文明生产管理,落实集团公司做好“五篇文章”、打造“五个国电”的总体要求,推进“提升管理、提升效益”工作,改善劳动作业环境,建设安全、健康、环保的现代化发电企业,提升公司安全文明生产标准化水平,特编制本规范。本规范依据《企业安全生产标准化基本规范》(AQ/T9006-2010)等国家法规标准,集团公司《发电企业安全设施配置规范手册》等规章制度,按照缺陷“全覆盖、零容忍”原则,依据火电厂现场安全文明生产“组织管理与机制、现场安全标准化及设施配置、现场卫生及作业环境、设备无渗漏”4个方面,结合国电开都河公司安全生产综合管理体系,明确职责,建立、完善现场安全文明生产的组织机构、机制、制度及程序,积极开展现场安全文明生产标准化建设、设备设施治理、合格评定及持续改进工作,制定国电新疆开都河公司安全文明生产标准化工作实施细则。整个审核或评定过程,坚持从风险预控、PDCA管理过程,全面检查各要素的全过程管理及其绩效。第2页共59页编号:时间:2021年x月x日书山有路勤为径,学海无涯苦作舟页码:第2页共59页一般要求1、使用准则本标准涉及了如下的使用准则:1.国家及当地政府的法律法规及本标准应作为基层发电企业建立安全文明生产管理体系的最低底线。2.企业的生产状况、安全文明生产风险概况是构成、建立各自企业独特安全文明生产体系的基石。各基层发电企业生产经营状况和风险不尽相同,所以安全文明生产管理体系(包括职责分工、组织机构、制度、程序等)也应随之而变,形成具有自身特点、特色的体系。3.现场安全文明生产实行绩效显著与适度相结合及持续改进原则;要点是确保现场设备、设施的完整性、整洁性、无缺陷及最佳性价比,而非最新。4.本标准中有关安全、环保的要求仅对与安全文明生产密切相关的部分进行了描述,执行本标准并不妨碍执行安全、环保的其他要求。5.在缺乏法律法规和/或其他要求时,基层企业安全文明生产管理体系的建立应遵从可行的最佳惯例为指导方针。2、规范性引用文件下列文件对于本规范的应用是必不可少的。凡是注日期的引用文件,仅注日期的版本适用本规范。凡是不注日期的引用文件,其最新版本(包括所有的修改单)适用于本规范。国家能源局《发电企业安全生产标准化规范及达标评级标准》中国国电集团公司《发电企业安全设施配置规范手册》中国国电集团公司《设备检修标准化作业规范》3、合格评定及分值考评1.在考评期间,将评估每个适用要素。2.依照标准要素条款,按评分标准逐个评分,最终得分即为要素总分。3.现场执行总体效果、绩效,采取管理因素追加考评,存在管理问题时按最终确第3页共59页第2页共59页编号:时间:2021年x月x日书山有路勤为径,学海无涯苦作舟页码:第3页共59页定的以下1、2、3项问题根源,依照以下比例扣除该要素管理问题分:管理因素及现场绩效%1、评估、识别52、安全文明生产构架体系、标准及制度建立153、体系、标准及制度执行力204、现场执行总体效果、绩效60合计1004.通过现场安全文明生产标准化建设评定分值标准:评定结果评定总分数%组织管理及机制%现场安全标准化及设施配置%现场卫生及作业环境%设备无渗漏%各分项比例10015302035合格﹥90﹥85>85﹥85﹥85说明:1.总分计分方式为每一适合项的百分比X各大项加权比之和。2.不合格:本栏目中任何一项指标不符合即为安全文明生产标准化不合格。4、术语与定义第4页共59页第3页共59页编号:时间:2021年x月x日书山有路勤为径,学海无涯苦作舟页码:第4页共59页下列术语和定义适用于本标准。1.安全文明生产标准化:是企业实现安全、有序生产的基本条件。通过建立、实施、保持安全文明生产标准化管理体系,规范人员行为,确保设备设施及作业环境保持良好状态,使各生产环节符合有关安全生产法律法规和标准规范要求。实现设备、设施、仪器保持良好状态及无渗漏,零件、物料、工器、机具放置整齐、有序,生产场地卫生整洁等,并持续改进。2.缺陷全覆盖:任何偏离原设计或规范的状态为缺陷,应包括环境卫生、设备“三漏”等。3.密封点:是指各种介质可能向外渗漏的结合面,分为动、静密封点两种。4.三漏:指漏油、...

1、当您付费下载文档后,您只拥有了使用权限,并不意味着购买了版权,文档只能用于自身使用,不得用于其他商业用途(如 [转卖]进行直接盈利或[编辑后售卖]进行间接盈利)。
2、本站所有内容均由合作方或网友上传,本站不对文档的完整性、权威性及其观点立场正确性做任何保证或承诺!文档内容仅供研究参考,付费前请自行鉴别。
3、如文档内容存在违规,或者侵犯商业秘密、侵犯著作权等,请点击“违规举报”。

碎片内容

现场安全文明生产达标规范及评定标准

您可能关注的文档

中小学教育精品资料+ 关注
实名认证
内容提供者

中小学教育资料,优质文档创作者

确认删除?
VIP
微信客服
  • 扫码咨询
会员Q群
  • 会员专属群点击这里加入QQ群
客服邮箱
回到顶部