电脑桌面
添加小米粒文库到电脑桌面
安装后可以在桌面快捷访问

安全检查隐患整改单618VIP专享VIP免费

安全检查隐患整改单618_第1页
1/52
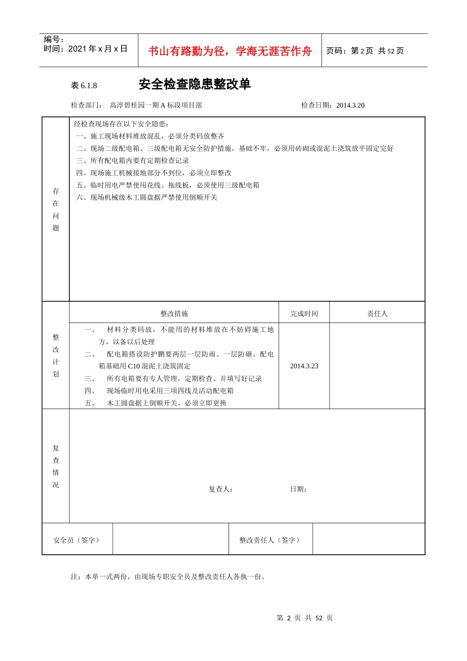
安全检查隐患整改单618_第2页
2/52
安全检查隐患整改单618_第3页
3/52
第1页共52页编号:时间:2021年x月x日书山有路勤为径,学海无涯苦作舟页码:第1页共52页高淳碧桂园一期A标段43#—48#《安全检查记录表》公司名称:中太建设集团股份有限公司工程名称:南京高淳碧桂园A标段项目部负责人:刘东芽、王大鹏、葛红军时间:2013年8月25日中太建设集团股份有限公司2013年8月25日第2页共52页第1页共52页编号:时间:2021年x月x日书山有路勤为径,学海无涯苦作舟页码:第2页共52页表6.1.8安全检查隐患整改单检查部门:高淳碧桂园一期A标段项目部检查日期:2014.3.20存在问题经检查现场存在以下安全隐患:一、施工现场材料堆放混乱,必须分类码放整齐二、现场二级配电箱、三级配电箱无安全防护措施,基础不牢,必须用砖砌或混泥土浇筑放平固定完好三、所有配电箱内要有定期检查记录四、现场施工机械接地部分不到位,必须立即整改五、临时用电严禁使用花线、拖线板,必须使用三级配电箱六、现场机械级木工圆盘据严禁使用倒顺开关整改计划整改措施完成时间责任人一、材料分类码放,不能用的材料堆放在不妨碍施工地方,以备以后处理二、配电箱搭设防护鹏要两层一层防雨、一层防砸、配电箱基础用C10混泥土浇筑固定三、所有电箱要有专人管理,定期检查、并填写好记录四、现场临时用电采用三项四线及活动配电箱五、木工圆盘据上倒顺开关、必须立即更换2014.3.23复查情况复查人:日期:安全员(签字)整改责任人(签字)注:本单一式两份,由现场专职安全员及整改责任人各执一份。第3页共52页第2页共52页编号:时间:2021年x月x日书山有路勤为径,学海无涯苦作舟页码:第3页共52页表6.1.8安全检查隐患整改单检查部门:高淳碧桂园一期A标段项目部检查日期:2014.3.22存在问题检查内容及存在的安全隐患:一、2#—7#楼外脚手架部分缺少扫地杆、立杆二、脚手架上堆放材料没有及时清理三、上人楼梯部分缺少扶手四、外架安全网没有挂好、有的被拆除五,2#楼南侧脚手架悬空,有点向外斜整改计划整改措施完成时间责任人1、脚手架立杆,扫地杆,必须立即加上2、脚手架上材料立即清理,必须做到工完场清3、上人楼梯扶手、安全网立即整改4、2#楼南侧脚手架必须采取加固,或用钢丝绳拉牢2014.3.23复查情况复查人:日期:安全员(签字)整改责任人(签字)注:本单一式两份,由现场专职安全员及整改责任人各执一份。第4页共52页第3页共52页编号:时间:2021年x月x日书山有路勤为径,学海无涯苦作舟页码:第4页共52页表6.1.8安全检查隐患整改单检查部门:高淳碧桂园一期A标段项目部检查日期:2014.3.26存在问题经检查发现现场脚手架及施工存在安全隐患:一、5#、6#脚手架目前以低于施工作业面而、各楼层四口、五临边安全防护要及时跟上三,脚手架上竹笆有部分被拆除掉四、脚手架上安全网张挂不到位五、架子工有部分施工人员未佩戴好安全带整改计划整改措施完成时间责任人1、7#8#楼脚手架必须增加施工人员必须把架子搭设超出施工作业面1.5米2、楼层四口、五临边防护要派专人检查发现不到位立即整改3、脚手架上竹笆、安全网立即安排人员整改完好4、架子施工人员必须立即佩戴好安全带,方可施工2013.3.28复查情况复查人:日期:安全员(签字)整改责任人(签字)注:本单一式两份,由现场专职安全员及整改责任人各执一份。第5页共52页第4页共52页编号:时间:2021年x月x日书山有路勤为径,学海无涯苦作舟页码:第5页共52页表6.1.8安全检查隐患整改单检查部门:高淳碧桂园一期A标段项目部检查日期:2014.4.2存在问题经检查发现现场存在安全隐患:一、7#、8#脚手架目前以低于施工作业面,施工人员少而、2#上人楼梯边安全防护缺少三,2#外脚手架上有部分缺少立杆或被拆除掉必须四、脚手架上安全网张挂不到位五、7#架子工有部分施工人员未佩戴好安全带整改计划整改措施完成时间责任人脚手架施工人员增加,加快速度,楼梯边安全防护、安全网必须立即安排人员整改,施工人员未佩戴安全带,加强安全教育提高对安全知识,重视个人安全2014.4.4复查情况复查人:日期:安全员(签字)整改责任人(签字)注:本单一式两份,由现场专职安全员及整改责任人各执一份。第6页共52页第5页共52页编号:时...

1、当您付费下载文档后,您只拥有了使用权限,并不意味着购买了版权,文档只能用于自身使用,不得用于其他商业用途(如 [转卖]进行直接盈利或[编辑后售卖]进行间接盈利)。
2、本站所有内容均由合作方或网友上传,本站不对文档的完整性、权威性及其观点立场正确性做任何保证或承诺!文档内容仅供研究参考,付费前请自行鉴别。
3、如文档内容存在违规,或者侵犯商业秘密、侵犯著作权等,请点击“违规举报”。

碎片内容

安全检查隐患整改单618

中小学教育精品资料+ 关注
实名认证
内容提供者

中小学教育资料,优质文档创作者

确认删除?
VIP
微信客服
  • 扫码咨询
会员Q群
  • 会员专属群点击这里加入QQ群
客服邮箱
回到顶部