电脑桌面
添加小米粒文库到电脑桌面
安装后可以在桌面快捷访问

金属焊接检验方案研讨VIP专享VIP免费

金属焊接检验方案研讨_第1页
1/6
金属焊接检验方案研讨_第2页
2/6
金属焊接检验方案研讨_第3页
3/6
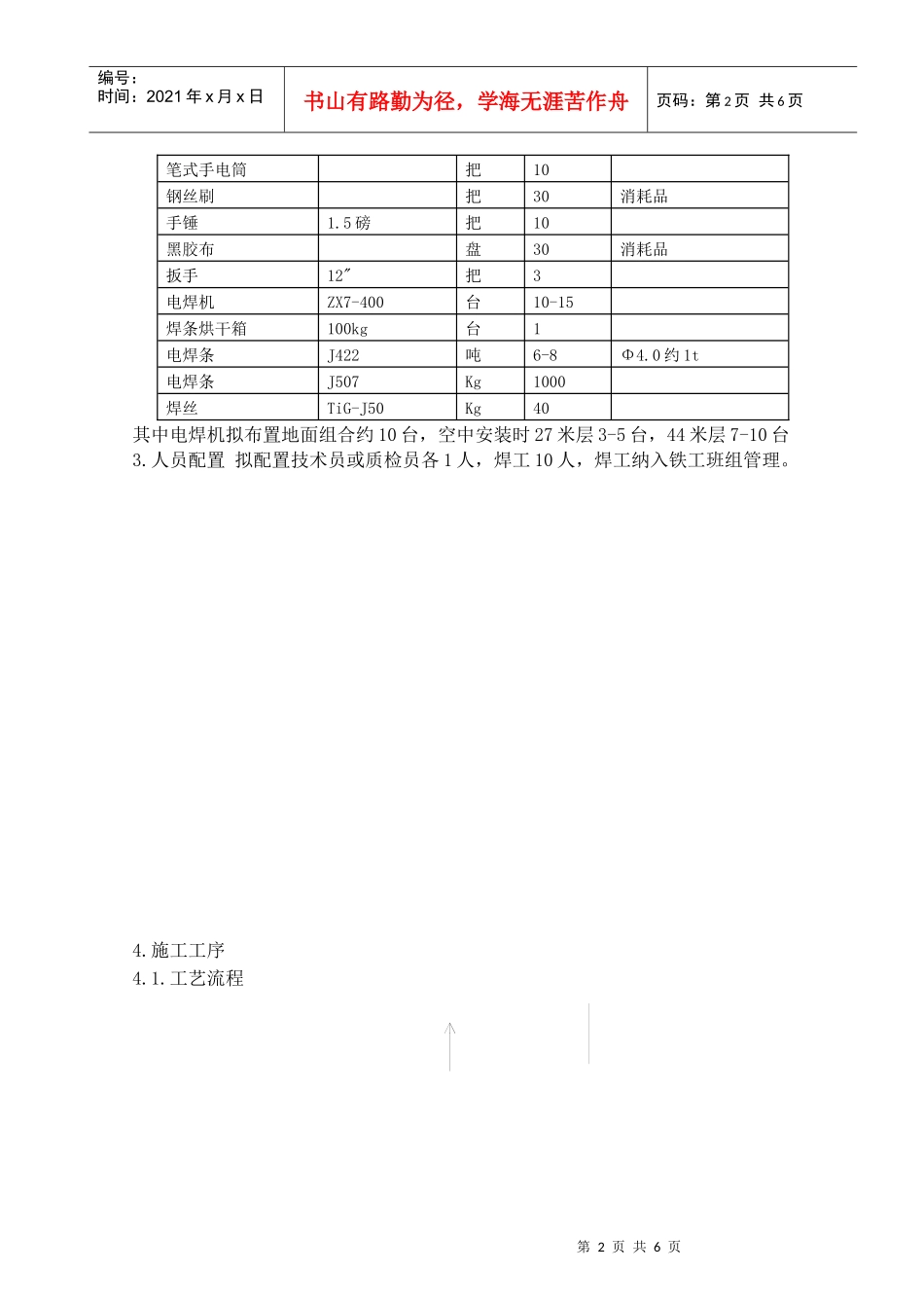
第1页共6页编号:时间:2021年x月x日书山有路勤为径,学海无涯苦作舟页码:第1页共6页1.编制依据1.1西安热工研究院图纸1.2《火力发电厂焊接技术规程》(DL/T869-2004)1.3《电力建设施工质量验收及评价规程第7部分:焊接》(DL/T5210.7-2010)1.4《锅炉压力容器压力管道焊工考试与管理规则》(国质检锅[2002]109号)1.5《焊工技术考核规程》(DL/T679-1999)1.6《焊接工艺评定规程》(DL/T868-2004)1.7《电力工业锅炉监察规程》(DL612-1996)1.8《蒸汽锅炉安全技术监察规程》(劳动部)1.9《火力发电厂异种钢焊接技术规程》DL/T752-20011.10《电站钢结构焊接通用技术条件》DL/T678-19991.11《焊接工艺评定报告》(河南第二火电建设公司)1.12《工程建设标准强制性条文》电力工程部分2006年版1.13《电力工程达标投产管理办法》2006年版1.14《火力发电厂金属技术监督规程》(DL438-2009)1.15《电力建设施工及验收技术规范(锅炉篇)》(DL5047-1995)1.16《电力建设安全工作规程第一部分:火力发电厂》DL5009.1-20022.施工机具依据#4机脱硝工程概况,初步配置如下工器具名称规格型号单位数量备注焊条保温筒5Kg个20立式氩气流量调节器AT-15只3氩弧焊枪QQ-85/150A套3氩弧焊枪喷咀M10X1X60X8只100钨极夹Φ2.5只10010-250A电焊黑玻璃110×50,#9块200白玻璃110×50箱1消耗品电焊把线25mm2m100电焊把线16mm2m100铝焊线50mm2盘10每盘100m角向磨光机Φ150台2电焊钳500A只30工具包个30第2页共6页第1页共6页编号:时间:2021年x月x日书山有路勤为径,学海无涯苦作舟页码:第2页共6页笔式手电筒把10钢丝刷把30消耗品手锤1.5磅把10黑胶布盘30消耗品扳手12"把3电焊机ZX7-400台10-15焊条烘干箱100kg台1电焊条J422吨6-8Φ4.0约1t电焊条J507Kg1000焊丝TiG-J50Kg40其中电焊机拟布置地面组合约10台,空中安装时27米层3-5台,44米层7-10台3.人员配置拟配置技术员或质检员各1人,焊工10人,焊工纳入铁工班组管理。4.施工工序4.1.工艺流程第3页共6页第2页共6页编号:时间:2021年x月x日书山有路勤为径,学海无涯苦作舟页码:第3页共6页注:某一个工序出现不合格时应当通过返修或返工重做纠正。4.2.工序方法4.2.1.焊前准备4.2.1.1.参加施焊的焊工,必须按照《焊工技术考核规程》规定,取得Ⅲ类及以上的合格证项目,才能承担施工作业。并仿照实际位置进行焊前练习,做外观检查或无损检测,合格后经过技术交底方可上岗焊接。4.2.1.2焊工焊前应认真接受技术交底,弄清所用的焊材及施焊工艺要求及应注意的安全事项。4.2.1.3.坡口型式,坡口角度按设计要求。管道对接焊口应开V型坡口。工件焊接部位留间隙1~3mm,保证焊透。4.2.1.4.组装前应将坡口表面及母材内、外壁的油、漆、垢锈、氧化铁等清理干净,直至发出金属光泽,清理范围为每侧各为10~15mm。4.2.1.5.焊缝局部间隙过大时,应进行修整,严禁在间隙内加填塞物。4.2.1.6.焊接场所应有防风、防雨、雪等措施,可搭设焊接施工棚。4.2.2.焊接工艺选择:烟道等结构件焊接采用Ds工艺;充氮、吹灰管道焊接采用Ws焊接工艺,当壁厚大于6mm时采用Ws/Ds焊接工艺。4.2.3.点固焊的质量要求及工艺措施应与正式焊缝相同,其厚度一般不应超过正式焊缝的1/2,通常为4mm-6mm,其长度一般为30~60mm,间距以不超过400mm为宜,并在施焊前检查定位焊点,如有缺陷,待消除后方可焊接。4.2.4.薄板拼接时,钢板要合理布置,避免十字接头,两“T”型接头间相距应不小于250mm。大块钢板和小块钢板混排时,应避免各自相对集中,应分散开布置。对口自由边应避免与加固筋平行,以免引起较大波浪变形。并且拼接时应按图纸要求,保证焊缝尺寸。型钢对接时,也应按图纸要求进行坡口加工,保证焊透。4.2.5.钢板端部焊接时,最外缘的加固肋外侧焊缝可先不焊,组合对口时通过校正管口再行焊接。4.2.6.烟道薄板装配组合后,内部密封焊和外部加固筋转角处以及内支撑点节点板和管支撑、节点板和加固筋部位焊接前,应先矫正各构件的对口对角线至合格,并用临时支撑撑牢,保证对口对角线的误差精度,必要时,一些临时支撑工件可以不立即拆去,但必须加固焊接牢固。4.2.7.厚度较大的焊件宜采用两人对称焊...

1、当您付费下载文档后,您只拥有了使用权限,并不意味着购买了版权,文档只能用于自身使用,不得用于其他商业用途(如 [转卖]进行直接盈利或[编辑后售卖]进行间接盈利)。
2、本站所有内容均由合作方或网友上传,本站不对文档的完整性、权威性及其观点立场正确性做任何保证或承诺!文档内容仅供研究参考,付费前请自行鉴别。
3、如文档内容存在违规,或者侵犯商业秘密、侵犯著作权等,请点击“违规举报”。

碎片内容

金属焊接检验方案研讨

确认删除?
VIP
微信客服
  • 扫码咨询
会员Q群
  • 会员专属群点击这里加入QQ群
客服邮箱
回到顶部