电脑桌面
添加小米粒文库到电脑桌面
安装后可以在桌面快捷访问

木业公司四面刨车间主任岗位说明书VIP免费

木业公司四面刨车间主任岗位说明书_第1页
1/3
木业公司四面刨车间主任岗位说明书_第2页
2/3
木业公司四面刨车间主任岗位说明书_第3页
3/3
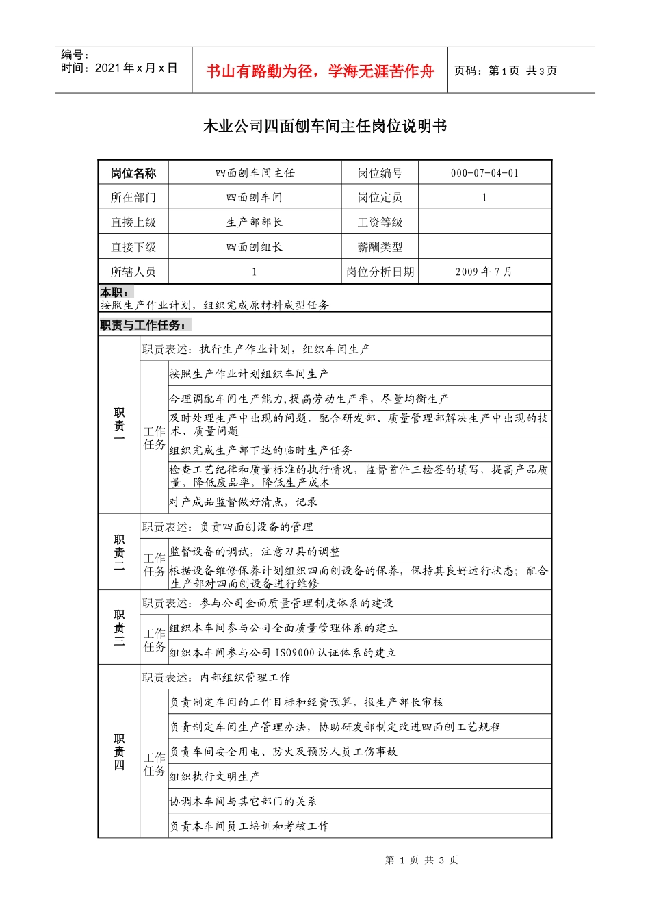
第1页共3页编号:时间:2021年x月x日书山有路勤为径,学海无涯苦作舟页码:第1页共3页木业公司四面刨车间主任岗位说明书岗位名称四面刨车间主任岗位编号000-07-04-01所在部门四面刨车间岗位定员1直接上级生产部部长工资等级直接下级四面刨组长薪酬类型所辖人员1岗位分析日期2009年7月本职:按照生产作业计划,组织完成原材料成型任务职责与工作任务:职责一职责表述:执行生产作业计划,组织车间生产工作任务按照生产作业计划组织车间生产合理调配车间生产能力,提高劳动生产率,尽量均衡生产及时处理生产中出现的问题,配合研发部、质量管理部解决生产中出现的技术、质量问题组织完成生产部下达的临时生产任务检查工艺纪律和质量标准的执行情况,监督首件三检签的填写,提高产品质量,降低废品率,降低生产成本对产成品监督做好清点,记录职责二职责表述:负责四面刨设备的管理工作任务监督设备的调试,注意刀具的调整根据设备维修保养计划组织四面刨设备的保养,保持其良好运行状态;配合生产部对四面刨设备进行维修职责三职责表述:参与公司全面质量管理制度体系的建设工作任务组织本车间参与公司全面质量管理体系的建立组织本车间参与公司ISO9000认证体系的建立职责四职责表述:内部组织管理工作工作任务负责制定车间的工作目标和经费预算,报生产部长审核负责制定车间生产管理办法,协助研发部制定改进四面刨工艺规程负责车间安全用电、防火及预防人员工伤事故组织执行文明生产协调本车间与其它部门的关系负责本车间员工培训和考核工作第2页共3页第1页共3页编号:时间:2021年x月x日书山有路勤为径,学海无涯苦作舟页码:第2页共3页培养和发现人才,根据工作需要按照程序申请招聘、调配直接下级组织调动员工劳动积极性,组织开展车间合理化建议活动及小发明、小创造等技术革新活动职责五职责表述:完成生产部长交办的其他工作任务权力:对违反工艺纪律的行为有制止权和处罚权对违反设备管理、操作规定的行为有制止权和处罚权有业务范围内紧急事件的处理权有对直接下级岗位调配权对所属下级的工作有监督、检查权对所属下级的管理水平、业务水平和业绩有考核评价权工作协作关系:内部协调关系生产部、研发部,质量管理部、仓储部外部协调关系四面刨设备供应商任职资格:教育水平高中以上专业培训经历经验2年以上工作经验,一年以上管理经验知识具备相应的生产管理、质量管理和车间设备等方面的知识技能技巧具有判断与决策能力、组织能力,人际能力、沟通能力、计划与执行能力其它:使用工具/设备四面刨、气泵、磨刀机、计算机、一般办公设备工作环境车间工作时间特征正常工作时间,根据需要加班所需记录文档生产通知单、生产报表、设备台帐,总结等备注第3页共3页第2页共3页编号:时间:2021年x月x日书山有路勤为径,学海无涯苦作舟页码:第3页共3页

1、当您付费下载文档后,您只拥有了使用权限,并不意味着购买了版权,文档只能用于自身使用,不得用于其他商业用途(如 [转卖]进行直接盈利或[编辑后售卖]进行间接盈利)。
2、本站所有内容均由合作方或网友上传,本站不对文档的完整性、权威性及其观点立场正确性做任何保证或承诺!文档内容仅供研究参考,付费前请自行鉴别。
3、如文档内容存在违规,或者侵犯商业秘密、侵犯著作权等,请点击“违规举报”。

碎片内容

木业公司四面刨车间主任岗位说明书

您可能关注的文档

确认删除?
VIP
微信客服
  • 扫码咨询
会员Q群
  • 会员专属群点击这里加入QQ群
客服邮箱
回到顶部