电脑桌面
添加小米粒文库到电脑桌面
安装后可以在桌面快捷访问

生产设备管理程序aVIP专享VIP免费

生产设备管理程序a_第1页
1/3
生产设备管理程序a_第2页
2/3
生产设备管理程序a_第3页
3/3
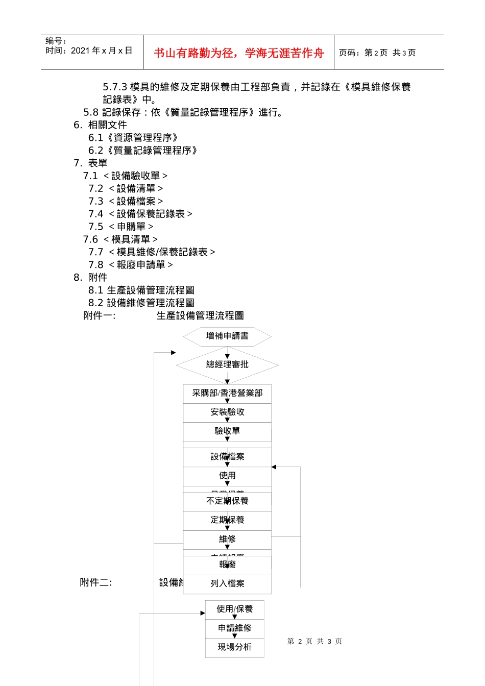
第1页共3页编号:时间:2021年x月x日书山有路勤为径,学海无涯苦作舟页码:第1页共3页1.目的為了工厂的机械設備及模具适合生產的需求,特制定本程序。2.范圍工厂各部門所有机械設備及模具均屬本程序范圍。3.權責3.1設備增補申請:生產或所需部門;3.2設備增補審查与批准:副總經理;3.3設備及材料購買:香港營業部或采購部;3.4設備安裝驗收,定期与不定期保養、調試維修、外協与報廢申報:維修部;3.5模具的驗收、保養、維修:工程部;3.6設備使用与日常維護保養:生產或使用部門。4.定義無。5.作業內容5.1生產設備的管理流程(見附件一)。5.2設備增補:設備增補由生產或使用部門依《資源管理程序》進行。5.3設備驗收与安裝:設備進廠后由維修部負責安裝驗收,驗收合格后依驗收情況填寫<設備驗收單>,並按設備類別賦予編號后列入<設備清單>,建立<設備檔案>后交付使用部門使用。5.4設備維護与保養:5.4.1設備的日常維護保養由使用部門依據<設備日常保養作業指導書>中之規定進行,並記錄在<設備日常保養記錄表>中;5.4.2不定期保養:當停机時由維修人員做不定期保養,並記錄在<設備檔案>中;5.4.3定期保養:定期保養每半年一次,並記錄在<設備檔案>中。5.5設備維修5.5.1設備維修管理流程圖(見附件二);5.5.2設備維修:當日常保養或使用中發現机器設備出現異常時,由使用部門通知維修部,由維修部安排人員維修;5.5.3當維修過程中需采購材料或配件時,由維修部填寫<申購單>經副總經理審批后通知采購部或香港營業部進行采購;5.5.4設備的外協加工与維修:如果設備損坏,本廠無條件維修時,由維修部用書面報告申請外協加工並提供相應之圖紙和技術資料,經副總經理審批后進行;5.5.5設備維修過程需要一天以上或影響生產半天以上應向副總經理呈報。5.6設備的淘汰与報廢:當設備已經不能适應生產需要或不能再維修時由維修部填寫<報廢申請單>,經副總經理審批后依指示處理。5.7模具管理:5.7.1模具之檔案建立由工程部負責,并記錄入<模具清單>和<模具維修保養記錄表>;5.7.2模具之日常保養由工程部負責;第2页共3页第1页共3页编号:时间:2021年x月x日书山有路勤为径,学海无涯苦作舟页码:第2页共3页5.7.3模具的維修及定期保養由工程部負責,并記錄在《模具維修保養記錄表》中。5.8記錄保存:依《質量記錄管理程序》進行。6.相關文件6.1《資源管理程序》6.2《質量記錄管理程序》7.表單7.1<設備驗收單>7.2<設備清單>7.3<設備檔案>7.4<設備保養記錄表>7.5<申購單>7.6<模具清單>7.7<模具維修/保養記錄表>7.8<報廢申請單>8.附件8.1生產設備管理流程圖8.2設備維修管理流程圖附件一:生產設備管理流程圖附件二:設備維修管理流程圖增補申請書總經理審批申請報廢使用設備檔案安裝驗收設備清單驗收單日常保養采購部/香港營業部報廢維修不定期保養定期保養現場分析申請維修使用/保養列入檔案第3页共3页第2页共3页编号:时间:2021年x月x日书山有路勤为径,学海无涯苦作舟页码:第3页共3页NoYesOKNoOKNo副總審批安排維修填寫申購單HK/採購部列入檔案外協維修是否采購材料/配件是否OK是否OK報廢申請

1、当您付费下载文档后,您只拥有了使用权限,并不意味着购买了版权,文档只能用于自身使用,不得用于其他商业用途(如 [转卖]进行直接盈利或[编辑后售卖]进行间接盈利)。
2、本站所有内容均由合作方或网友上传,本站不对文档的完整性、权威性及其观点立场正确性做任何保证或承诺!文档内容仅供研究参考,付费前请自行鉴别。
3、如文档内容存在违规,或者侵犯商业秘密、侵犯著作权等,请点击“违规举报”。

碎片内容

生产设备管理程序a

确认删除?
VIP
微信客服
  • 扫码咨询
会员Q群
  • 会员专属群点击这里加入QQ群
客服邮箱
回到顶部