电脑桌面
添加小米粒文库到电脑桌面
安装后可以在桌面快捷访问

(A9)安全检查与纠正VIP免费

(A9)安全检查与纠正_第1页
1/204
(A9)安全检查与纠正_第2页
2/204
(A9)安全检查与纠正_第3页
3/204
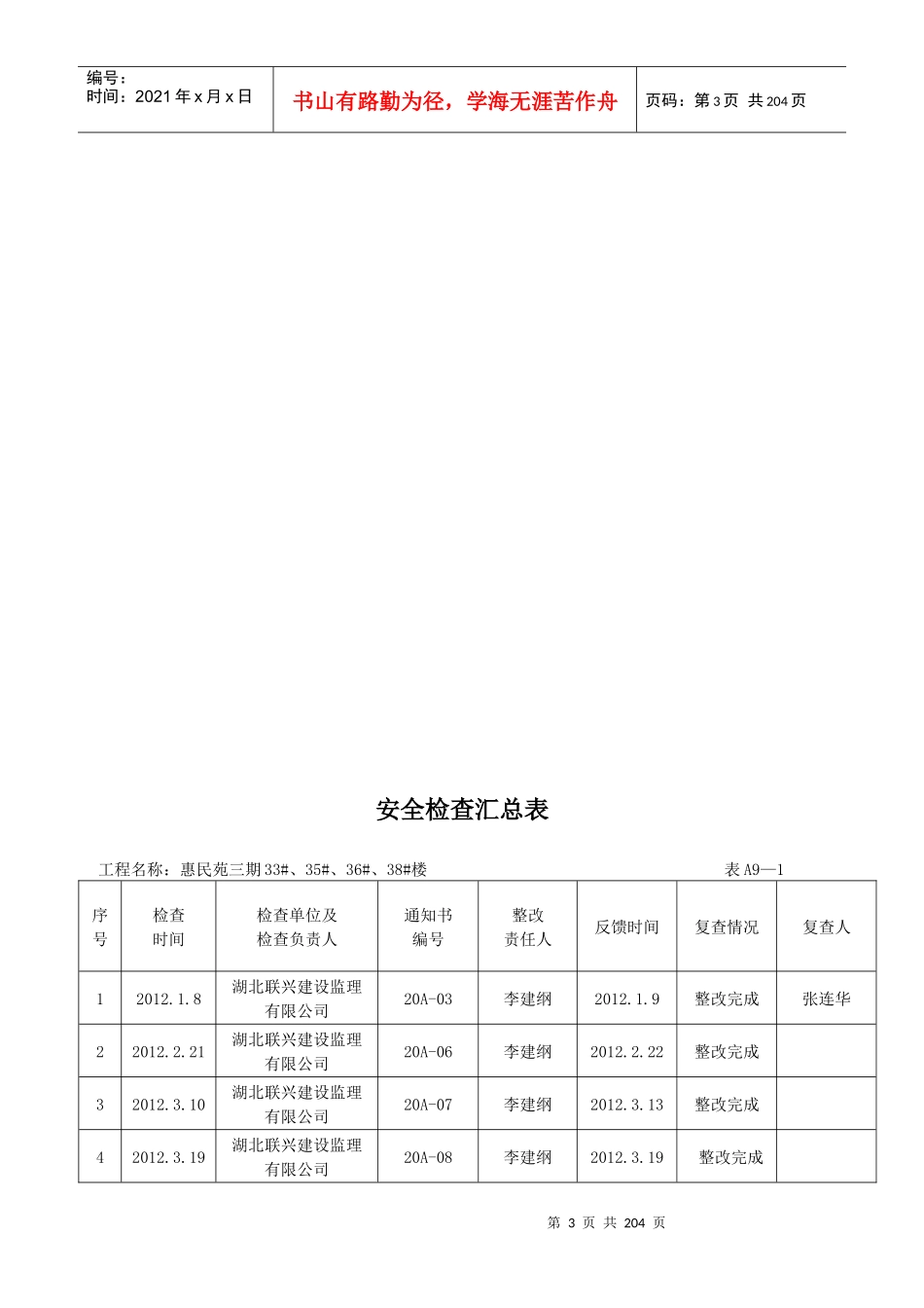
第1页共204页编号:时间:2021年x月x日书山有路勤为径,学海无涯苦作舟页码:第1页共204页建筑施工安全管理资料A9安全检查与纠正安管A-9第2页共204页第1页共204页编号:时间:2021年x月x日书山有路勤为径,学海无涯苦作舟页码:第2页共204页目录1、安全检查汇总表2、项目安全检查记录表3、隐患整改通知书4、隐患整改情况反馈单5、安全奖罚台帐6、安全罚款通知单7、项目安全会议记录8、项目安全生产责任制考核记录9、项目经理安全生产责任制考核记录10、项目技术负责人安全生产责任制考核记录11、项目安全员安全生产责任制考核记录12、项目施工员安全生产责任制考核记录13、项目质检员安全生产责任制考核记录14、项目材料员安全生产责任制考核记录15、项目班组长安全生产责任制考核记录16、机械项目管理员安全生产责任制考核记录17、项目保卫消防员安全生产责任制考核记录18、安全员工作日志19、电工巡视维修工作记录第3页共204页第2页共204页编号:时间:2021年x月x日书山有路勤为径,学海无涯苦作舟页码:第3页共204页安全检查汇总表工程名称:惠民苑三期33#、35#、36#、38#楼表A9—1序号检查时间检查单位及检查负责人通知书编号整改责任人反馈时间复查情况复查人12012.1.8湖北联兴建设监理有限公司20A-03李建纲2012.1.9整改完成张连华22012.2.21湖北联兴建设监理有限公司20A-06李建纲2012.2.22整改完成32012.3.10湖北联兴建设监理有限公司20A-07李建纲2012.3.13整改完成42012.3.19湖北联兴建设监理有限公司20A-08李建纲2012.3.19整改完成第4页共204页第3页共204页编号:时间:2021年x月x日书山有路勤为径,学海无涯苦作舟页码:第4页共204页52012.3.31湖北联兴建设监理有限公司20A-09李建纲2012.4.5整改完成李62012.4.16湖北联兴建设监理有限公司20A-11李建纲2012.4.18整改完成72012.5.25湖北联兴建设监理有限公司20A-14李建纲8910111213141516项目安全检查记录表检查类型:月检表A9—2单位名称工程名称检查时间检查内容或部位施工现场及人员安全情况参加检查人员第5页共204页第4页共204页编号:时间:2021年x月x日书山有路勤为径,学海无涯苦作舟页码:第5页共204页检查记录:记录人:检查结论:检查负责人:复查情况:复查负责人:年月日项目安全检查记录表检查类型:月检表A9—2单位名称工程名称检查时间检查内容或部位第6页共204页第5页共204页编号:时间:2021年x月x日书山有路勤为径,学海无涯苦作舟页码:第6页共204页参加检查人员检查记录:1、对工人交底针对性不强,有一人未持操作证上岗。2、施工现场排水不通畅,现场有积水现象,材料堆放不整齐。3、木工支模不按规定设置纵横向支撑,模板堆放不整齐。4、有一人在施工现场未戴安全帽,5、6#楼东边基坑边有一处防护不严密。5、有一个配电箱漏电保护装置参数不匹配,无电工巡视记录。6、钢筋切断机通电无人班守。记录人:陈立新检查结论:责令有关人员进行整改。检查负责人:复查情况:已按要求整改到位,复查合格。复查负责人:年月日项目安全检查记录表检查类型:月检表A9—2单位名称武汉鸣辰建设集团有限公司工程名称九立中城·长青国际检查时间2011年11月2日第7页共204页第6页共204页编号:时间:2021年x月x日书山有路勤为径,学海无涯苦作舟页码:第7页共204页检查内容或部位施工现场安全情况检查参加检查人员汪浩、周顺章、肖喆、胡建林、吴宝、胡雪庭、丁元茂检查记录:1、3#楼三层不按规定设置纵横向支撑,模板堆放不整齐。2、2#楼楼梯有一处防护不严密。7、5#楼有一处安全立网防护不严密。记录人:肖喆检查结论:责令有关人员进行整改。检查负责人:汪浩复查情况:已按要求整改到位,复查合格。复查负责人:汪浩2011年11月3日项目安全检查记录表检查类型:月检表A9—2第8页共204页第7页共204页编号:时间:2021年x月x日书山有路勤为径,学海无涯苦作舟页码:第8页共204页单位名称武汉鸣辰建设集团有限公司工程名称九立中城·长青国际检查时间2011年10月2日检查内容或部位施工现场安全情况检查参加检查人员汪浩、周顺章、吴宝、肖喆、胡建林、胡雪庭检查记录:1、架子工交底针对性不强,有一人未持证上岗。2、2...

1、当您付费下载文档后,您只拥有了使用权限,并不意味着购买了版权,文档只能用于自身使用,不得用于其他商业用途(如 [转卖]进行直接盈利或[编辑后售卖]进行间接盈利)。
2、本站所有内容均由合作方或网友上传,本站不对文档的完整性、权威性及其观点立场正确性做任何保证或承诺!文档内容仅供研究参考,付费前请自行鉴别。
3、如文档内容存在违规,或者侵犯商业秘密、侵犯著作权等,请点击“违规举报”。

碎片内容

(A9)安全检查与纠正

您可能关注的文档

确认删除?
VIP
微信客服
  • 扫码咨询
会员Q群
  • 会员专属群点击这里加入QQ群
客服邮箱
回到顶部