电脑桌面
添加小米粒文库到电脑桌面
安装后可以在桌面快捷访问

宁波市机械制造企业安全生产标准化达标评定办法VIP免费

宁波市机械制造企业安全生产标准化达标评定办法_第1页
1/3
宁波市机械制造企业安全生产标准化达标评定办法_第2页
2/3
宁波市机械制造企业安全生产标准化达标评定办法_第3页
3/3
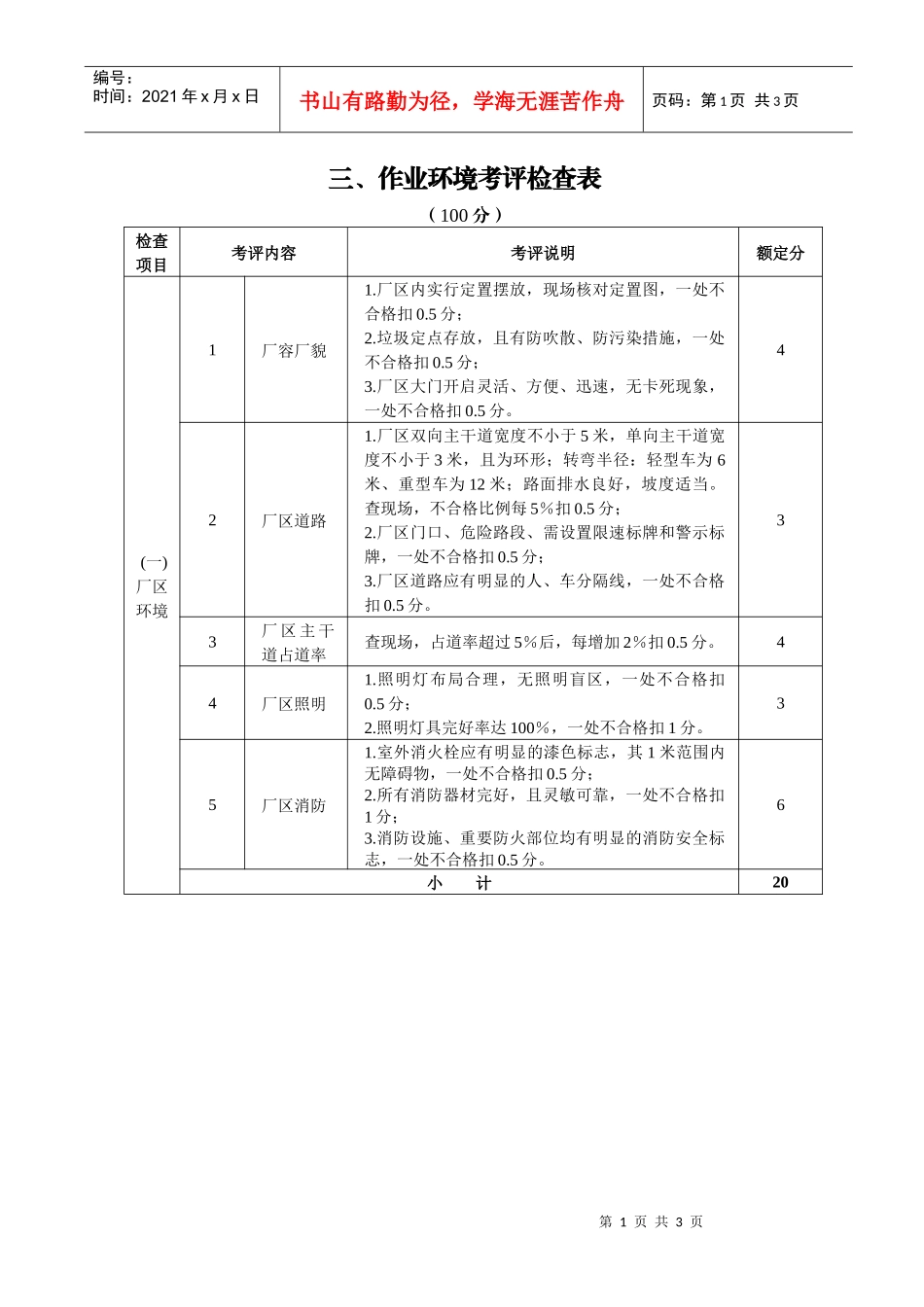
第1页共3页编号:时间:2021年x月x日书山有路勤为径,学海无涯苦作舟页码:第1页共3页三、作业环境考评检查表(100分)检查项目考评内容考评说明额定分(一)厂区环境1厂容厂貌1.厂区内实行定置摆放,现场核对定置图,一处不合格扣0.5分;2.垃圾定点存放,且有防吹散、防污染措施,一处不合格扣0.5分;3.厂区大门开启灵活、方便、迅速,无卡死现象,一处不合格扣0.5分。42厂区道路1.厂区双向主干道宽度不小于5米,单向主干道宽度不小于3米,且为环形;转弯半径:轻型车为6米、重型车为12米;路面排水良好,坡度适当。查现场,不合格比例每5%扣0.5分;2.厂区门口、危险路段、需设置限速标牌和警示标牌,一处不合格扣0.5分;3.厂区道路应有明显的人、车分隔线,一处不合格扣0.5分。33厂区主干道占道率查现场,占道率超过5%后,每增加2%扣0.5分。44厂区照明1.照明灯布局合理,无照明盲区,一处不合格扣0.5分;2.照明灯具完好率达100%,一处不合格扣1分。35厂区消防1.室外消火栓应有明显的漆色标志,其1米范围内无障碍物,一处不合格扣0.5分;2.所有消防器材完好,且灵敏可靠,一处不合格扣1分;3.消防设施、重要防火部位均有明显的消防安全标志,一处不合格扣0.5分。6小计20第2页共3页第1页共3页编号:时间:2021年x月x日书山有路勤为径,学海无涯苦作舟页码:第2页共3页检查项目考评内容考评说明额定分(二)车间作业环境1定置摆放1.车间实行定置摆放,现场核对定置图,一处不合格扣1分;2.工位器具、料箱摆放整齐、平稳,高度合适,沿人行通道两边不得有突出或锐边物品,一处不合格扣1分;3.危险部位应设置安全标志,一处不合格扣1分。152车间通道1.车行道(厂内叉车等)、人行道宽度符合标准,且通道线明显清晰,一处不合格扣0.2分;2.路面平坦,无积油积水,无绊脚物,一处不合格扣0.2分;3.占道率低于5%,每增加2%扣0.5分;4.车行道、人行道上方悬挂物高度符合标准,且牢固可靠,一处不合格扣0.2分。43作业区域地面状况1.地面平整,无障碍物和绊脚物,坑、壕、池应设置盖板或护栏,一处不合格扣0.5分;2.地面无积水、积油或垃圾杂物,一处不合格扣0.5分;3.脚踏板应完好,牢固且防滑,一处不合格扣0.5分。54车间采光1.生产作业点、工作台面和安全通道普通采光照度符合标准,一处不合格扣0.2分;2.照明灯具完好率达100%,一处不合格扣0.5分。35车间消防设施1.按规定配备消防器材,且灵敏可靠,一处不合格扣0.5分;2.消防器材和防火部位均设置明显标志,一处不合格扣0.5分。46设备设施布局1.设备设施与墙、柱间以及设备设施之间应留有足够的距离,或安全隔离,一处不合格扣0.5分;2.各种操作部位、观察部位应符合人机工程的距离要求,一处不合格扣0.2分。4小计351仓库通道1.车行道、人行道宽度符合标准,一处不合格扣0.2分;2.路面平坦,无积油积水,无绊脚物,一处不合格扣0.5分;3.占道率小于5%,每增加5%扣0.5分。32仓库采光1.作业点和安全通道采光符合标准,一处不合格扣0.2分;2.照明灯具完好率达100%,凡有易燃物的地方应采取防爆措施,一处不合格扣1分。3仓库消防设施1.防火制度齐全,消防设施标识及防火安全标志准确、齐全;2.按规定的数量和种类配备消防器材,且灵敏可靠。3.消防通道畅通;上述条款一处不合格扣1分。第3页共3页第2页共3页编号:时间:2021年x月x日书山有路勤为径,学海无涯苦作舟页码:第3页共3页(三)仓库4物品储存1.物品应分类储存,定置区域线清晰,数量和区域不超限,一处不合格扣0.5分;2.物品存放平稳,便于移动,不超高垛放,一处不合格扣0.5分;3.物品存放区与墙距、梁距、柱距,以及物品之间应符合安全距离的要求,一处不合格扣0.5分。6小计15检查项目考评内容考评说明额定分(四)危险化学品使用现场1现场安全条件1.作业现场应与明火区、高温区保持足够的安全距离,一处不合格扣全分;2.作业现场应设有安全告示牌,标明该作业区危险化学品的特性、操作安全要点、应急预案等,一处不合格扣2分;3.凡产生毒物的作业现场应设有稀释水源,且备有公用的防毒面具和防毒服,一处不合格扣2分;4.作业现场应有安全警示标志,一处不合格扣0.5分。102现...

1、当您付费下载文档后,您只拥有了使用权限,并不意味着购买了版权,文档只能用于自身使用,不得用于其他商业用途(如 [转卖]进行直接盈利或[编辑后售卖]进行间接盈利)。
2、本站所有内容均由合作方或网友上传,本站不对文档的完整性、权威性及其观点立场正确性做任何保证或承诺!文档内容仅供研究参考,付费前请自行鉴别。
3、如文档内容存在违规,或者侵犯商业秘密、侵犯著作权等,请点击“违规举报”。

碎片内容

宁波市机械制造企业安全生产标准化达标评定办法

确认删除?
VIP
微信客服
  • 扫码咨询
会员Q群
  • 会员专属群点击这里加入QQ群
客服邮箱
回到顶部