电脑桌面
添加小米粒文库到电脑桌面
安装后可以在桌面快捷访问

企业管理表格生产管理F纵表格VIP免费

企业管理表格生产管理F纵表格_第1页
1/18
企业管理表格生产管理F纵表格_第2页
2/18
企业管理表格生产管理F纵表格_第3页
3/18
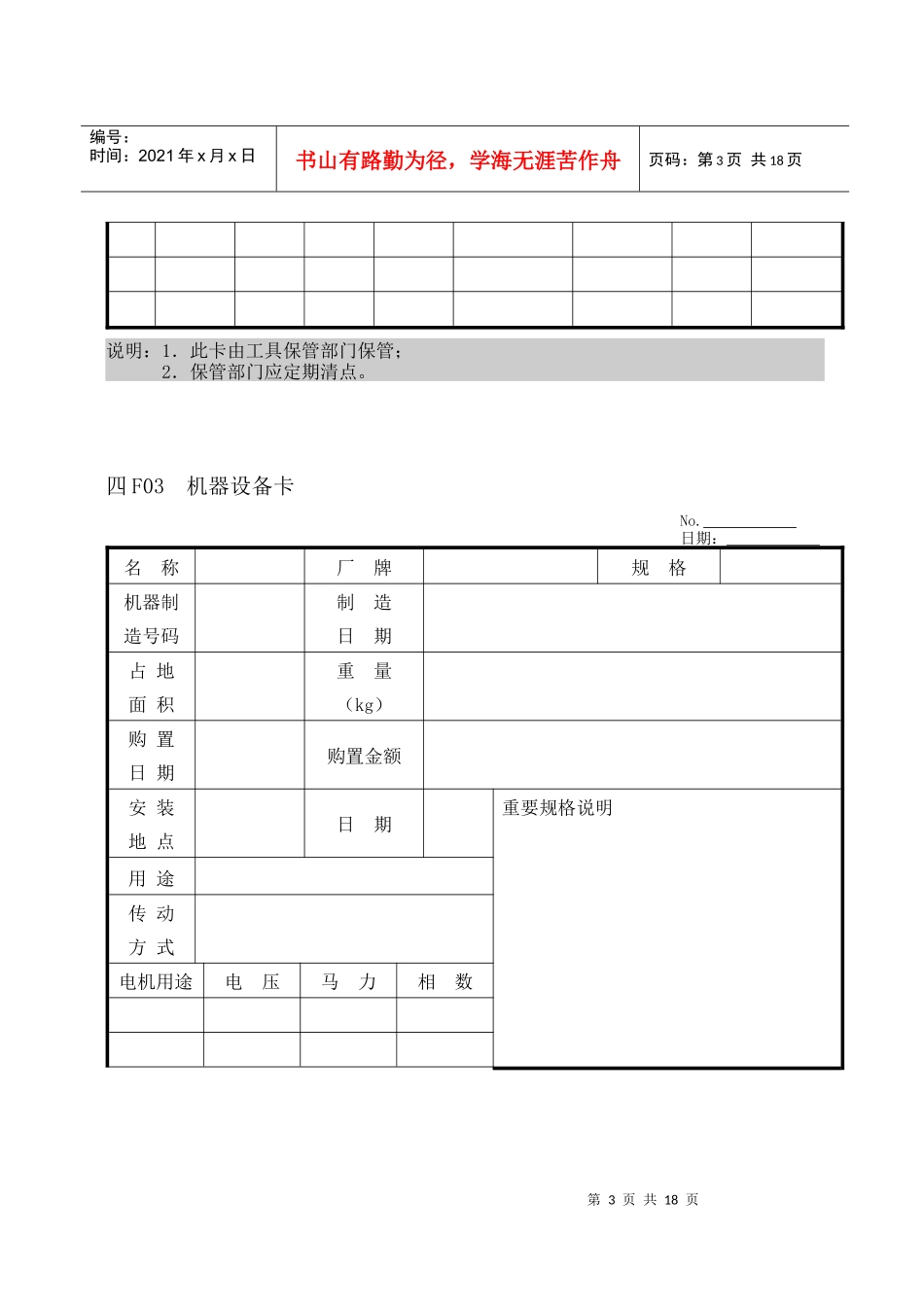
第1页共18页编号:时间:2021年x月x日书山有路勤为径,学海无涯苦作舟页码:第1页共18页四F01工、模具登记表保管部门:页次:日期凭证号码编号领用缴回会计数量经办签章新品堪用堪用废品第2页共18页第1页共18页编号:时间:2021年x月x日书山有路勤为径,学海无涯苦作舟页码:第2页共18页登记人:四F02个人工具借用卡No.姓名:项次工具名称规格借用数量借用日期预定归还日期借用者签名实际归还经办者签名第3页共18页第2页共18页编号:时间:2021年x月x日书山有路勤为径,学海无涯苦作舟页码:第3页共18页说明:1.此卡由工具保管部门保管;2.保管部门应定期清点。四F03机器设备卡No.日期:名称厂牌规格机器制造号码制造日期占地面积重量(kg)购置日期购置金额安装地点日期重要规格说明用途传动方式电机用途电压马力相数第4页共18页第3页共18页编号:时间:2021年x月x日书山有路勤为径,学海无涯苦作舟页码:第4页共18页附件名称数量备注审核:制卡:四F04机器设备预防保养卡月份:机器名称编号使用部门一级保养责任者二级保养责任者二级保养频度保养记录保养项目日期备注(签名)早午夜早午夜早午夜早午夜早午夜早午夜123456第5页共18页第4页共18页编号:时间:2021年x月x日书山有路勤为径,学海无涯苦作舟页码:第5页共18页789101112131415161718192021222324说明:1.每日由一级保养责任者保养;2.二级责任者不定期检查;3.符号:良,△尚可,不良。四F06机器设备使用说明书No.制表日期:机器名称(中文)(英文)第6页共18页第5页共18页编号:时间:2021年x月x日书山有路勤为径,学海无涯苦作舟页码:第6页共18页产地厂牌规格购置日期价格操作说明程序操作方法注意要点说明:1.每一部机器设备应附有操作使用说明书;2.作为教育新手使用。四F07机器设备性能及消耗动力表机器名称:(中)(英)第7页共18页第6页共18页编号:时间:2021年x月x日书山有路勤为径,学海无涯苦作舟页码:第7页共18页制造厂商:原厂编号:机器规格性能(1)最大机速:(2)使用机速:(3)材料规范:(4)最高产量(5)正常产量(6)机器尺寸(7)其他:动力消耗量(1)电力:(2)压缩空气:(3)水量图纸审核:填表:四F08空气压缩机定期查检表月份第8页共18页第7页共18页编号:时间:2021年x月x日书山有路勤为径,学海无涯苦作舟页码:第8页共18页编号规格使用部门责任保养部门检验日期检验项目不良状况处理检查者123456789101112131415161718第9页共18页第8页共18页编号:时间:2021年x月x日书山有路勤为径,学海无涯苦作舟页码:第9页共18页说明:检查符号良△尚可不良四F09计量仪器校验记录卡No.仪器名称编号使用部门校验部门校验项目校验方法校验周期年度计划校验日期校验记录:日期校验数据修正值校验者下次校验日期备注说明:1.计量仪器应定期校验;第10页共18页第9页共18页编号:时间:2021年x月x日书山有路勤为径,学海无涯苦作舟页码:第10页共18页2.下次检验时间应明示于计量仪器明显位置。四F10机器设备消费性部件资料表机器名称(设备)厂牌(规格)台数项次部件名称厂牌/规格1件使用时间常备安全存量备注123456789101112131415161718第11页共18页第10页共18页编号:时间:2021年x月x日书山有路勤为径,学海无涯苦作舟页码:第11页共18页19202122建立日期修正履历次数日期四F13设备故障检修表No.日期:设备名称设备编号使用部门检修日期故障原因检修情况实际停机时数估计生产损失实际修理时数人工耗费人数:人工时:时第12页共18页第11页共18页编号:时间:2021年x月x日书山有路勤为径,学海无涯苦作舟页码:第12页共18页检修验收主管/日期:记录:四F14设备检修履历卡部门:No.设备名称设备编号型号/规格制造厂家制造日期入厂日期安装地点使用部门检修记录:日期停机时间故障原因及处理经过修理费用检修人第13页共18页第12页共18页编号:时间:2021年x月x日书山有路勤为径,学海无涯苦作舟页码:第13页共18页记录人:四F15协作厂商资料卡共2页第1页一、组织及状况1.名称2.类型:□国营□私营□外资3.地址:(1)公司:(2)工厂:4.业务范围:5.登记资本:6...

1、当您付费下载文档后,您只拥有了使用权限,并不意味着购买了版权,文档只能用于自身使用,不得用于其他商业用途(如 [转卖]进行直接盈利或[编辑后售卖]进行间接盈利)。
2、本站所有内容均由合作方或网友上传,本站不对文档的完整性、权威性及其观点立场正确性做任何保证或承诺!文档内容仅供研究参考,付费前请自行鉴别。
3、如文档内容存在违规,或者侵犯商业秘密、侵犯著作权等,请点击“违规举报”。

碎片内容

企业管理表格生产管理F纵表格

确认删除?
VIP
微信客服
  • 扫码咨询
会员Q群
  • 会员专属群点击这里加入QQ群
客服邮箱
回到顶部