电脑桌面
添加小米粒文库到电脑桌面
安装后可以在桌面快捷访问

班前安全活动VIP免费

班前安全活动_第1页
1/9
班前安全活动_第2页
2/9
班前安全活动_第3页
3/9
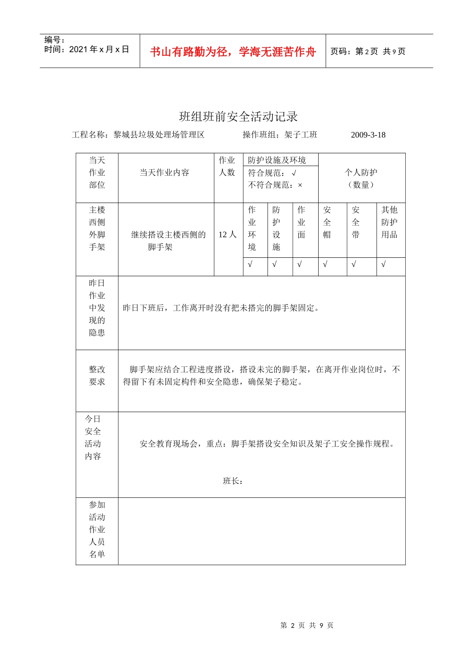
第1页共9页编号:时间:2021年x月x日书山有路勤为径,学海无涯苦作舟页码:第1页共9页班前安全活动班组班前安全活动制度班前安全活动,是安全管理的一个重要环节,是提高职工安全意识,做到遵章守纪,实现安全生产的途径。为了认真贯彻“生产必须安全”的原则,进一步强化施工过程中的安全生产管理,从根本上提高职工的自我保护意识,达到人人讲安全,人人管安全的目的,实现安全生产,特制订本制度。1.各班组必须领会班前活动制度的意义,掌握自己工种的安全技术内容,并能熟练运用。2.对新工艺、新技术、新设备或特殊部位的施工,应组织对安全技术操作规程及有关资料的学习。3.班前安全活动作为安全生产考核的一项指标,公司分管安全经理、安全科将不定时抽查班组班前安全活动情况并记录打分。每月安全科在安全检查中此项将作为一个分项进行检查。班前安全活动不合格单位不能参加先进班组的评选;负责人不能参加安全生产标兵及先进工作者的评选。4.对班前使用的机械设备、施工机具、安全防护用品、设施、周围环境等要认真进行检查,确认安全完好,才能使用和进行作业。5.工地负责人在每天早晨上班前15min,要抽出时间召开班组长安全例会,总结前一天安全施工情况,结合当天任务,在布置生产任务的同时,应同时布置安全工作,要针对不同工种的实际情况或操作时的位置进行安全交底,使班组人员能够从思想上引起高度重视。6.班组长每月5日前要将上个月安全活动记录交给安全远,安全员检查登记并提出改进意见之后交资料员保管。7.对于危险性较大的施工项目,除了制订有针对性的安全技术措施及施工方案外,还应组织召开由全体操作人员参加的安全会议,交代施工中应注意的安全问题克服冒险蛮干,违章指挥,确保安全生产。8.班前安全活动上,应对头一天的安全情况作出总结。9.各班组长在安排操作工人上岗前,应对作业面进行依次全面检查,并针对当日的施工部位,操作中应注意的事项,向操作人员进行详细的安全技术交底,使操作人员上岗前具备较强的安全意识。10.分析工人的安全思想动态及施工现场安全生产形势,表扬好人好事和需推广的先进安全技术及应吸取的教训。11.每个班组每天上班前由班长认真组织全般人员进行安全活动,并做好交底和记录。第2页共9页第1页共9页编号:时间:2021年x月x日书山有路勤为径,学海无涯苦作舟页码:第2页共9页班组班前安全活动记录工程名称:黎城县垃圾处理场管理区操作班组;架子工班2009-3-18当天作业部位当天作业内容作业人数防护设施及环境个人防护(数量)符合规范:√不符合规范:×主楼西侧外脚手架继续搭设主楼西侧的脚手架12人作业环境防护设施作业面安全帽安全带其他防护用品√√√√√√昨日作业中发现的隐患昨日下班后,工作离开时没有把未搭完的脚手架固定。整改要求脚手架应结合工程进度搭设,搭设未完的脚手架,在离开作业岗位时,不得留下有未固定构件和安全隐患,确保架子稳定。今日安全活动内容安全教育现场会,重点:脚手架搭设安全知识及架子工安全操作规程。班长:参加活动作业人员名单第3页共9页第2页共9页编号:时间:2021年x月x日书山有路勤为径,学海无涯苦作舟页码:第3页共9页安全例会记录工程名称:黎城县垃圾处理场管理区施工单位:安阳城建建设集团有限公司黎城分公司会议时间2009-3-18会议地点工地会议室会议内容落实安全月具体检查工作参加人数人会议范围项目部全体成员各分包单位负责人主持人王孝木第4页共9页第3页共9页编号:时间:2021年x月x日书山有路勤为径,学海无涯苦作舟页码:第4页共9页会议记录记录人:班组班前安全活动及周讲评记录工程名称河南城建建设集团有限公司黎城分公司班组名称装饰班工种抹灰班组人员名单:周一纪录今天工作内容为一层外墙粉饰,郝烟秀操作灰浆搅拌机,郝西恩负责灰浆运送,其他人员粉饰,注意事项:1.灰浆搅拌机操作前,应先检查电气设备、漏电保护器和可靠的接零和重复接地保护、传动部分、安全保护装置齐全有效,确认无误后方准作业;如出现故障应停机检查,严禁在机械运转过程中,把手或其他物件深入搅拌筒内;作业第5页共9页第4页共9页编号:时间:2021年x月x日书...

1、当您付费下载文档后,您只拥有了使用权限,并不意味着购买了版权,文档只能用于自身使用,不得用于其他商业用途(如 [转卖]进行直接盈利或[编辑后售卖]进行间接盈利)。
2、本站所有内容均由合作方或网友上传,本站不对文档的完整性、权威性及其观点立场正确性做任何保证或承诺!文档内容仅供研究参考,付费前请自行鉴别。
3、如文档内容存在违规,或者侵犯商业秘密、侵犯著作权等,请点击“违规举报”。

碎片内容

班前安全活动

确认删除?
VIP
微信客服
  • 扫码咨询
会员Q群
  • 会员专属群点击这里加入QQ群
客服邮箱
回到顶部