电脑桌面
添加小米粒文库到电脑桌面
安装后可以在桌面快捷访问

浅谈特种设备制造许可VIP专享VIP免费

浅谈特种设备制造许可_第1页
1/7
浅谈特种设备制造许可_第2页
2/7
浅谈特种设备制造许可_第3页
3/7
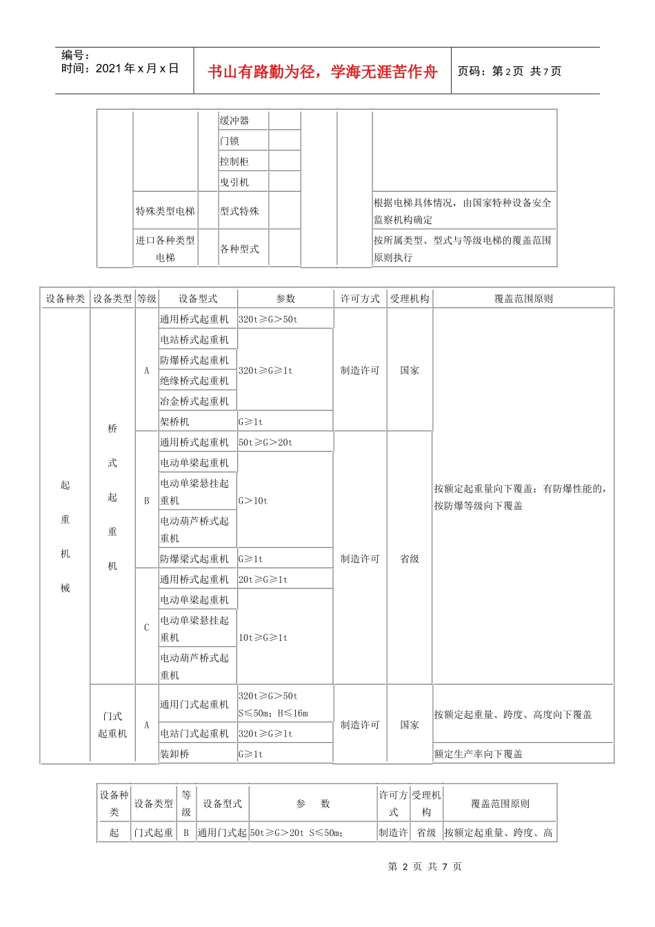
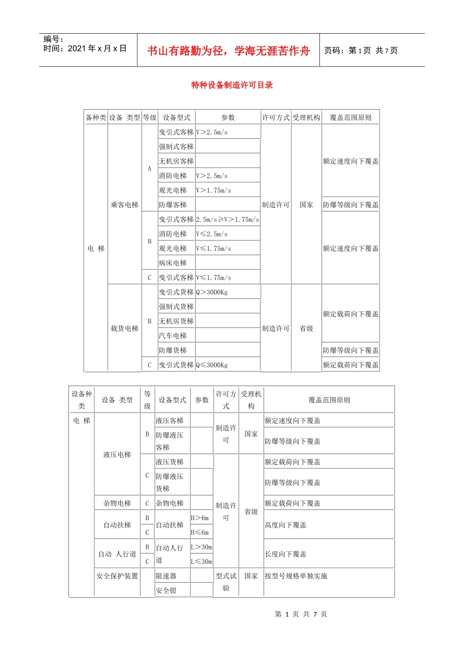
第1页共7页编号:时间:2021年x月x日书山有路勤为径,学海无涯苦作舟页码:第1页共7页特种设备制造许可目录备种类设备类型等级设备型式参数许可方式受理机构覆盖范围原则电梯乘客电梯A曳引式客梯V>2.5m/s制造许可国家额定速度向下覆盖强制式客梯无机房客梯消防电梯V>2.5m/s观光电梯V>1.75m/s防爆客梯防爆等级向下覆盖B曳引式客梯2.5m/s≥V>1.75m/s额定速度向下覆盖消防电梯V≤2.5m/s观光电梯V≤1.75m/s病床电梯C曳引式客梯V≤1.75m/s载货电梯B曳引式货梯Q>3000Kg制造许可省级额定载荷向下覆盖强制式货梯无机房货梯汽车电梯防爆货梯防爆等级向下覆盖C曳引式货梯Q≤3000Kg额定载荷向下覆盖设备种类设备类型等级设备型式参数许可方式受理机构覆盖范围原则电梯液压电梯B液压客梯制造许可国家额定速度向下覆盖防爆液压客梯防爆等级向下覆盖C液压货梯制造许可省级额定载荷向下覆盖防爆液压货梯防爆等级向下覆盖杂物电梯C杂物电梯额定载荷向下覆盖自动扶梯B自动扶梯H>6m高度向下覆盖CH≤6m自动人行道B自动人行道L>30m长度向下覆盖CL≤30m安全保护装置限速器型式试验国家按型号规格单独实施安全钳第2页共7页第1页共7页编号:时间:2021年x月x日书山有路勤为径,学海无涯苦作舟页码:第2页共7页缓冲器门锁控制柜曳引机特殊类型电梯型式特殊根据电梯具体情况,由国家特种设备安全监察机构确定进口各种类型电梯各种型式按所属类型、型式与等级电梯的覆盖范围原则执行设备种类设备类型等级设备型式参数许可方式受理机构覆盖范围原则起重机械桥式起重机A通用桥式起重机320t≥G>50t制造许可国家按额定起重量向下覆盖;有防爆性能的,按防爆等级向下覆盖电站桥式起重机320t≥G≥1t防爆桥式起重机绝缘桥式起重机冶金桥式起重机架桥机G≥1tB通用桥式起重机50t≥G>20t制造许可省级电动单梁起重机G>10t电动单梁悬挂起重机电动葫芦桥式起重机防爆梁式起重机G≥1tC通用桥式起重机20t≥G≥1t电动单梁起重机10t≥G≥1t电动单梁悬挂起重机电动葫芦桥式起重机门式起重机A通用门式起重机320t≥G>50tS≤50m;H≤16m制造许可国家按额定起重量、跨度、高度向下覆盖电站门式起重机320t≥G≥1t装卸桥G≥1t额定生产率向下覆盖设备种类设备类型等级设备型式参数许可方式受理机构覆盖范围原则起门式起重B通用门式起50t≥G>20tS≤50m;制造许省级按额定起重量、跨度、高第3页共7页第2页共7页编号:时间:2021年x月x日书山有路勤为径,学海无涯苦作舟页码:第3页共7页重机械机重机H≤16m可度向下覆盖C通用门式起重机20t≥G≥1tS≤50m;H≤16m塔式起重机A普通塔式起重机315tm≥G·R>63tm制造许可国家额定起重力矩向下覆盖电站塔式起重机G·R≤4000tm塔式皮带布料机额定生产率向下覆盖B普通塔式起重机63tm≥G·R>40tm制造许可省级额定起重力矩向下覆盖C普通塔式起重机G·R≤40tm流动式起重机A轮胎起重机900tm≥G·R>200tm60t≥G>20t制造许可国家额定起重量、额定起重力矩向下覆盖履带起重机1200tm≥G·R>300tm100t≥G>40tB轮胎起重机G·R≤200tmG≤20t制造许可省级履带起重机G·R≤300tmG≤40t汽车起重机G≥1t型式试验国家随车起重机设备种类设备类型等级设备型式参数许可方式受理机构覆盖范围原则起重机械铁路起重机A蒸汽铁路起重机320t≥G>60t制造许可国家额定起重量向下覆盖内燃铁路起重机电力铁路起重机G≥1tB蒸汽铁路起重机60t≥G>1t制造许可省级内燃铁路起重机门座起重机A门座式起重机60t≥G>1t制造许可国家额定起重量、额定起重力矩向下覆盖电站门座起重机G·R≤2000tmB港口台架起重机G≥1t制造许可省级固定式起重机升降机A曲线施工升降机G≥0.5t制造许可国家额定起重量向下覆盖锅炉炉膛检修平台钢索式液压提升第4页共7页第3页共7页编号:时间:2021年x月x日书山有路勤为径,学海无涯苦作舟页码:第4页共7页装置电站提滑模装置升船机B施工升降机制造许可省级额定速度向下覆盖简易升降机额定起重量向下覆盖升降作业平台高空作业车型式试验国家设备种类设备类型等级设备型式参数许可方式受理机构覆盖范围原则起重机械缆索起重机A固定式缆索起重机G≥1t制造许可国家额定起重量向下覆盖摇摆式缆索...

1、当您付费下载文档后,您只拥有了使用权限,并不意味着购买了版权,文档只能用于自身使用,不得用于其他商业用途(如 [转卖]进行直接盈利或[编辑后售卖]进行间接盈利)。
2、本站所有内容均由合作方或网友上传,本站不对文档的完整性、权威性及其观点立场正确性做任何保证或承诺!文档内容仅供研究参考,付费前请自行鉴别。
3、如文档内容存在违规,或者侵犯商业秘密、侵犯著作权等,请点击“违规举报”。

碎片内容

浅谈特种设备制造许可

确认删除?
VIP
微信客服
  • 扫码咨询
会员Q群
  • 会员专属群点击这里加入QQ群
客服邮箱
回到顶部