电脑桌面
添加小米粒文库到电脑桌面
安装后可以在桌面快捷访问

钢结构施工技术交底记录VIP免费

钢结构施工技术交底记录_第1页
1/9
钢结构施工技术交底记录_第2页
2/9
钢结构施工技术交底记录_第3页
3/9
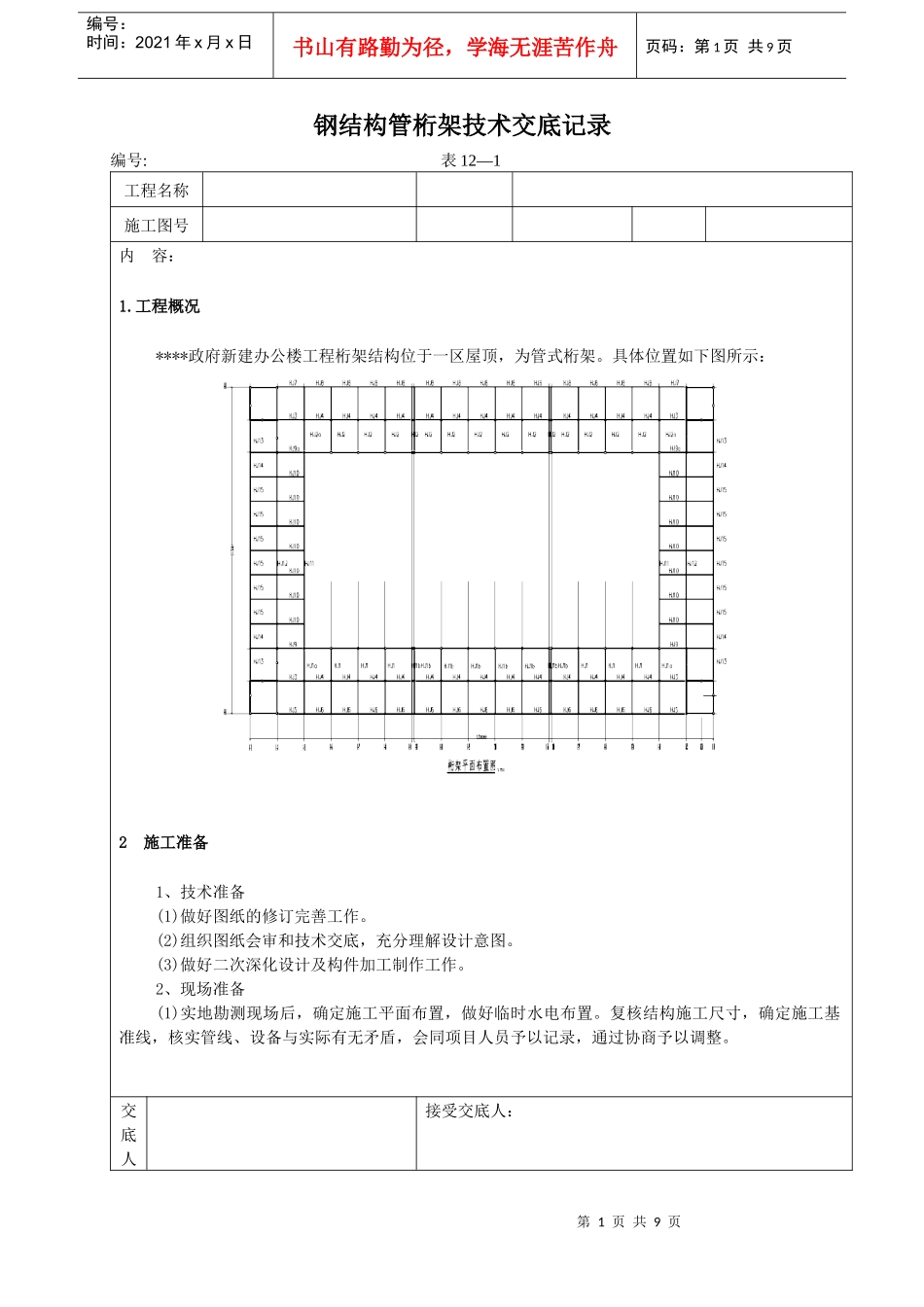
第1页共9页编号:时间:2021年x月x日书山有路勤为径,学海无涯苦作舟页码:第1页共9页钢结构管桁架技术交底记录编号:表12—1工程名称施工图号内容:1.工程概况****政府新建办公楼工程桁架结构位于一区屋顶,为管式桁架。具体位置如下图所示:2施工准备1、技术准备(1)做好图纸的修订完善工作。(2)组织图纸会审和技术交底,充分理解设计意图。(3)做好二次深化设计及构件加工制作工作。2、现场准备(1)实地勘测现场后,确定施工平面布置,做好临时水电布置。复核结构施工尺寸,确定施工基准线,核实管线、设备与实际有无矛盾,会同项目人员予以记录,通过协商予以调整。交底人接受交底人:第2页共9页第1页共9页编号:时间:2021年x月x日书山有路勤为径,学海无涯苦作舟页码:第2页共9页钢结构管桁架技术交底记录编号:表12—1工程名称施工图号内容:(2)将临时水、电按要求及规定接至需要位置。(3)安排解决施工人员住房、生产用房、生活用房和仓库。(4)清理现场的其它垃圾。(5)在现场对全员进行安全、防火、防盗、文明施工等一系列入场教育,做好开工准备。(6)施工机具准备进场,大型施工机具放在指定地点。3、材料准备根据施工进度计划,资金情况及现场的实际情况,做出材料计划和材料采购顺序计划,并按计划的先后顺序及时间订购材料、设备。4、预埋件复查首先进行35.700处预埋件标高及33.300处预埋件标高复查,复查原预埋件(钢板)上明显的纵横中心线及等高线,有预埋件交接通知单、测量成果表及标高,供安装单位复测检查,在检查确定无误的前提下,方可进行桁架吊装。3.管式桁架的现场拼装由于HJ11、HJ12管式桁架长达48.9m(按轴线计),高度39.5m,自重HJ11为9.74t,HJ12为28.93t,从鞍山运行长春路途遥远,因此需要分三段运输。3.1拼装场地的安排在1-E~1-P轴东西两侧靠近新建办公楼的正前方向面积53×6m,此两处地方必须场地平整,必要时须土建方配合。3.2现场拼装施工3.2.1预拼装平台的搭设选用H型钢2根一组,长度5m共计8组,地面超平后,形成一个预拼装平台。3.2.2管式桁架构件的对接首先按设计的挠度值(60mm)检查构件,然后用2台25t吊车把构件吊到预装平台上,找好水平和垂直度,利用管式桁架耳板准确定位,安装好连接板螺栓后再次检查管式桁架梁起拱挠度值(60mm),若符合以上要求可视为达到焊接条件,其次进行现场焊接连接,重点注意焊接工艺:a.焊接的准备工作(焊条选择与烘干以及坡口检查)b.焊接及质量检查,管与管对接焊缝必须达到设计要求。3.2.3吊点选择由于管式桁架安装高度标高在35.7米(高点),对于桁架HJ11、HJ12长48.90米,宽度3.95米,刚性较差,吊装容易产生变形,造成吊装困难,因此,吊点采用双吊四点正吊,吊点放在管式桁架上弦处,吊点距两端各12.25米,这样可以保持水平状态,容易校正。交底接受交底人:第3页共9页第2页共9页编号:时间:2021年x月x日书山有路勤为径,学海无涯苦作舟页码:第3页共9页人钢结构管桁架技术交底记录编号:表12—1工程名称施工图号内容:3.2.4桁架的安装3.2.4.1安装顺序1)先安装1-3至1-22轴的HJ2(HJ2A),其次安装HJ1(HJ1A,HJ1B),然后再安装1-3轴至1-22轴的HJ4、HJ5、HJ6、或HJ4、HJ7、HJ8。2)先安装1-E~1-P轴的HJ11,其次安装1-E~1-P轴的HJ12然后安装HJ10至HJ19。3)最后安装HJ13、HJ14、HJ15。水平支撑、檩条、拉条、斜杆与主桁架同步交叉施工。3.2.4.2安装方式利用75吨汽车吊(两台)在HJ11各12.25米处先试吊,然后缓慢将其吊起,将管式桁架落至混凝土柱预埋件处,待放稳后,利用楼面经纬仪对其水平度和中心进行测量,HJ12安装时,用125吨汽车吊(两台)同理安装,其他桁架依次采用不同的吊车(见吊车选用表,按顺序采用上述方法安装)。管式桁架吊车(台班)选用表序号名称及重量选用吊车吨位桁架榀数台班数1HJ12(28.9t)125t222HJ11(9.74t)75t223HJ1(1.20t)50t1644HJ2(1.23t)50t1645HJ9(2.41t)75t426HJ10(2.10t)75t1427HJ3(0.31t)50t4128HJ4(0.31t)50t269HJ5(0.25t)50t210HJ6(0.26t)50t1311HJ7(0.25t)50t212HJ8(0.26t)50t1313HJ13(0.59t)50t4414HJ14(0.41t)50t415HJ15(0.41t)50t123.2.4.3桁架的焊接找正后的桁架先...

1、当您付费下载文档后,您只拥有了使用权限,并不意味着购买了版权,文档只能用于自身使用,不得用于其他商业用途(如 [转卖]进行直接盈利或[编辑后售卖]进行间接盈利)。
2、本站所有内容均由合作方或网友上传,本站不对文档的完整性、权威性及其观点立场正确性做任何保证或承诺!文档内容仅供研究参考,付费前请自行鉴别。
3、如文档内容存在违规,或者侵犯商业秘密、侵犯著作权等,请点击“违规举报”。

碎片内容

钢结构施工技术交底记录

确认删除?
VIP
微信客服
  • 扫码咨询
会员Q群
  • 会员专属群点击这里加入QQ群
客服邮箱
回到顶部