电脑桌面
添加小米粒文库到电脑桌面
安装后可以在桌面快捷访问

安全台账第一本VIP免费

安全台账第一本_第1页
1/136
安全台账第一本_第2页
2/136
安全台账第一本_第3页
3/136
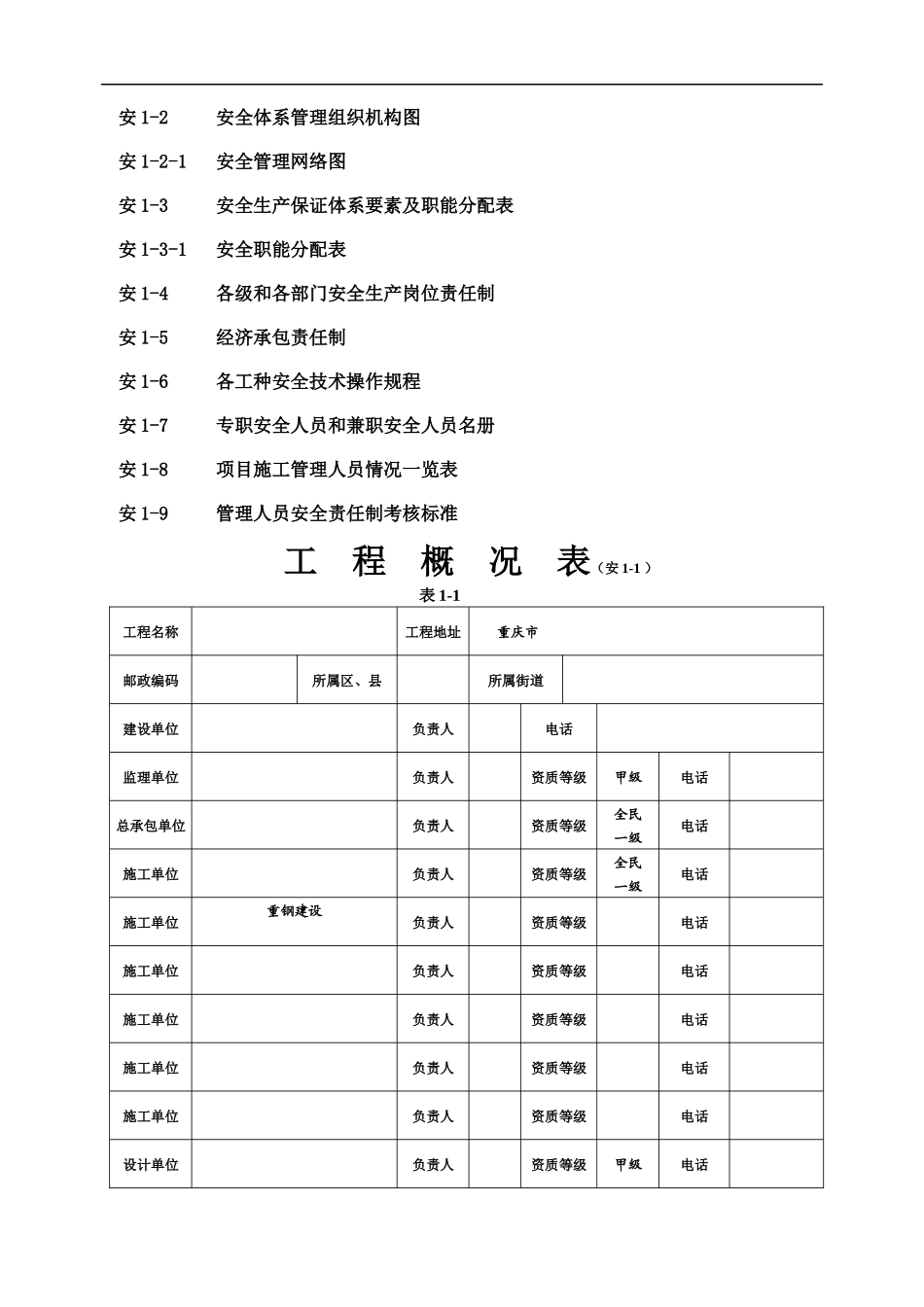
第一本安1安全生产岗位责任制目录代号名称页码安1-1工程概况表安1-1-1工程概况文字说明安1-1-2施工进度横道图安1-1-3消防设备平面布置图安1-2安全体系管理组织机构图安1-2-1安全管理网络图安1-3安全生产保证体系要素及职能分配表安1-3-1安全职能分配表安1-4各级和各部门安全生产岗位责任制安1-5经济承包责任制安1-6各工种安全技术操作规程安1-7专职安全人员和兼职安全人员名册安1-8项目施工管理人员情况一览表安1-9管理人员安全责任制考核标准工程概况表(安1-1)表1-1工程名称工程地址重庆市邮政编码所属区、县所属街道建设单位负责人电话监理单位负责人资质等级甲级电话总承包单位负责人资质等级全民一级电话施工单位负责人资质等级全民一级电话施工单位重钢建设负责人资质等级电话施工单位负责人资质等级电话施工单位负责人资质等级电话施工单位负责人资质等级电话施工单位负责人资质等级电话设计单位负责人资质等级甲级电话建筑面积或工作量层次地上结构地下工程总造价70(万元)开工日期2006-2-08计划竣工日期2006-08-15工程安全管理目标1.事故负伤率控制在1.5‰以下;2.杜绝死亡、火灾、交通管线设备等重大事故;3.市文明工地。受监登记日期2受监安监站重庆市沙区安监站电话工程概况文字说明(安1-1-1)一、建设地点及工程规模本工程位于重庆虎溪大学城科技学院新校区内,总建筑面积20836M2,建筑总高度23.6M,功能主要有厨房、大餐厅、学生活动中心多功能厅、交流休闲大厅、办公室、会议室和宿舍等,属于多层公共建筑。合同工期为138天,计划开工日期为2006年6月10日,计划竣工日期为2006年10月15日。二、主要建筑指标本工程主要建筑技术指标:建筑分类为丙类建筑,使用年限为50年,抗震等级为四级,按六度抗震烈度设防。结构安全等级为二级,地基基础设计等级为乙级,结构构件耐火等级为一级。三、建筑设计要求1、外墙:大部分外墙贴面砖及粗毛石贴面,部分墙面为玻璃幕墙、不锈钢包面及刷氟碳漆。2、内墙:卫生间、浴室、更衣室、厨房、开水间贴釉面砖,部分墙面为二次精装修,其余均为水泥砂浆粉面刷乳胶漆。3、楼地面:卫生间、浴室、更衣室、厨房、开水间、外廊贴防滑地砖;其余为地面花岗岩、地砖楼面、水泥砂浆楼面。5、天棚:门厅、多功能厅、学生活动用房、餐厅包间为纸面石膏板吊顶刷乳胶漆,卫生间、浴室、更衣室、厨房、开水间为轻钢龙骨铝合金方板吊顶,过道、外廊、餐厅为明龙骨矿棉板吊顶,其余房间为水泥砂浆粉面刷乳胶漆。6、门窗及油漆:门采用木门及铝合金门,窗采用铝合金窗,白铝,5mm厚白玻。所有木门内外面油漆为一底二面调合漆。7、屋面:采用30厚挤塑聚苯乙烯板保温层,3厚BAC双面自粘卷材防水层,上人屋面在防水层上浇筑40厚细石砼保护层,并在其上贴地面砖。四、结构设计要求1、基础结构:采用人工挖孔桩,桩径900~2200,桩及基础梁采用C25砼,基础梁垫层采用C15砼。2、主体结构:结构形式为三、四、五层砼现浇框架和钢结构,框架柱分方柱和圆柱两类,柱网尺寸为8.4*8.4M,截面尺寸分500×500、600×600、700×700三种,柱墙砼强度等级C40;框架梁最大截面尺寸400×1100,板厚120,楼面梁板砼强度等级C35。外墙为200厚页岩烧结空心砖,内墙为200和100厚页岩烧结空心砖,均采用M5水泥混合砂浆砌筑,地坪300以下采用页岩烧结砖(UM100)M5水泥砂浆砌筑。页岩空心砖的容重应小于8KN/M3。五、作业条件1、施工场地原为丘陵山坡,经开挖推平而成。周围居民早已拆迁,空中均无构筑物、电杆电线等到障碍物,地下无电缆、管道等。2、“三通一平”工作基本结束,基本具备开工条件。3、重庆属于亚热带湿润季风气候,夏季气温高、湿度大、风速小。一年四季多雨,对施工组织有一定的影响。六、给排水设计要求1、给水方式:水源由学院给水管网接来。2、管材(1)冷水给水管材:当管径〈DN50mm时,采用PVC给水管,热熔接,当管径〉DN70mm时,采用热镀锌钢管,螺栓连接。(2)热水给水管采用热镀锌钢管,螺栓连接。(3)消防给水管采用热镀锌钢管,螺栓连接。(4)排水管(除排水立管PL-29外)采用硬塑料排水管(PVC-U),零件粘接,塑料排水立管每层设伸缩节...

1、当您付费下载文档后,您只拥有了使用权限,并不意味着购买了版权,文档只能用于自身使用,不得用于其他商业用途(如 [转卖]进行直接盈利或[编辑后售卖]进行间接盈利)。
2、本站所有内容均由合作方或网友上传,本站不对文档的完整性、权威性及其观点立场正确性做任何保证或承诺!文档内容仅供研究参考,付费前请自行鉴别。
3、如文档内容存在违规,或者侵犯商业秘密、侵犯著作权等,请点击“违规举报”。

碎片内容

安全台账第一本

确认删除?
VIP
微信客服
  • 扫码咨询
会员Q群
  • 会员专属群点击这里加入QQ群
客服邮箱
回到顶部