电脑桌面
添加小米粒文库到电脑桌面
安装后可以在桌面快捷访问

安全生产自由裁量权VIP免费

安全生产自由裁量权_第1页
1/25
安全生产自由裁量权_第2页
2/25
安全生产自由裁量权_第3页
3/25
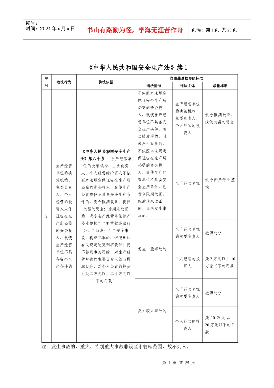
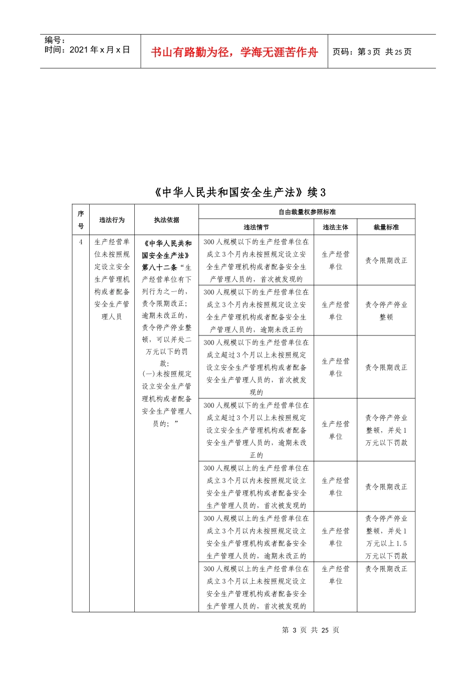
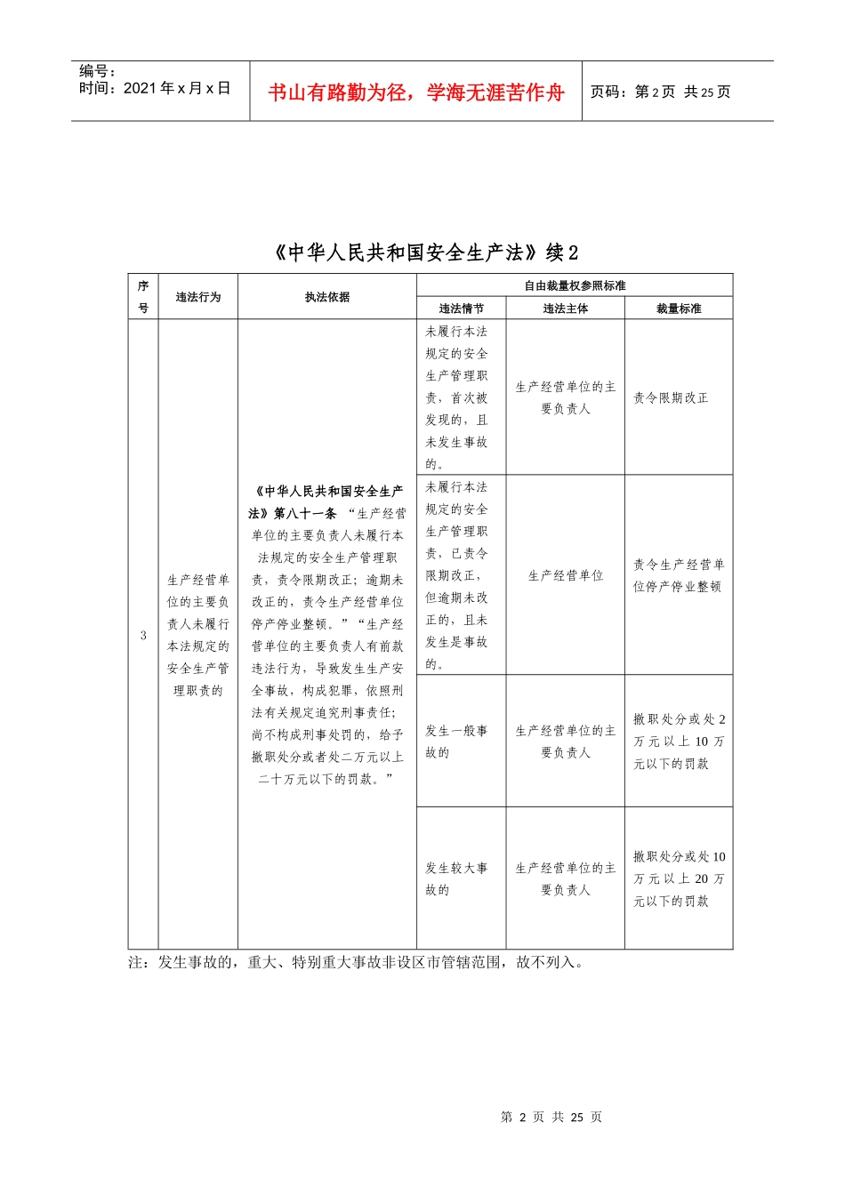
第1页共25页编号:时间:2021年x月x日书山有路勤为径,学海无涯苦作舟页码:第1页共25页《中华人民共和国安全生产法》续1序号违法行为执法依据自由裁量权参照标准违法情节违法主体裁量标准2生产经营单位的决策机构、主要负责人、个人经营的投资人未保证安全生产所必需的资金投入,致使生产经营单位不具备安全生产条件的《中华人民共和国安全生产法》第八十条“生产经营单位的决策机构、主要负责人、个人经营的投资人不依照本法规定保证安全生产所必需的资金投入,致使生产经营单位不具备安全生产条件的,责令限期改正,提供必需的资金;逾期未改正的,责令生产经营单位停产停业整顿”“有前款违法行为,导致发生生产安全事故,构成犯罪的,依照刑法有关规定追究刑事责任;尚不够刑事处罚的,对生产经营单位的主要负责人给与撤职处分,对个人经营的投资人处二万元以上二十万元以下的罚款”不依照本法规定保证安全生产所必需的资金投入,致使生产经营单位不具备安全生产条件,首次被发现的,且未发生事故的。生产经营单位的决策机构、主要负责人、个人经营的投资人责令限期改正,提供必需的资金不依照本法规定保证安全生产所必需的资金投入,致使生产经营单位不具备安全生产条件,已责令限期改正,但逾期未改正的,且未发生事故的。生产经营单位责令停产停业整顿发生一般事故的生产经营单位的主要负责人撤职处分个人经营的投资人处2万元以上10万元以下的罚款发生较大事故的生产经营单位的主要负责人撤职处分个人经营的投资人处10万元以上20万元以下的罚款注:发生事故的,重大、特别重大事故非设区市管辖范围,故不列入。第2页共25页第1页共25页编号:时间:2021年x月x日书山有路勤为径,学海无涯苦作舟页码:第2页共25页《中华人民共和国安全生产法》续2序号违法行为执法依据自由裁量权参照标准违法情节违法主体裁量标准3生产经营单位的主要负责人未履行本法规定的安全生产管理职责的《中华人民共和国安全生产法》第八十一条“生产经营单位的主要负责人未履行本法规定的安全生产管理职责,责令限期改正;逾期未改正的,责令生产经营单位停产停业整顿。”“生产经营单位的主要负责人有前款违法行为,导致发生生产安全事故,构成犯罪,依照刑法有关规定追究刑事责任;尚不构成刑事处罚的,给予撤职处分或者处二万元以上二十万元以下的罚款。”未履行本法规定的安全生产管理职责,首次被发现的,且未发生事故的。生产经营单位的主要负责人责令限期改正未履行本法规定的安全生产管理职责,已责令限期改正,但逾期未改正的,且未发生是事故的。生产经营单位责令生产经营单位停产停业整顿发生一般事故的生产经营单位的主要负责人撤职处分或处2万元以上10万元以下的罚款发生较大事故的生产经营单位的主要负责人撤职处分或处10万元以上20万元以下的罚款注:发生事故的,重大、特别重大事故非设区市管辖范围,故不列入。第3页共25页第2页共25页编号:时间:2021年x月x日书山有路勤为径,学海无涯苦作舟页码:第3页共25页《中华人民共和国安全生产法》续3序号违法行为执法依据自由裁量权参照标准违法情节违法主体裁量标准4生产经营单位未按照规定设立安全生产管理机构或者配备安全生产管理人员《中华人民共和国安全生产法》第八十二条“生产经营单位有下列行为之一的,责令限期改正;逾期未改正的,责令停产停业整顿,可以并处二万元以下的罚款:(一)未按照规定设立安全生产管理机构或者配备安全生产管理人员的;”300人规模以下的生产经营单位在成立3个月内未按照规定设立安全生产管理机构或者配备安全生产管理人员的,首次被发现的生产经营单位责令限期改正300人规模以下的生产经营单位在成立3个月内未按照规定设立安全生产管理机构或者配备安全生产管理人员的,逾期未改正的生产经营单位责令停产停业整顿300人规模以下的生产经营单位在成立超过3个月以上未按照规定设立安全生产管理机构或者配备安全生产管理人员的,首次被发现的生产经营单位责令限期改正300人规模以下的生产经营单位在成立超过3个月以上未按照规定设立安全生产管理机构或者配备安全生产管理人员的,逾期未改正的生产经营单...

1、当您付费下载文档后,您只拥有了使用权限,并不意味着购买了版权,文档只能用于自身使用,不得用于其他商业用途(如 [转卖]进行直接盈利或[编辑后售卖]进行间接盈利)。
2、本站所有内容均由合作方或网友上传,本站不对文档的完整性、权威性及其观点立场正确性做任何保证或承诺!文档内容仅供研究参考,付费前请自行鉴别。
3、如文档内容存在违规,或者侵犯商业秘密、侵犯著作权等,请点击“违规举报”。

碎片内容

安全生产自由裁量权

确认删除?
VIP
微信客服
  • 扫码咨询
会员Q群
  • 会员专属群点击这里加入QQ群
客服邮箱
回到顶部