电脑桌面
添加小米粒文库到电脑桌面
安装后可以在桌面快捷访问

摩托罗拉公司—全面生产维护管理体系VIP免费

摩托罗拉公司—全面生产维护管理体系_第1页
1/9
摩托罗拉公司—全面生产维护管理体系_第2页
2/9
摩托罗拉公司—全面生产维护管理体系_第3页
3/9
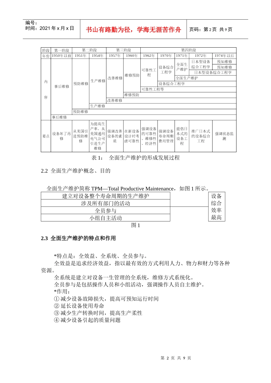
第1页共9页编号:时间:2021年x月x日书山有路勤为径,学海无涯苦作舟页码:第1页共9页全面生产维护管理1引言在市场经济体系日益发展,市场竞争日益激烈的今天,经济效益的提高越来越依赖于人的素质的提高,尤其是管理者素质的提高。管理科学是提高企业效益的根本途径,管理人才是实现现代化管理的重要保证。我国现有的管理水平与国际先进管理水平相比差距是很大的。管理落后是不少企业生产经营困难的重要原因之一。因此,科学管理是企业在市场经济条件下,生存和发展的重要因素,也是企业改革和发展的当务之急。现将MOTOROLA关于全面生产维护管理主要经验介绍给大家。2全面生产维护的内涵2.1全面生产维护的形成和发展MOTOROLA的全面生产维护的形成和发展经历了4大发展阶段,10个发展小阶段,每发展一个阶段都较前段有所进步。每个阶段的内容和特点如表1。第2页共9页第1页共9页编号:时间:2021年x月x日书山有路勤为径,学海无涯苦作舟页码:第2页共9页表1:全面生产维护的形成发展过程2.2全面生产维护概念、目的全面生产维护简称TPM—TotalProductiveMaintenance,如图1所示。建立对设备整个寿命周期的生产维护设备综合效率最高涉及所有部门的活动全员参与小组自主活动图12.3全面生产维护的特点和作用*特点是:全效益、全系统、全员参与。全效益是追求经济效益,指以最有效的方式利用人力、物力和财力等各种资源。全系统是建立对设备一生管理的全系统,维修方式系统化。全员参与是包括操作人员和小组活动,强调操作人员自主维护。*作用:①减少设备故障损失,提高可预知运行时间②延长设备使用寿命③减少生产转换时间,提高生产柔性④减少设备引起的质量问题第3页共9页第2页共9页编号:时间:2021年x月x日书山有路勤为径,学海无涯苦作舟页码:第3页共9页2.4设备中的六大损失(1)六大损失,如图2所示图2设备中六大损失(2)六大损失定义:设备故障损失:由于设备突然发生故障造成的停机损失。换模与调整损失:由于换模和调整工作造成的停机损失。空运转与暂停损失:由于一时的小毛病所造成的设备停机或空转状态。减速损失:由于设备的设计速度与实际速度之间的差异而造成的损失。加工过程的缺陷损失:由于缺陷和缺陷引起的返工而造成的损失。开工损失:从开始生产到进入稳定生产之间所发生的减产损失。(3)设备运行时间的定义:负荷时间:机器应当工作的时间,即从正常制度工作时间中扣除计划内停机时间。运行时间:从负荷时间中扣除设备故障、工装调整、刀具更换等停机时间后所剩下的时间,也就是实际运行的时间。净运行时间:在运行时间中,设备按一定的速度真正工作的时间,也就是扣除小故障停机造成的停机损失和设备速度下降所造成的时间损失。有效运行时间:从净运行时间中,扣除生产废次、返修品所耗费的时间后所剩下的时间,也就是实际制造出合格品的时间。3设备运行水平及全面生产维护的效果评估设备综合效率的提高,是生产率水平的提高,也就是以少量的输入产生良好的输出效果。见表2。第4页共9页第3页共9页编号:时间:2021年x月x日书山有路勤为径,学海无涯苦作舟页码:第4页共9页表2产量(P-Production):需要完成的生产任务,即设备的生产效率要高。质量(Q-Quality):能保证生产高质量的产品,即设备有利于提高产品质量。成本(C-Cost):产品成本要低,即设备能源、原材料等耗费少。交货期(D-Delivry):设备故障少,不耽误合同规定的交货期。安全(S-Safety):设备的安全性能好,设备对环境污染小,文明生产。士气、劳动情绪(M—Morale):人机匹配关系较好,使作业人员保持旺盛的工作情绪。表23.2评价设备输出的指标第5页共9页第4页共9页编号:时间:2021年x月x日书山有路勤为径,学海无涯苦作舟页码:第5页共9页3.3设备综合效率计算(1)设备综合效率(OEE-OverallEquipmentEffectiveness)是把现有设备的时间、速度和合格品率的情况综合起来,用以衡量增加创造价值时间方面所做的贡献大小。OEE=时间开动率×速度开动度×合格率(2)其中:时间开动率:是将设备的运行时间对负荷时间的比率时间开动率=运行时间/负荷时间性能开动率:是由速度开动率和净开...

1、当您付费下载文档后,您只拥有了使用权限,并不意味着购买了版权,文档只能用于自身使用,不得用于其他商业用途(如 [转卖]进行直接盈利或[编辑后售卖]进行间接盈利)。
2、本站所有内容均由合作方或网友上传,本站不对文档的完整性、权威性及其观点立场正确性做任何保证或承诺!文档内容仅供研究参考,付费前请自行鉴别。
3、如文档内容存在违规,或者侵犯商业秘密、侵犯著作权等,请点击“违规举报”。

碎片内容

摩托罗拉公司—全面生产维护管理体系

您可能关注的文档

确认删除?
VIP
微信客服
  • 扫码咨询
会员Q群
  • 会员专属群点击这里加入QQ群
客服邮箱
回到顶部