电脑桌面
添加小米粒文库到电脑桌面
安装后可以在桌面快捷访问

某中型制造业设备主管岗位说明书VIP免费

某中型制造业设备主管岗位说明书_第1页
1/2
某中型制造业设备主管岗位说明书_第2页
2/2
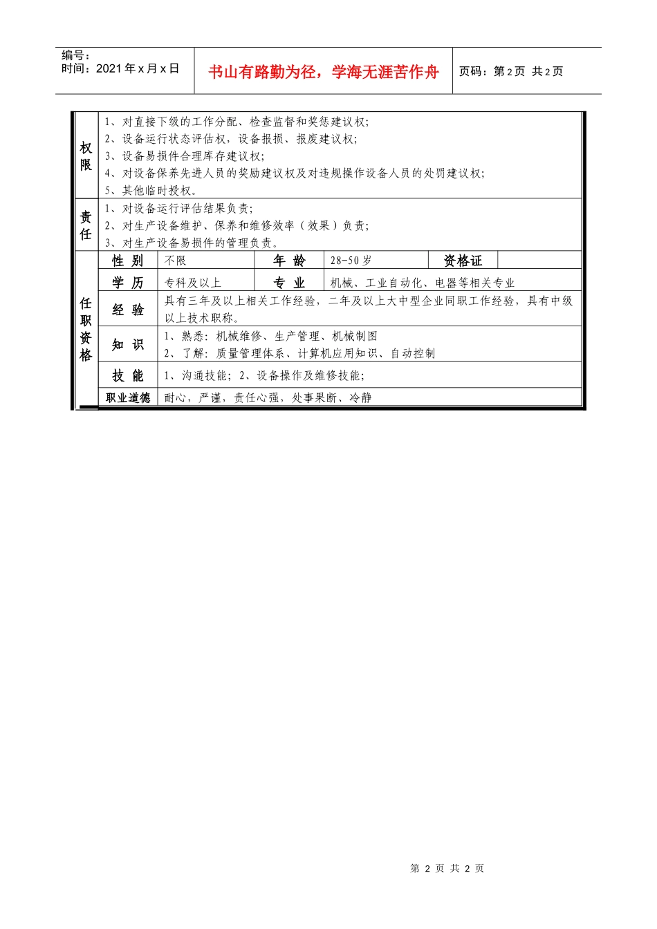
第1页共2页编号:时间:2021年x月x日书山有路勤为径,学海无涯苦作舟页码:第1页共2页*****有限责任公司工作说明书编号DW-JD-0303发布日期单位名称*****有限责任公司岗位名称设备主管直接上级制造部经理部门制造部直接下级机电维修工、设备维修工下级人数2人主要工作职责组织、监督设备管理工作,保证全厂设备的正常运行工作内容1制度的拟定执行1.1负责拟订设备管理制度;1.2贯彻执行公司的各项规章制度,严守公司秘密,维护公司利益;1.3严格执行本部门管理制度及业务流程。2设备计划及日常管理2.1负责监督、指导下属按设备管理制度建立各种设备管理档案及生产用设备操作手册;2.2负责监督、指导下属汇总设备易损件物资需求计划,及进行入库验收;2.3检查设备易损件库存数量,保证易损件合理安全库存量;2.4负责制订设备大修计划;2.5负责论证、制定设备技术改造方案;2.6负责组织设备购置的选型、验收,并建立设备台帐,协助转固;2.7负责组织大修、技改的实施、验收;3设备检查与维护3.1定期巡查生产现场主要设备,查验设备是否处于良好工作状态;3.2检查设备清洁卫生是否按规定进行清扫;3.3指导、监督、评估操作工人对生产设备日常检查及保养;3.4检查设备操作工人是否按操作规程操作,若发现问题,立即予以纠正;4设备维修4.1诊断生产设备故障,并及时排除;4.2组织实施生产设备的大修;4.3参与设备事故应急处理,分析成因,总结改进;4.4组织部分设备零件维修加工或委外维修加工;5组织公共设施的维护、保养和维修工作;6下级管理6.1明确下属的岗位责任和业绩目标,并实行督导工作;6.2按照绩效考核制度考核下属员工,并将考核结果交人力资源主管;7积极参加专业培训,不断提高专业技术水平8完成上级交办的其他工作第2页共2页第1页共2页编号:时间:2021年x月x日书山有路勤为径,学海无涯苦作舟页码:第2页共2页权限1、对直接下级的工作分配、检查监督和奖惩建议权;2、设备运行状态评估权,设备报损、报废建议权;3、设备易损件合理库存建议权;4、对设备保养先进人员的奖励建议权及对违规操作设备人员的处罚建议权;5、其他临时授权。责任1、对设备运行评估结果负责;2、对生产设备维护、保养和维修效率(效果)负责;3、对生产设备易损件的管理负责。任职资格性别不限年龄28-50岁资格证学历专科及以上专业机械、工业自动化、电器等相关专业经验具有三年及以上相关工作经验,二年及以上大中型企业同职工作经验,具有中级以上技术职称。知识1、熟悉:机械维修、生产管理、机械制图2、了解:质量管理体系、计算机应用知识、自动控制技能1、沟通技能;2、设备操作及维修技能;职业道德耐心,严谨,责任心强,处事果断、冷静

1、当您付费下载文档后,您只拥有了使用权限,并不意味着购买了版权,文档只能用于自身使用,不得用于其他商业用途(如 [转卖]进行直接盈利或[编辑后售卖]进行间接盈利)。
2、本站所有内容均由合作方或网友上传,本站不对文档的完整性、权威性及其观点立场正确性做任何保证或承诺!文档内容仅供研究参考,付费前请自行鉴别。
3、如文档内容存在违规,或者侵犯商业秘密、侵犯著作权等,请点击“违规举报”。

碎片内容

某中型制造业设备主管岗位说明书

您可能关注的文档

确认删除?
VIP
微信客服
  • 扫码咨询
会员Q群
  • 会员专属群点击这里加入QQ群
客服邮箱
回到顶部