电脑桌面
添加小米粒文库到电脑桌面
安装后可以在桌面快捷访问

新入厂工人三级安全教育记录瓦工VIP免费

新入厂工人三级安全教育记录瓦工_第1页
1/13
新入厂工人三级安全教育记录瓦工_第2页
2/13
新入厂工人三级安全教育记录瓦工_第3页
3/13
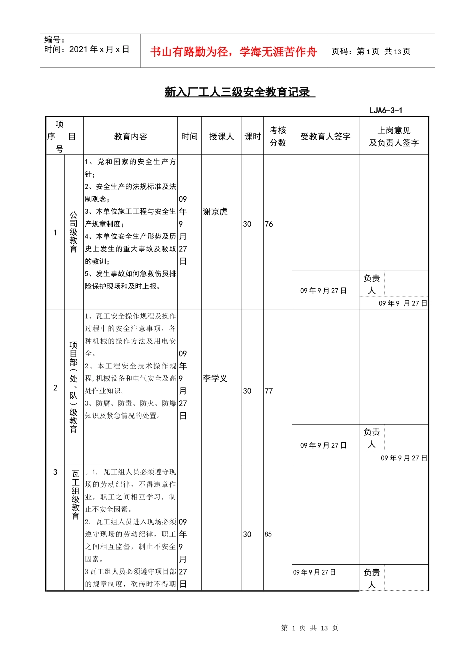
第1页共13页编号:时间:2021年x月x日书山有路勤为径,学海无涯苦作舟页码:第1页共13页新入厂工人三级安全教育记录LJA6-3-1项序目号教育内容时间授课人课时考核分数受教育人签字上岗意见及负责人签字1公司级教育1、党和国家的安全生产方针;2、安全生产的法规标准及法制观念;3、本单位施工工程与安全生产规章制度;4、本单位安全生产形势及历史上发生的重大事故及吸取的教训;5、发生事故如何急救伤员排险保护现场和及时上报。09年9月27日谢京虎307609年9月27日负责人09年9月27日2项目部(处、队)级教育1、瓦工安全操作规程及操作过程中的安全注意事项,各种机械的操作方法及用电安全。2、本工程安全技术操作规程,机械设备和电气安全及高处作业知识。3、防腐、防毒、防火、防爆知识及紧急情况的处置。09年9月27日李学义307709年9月27日负责人09年9月27日3瓦工组级教育。1.瓦工组人员必须遵守现场的劳动纪律,不得违章作业,职工之间相互学习,制止不安全因素。2.瓦工组人员进入现场必须遵守现场的劳动纪律,职工之间相互监督,制止不安全因素。3瓦工组人员必须遵守项目部的规章制度,砍砖时不得朝09年9月27日308509年9月27日负责人第2页共13页第1页共13页编号:时间:2021年x月x日书山有路勤为径,学海无涯苦作舟页码:第2页共13页有人的方向砍,工作面保持09年9月27日山东省建筑施工安全监督站监制新入厂工人三级安全教育记录LJA6-3-1项序目号教育内容时间授课人课时考核分数受教育人签字上岗意见及负责人签字1公司级教育1、党和国家的安全生产方针;2、安全生产的法规标准及法制观念;3、本单位施工工程与安全生产规章制度;4、本单位安全生产形势及历史上发生的重大事故及吸取的教训;5、发生事故如何急救伤员排险保护现场和及时上报。09年9月27日谢京虎308709年9月27日负责人09年9月27日2项目部(处、队)级教育1、瓦工安全操作规程及操作过程中的安全注意事项,各种机械的操作方法及用电安全。2、本工程安全技术操作规程,机械设备和电气安全及高处作业知识。3、防腐、防毒、防火、防爆知识及紧急情况的处置。09年9月27日李学义308709年9月27日负责人09年9月27日3瓦工组级教育。1.瓦工组人员必须遵守现场的劳动纪律,不得违章作业,职工之间相互学习,制止不安全因素。2.瓦工组人员进入现场必须遵守现场的劳动纪律,职工之间相互监督,制止不安全09年93085第3页共13页第2页共13页编号:时间:2021年x月x日书山有路勤为径,学海无涯苦作舟页码:第3页共13页因素。3瓦工组人员必须遵守项目部的规章制度,砍砖时不得朝有人的方向砍,工作面保持清洁月27日09年9月27日负责人09年9月27日山东省建筑施工安全监督站监制新入厂工人三级安全教育记录LJA6-3-1项序目号教育内容时间授课人课时考核分数受教育人签字上岗意见及负责人签字1公司级教育1、党和国家的安全生产方针;2、安全生产的法规标准及法制观念;3、本单位施工工程与安全生产规章制度;4、本单位安全生产形势及历史上发生的重大事故及吸取的教训;5、发生事故如何急救伤员排险保护现场和及时上报。09年9月27日谢京虎308809年9月27日负责人09年9月27日2项目部(处、队)级教育1、瓦工安全操作规程及操作过程中的安全注意事项,各种机械的操作方法及用电安全。2、本工程安全技术操作规程,机械设备和电气安全及高处作业知识。3、防腐、防毒、防火、防爆知识及紧急情况的处置。09年9月27日李学义308709年9月27日负责人09年9月27日第4页共13页第3页共13页编号:时间:2021年x月x日书山有路勤为径,学海无涯苦作舟页码:第4页共13页3瓦工组级教育。1.瓦工组人员必须遵守现场的劳动纪律,不得违章作业,职工之间相互学习,制止不安全因素。2.瓦工组人员进入现场必须遵守现场的劳动纪律,职工之间相互监督,制止不安全因素。3瓦工组人员必须遵守项目部的规章制度,砍砖时不得朝有人的方向砍,工作面保持清洁09年9月27日308509年9月27日负责人09年9月27日山东省建筑施工安全监督站监制新入厂工人三级安全教育记录LJA6-3-1项序目号教育内容时间授课人课时考核分数受教育人签字上岗意见及负责人签字1公司级教育1、党和国家的安全生...

1、当您付费下载文档后,您只拥有了使用权限,并不意味着购买了版权,文档只能用于自身使用,不得用于其他商业用途(如 [转卖]进行直接盈利或[编辑后售卖]进行间接盈利)。
2、本站所有内容均由合作方或网友上传,本站不对文档的完整性、权威性及其观点立场正确性做任何保证或承诺!文档内容仅供研究参考,付费前请自行鉴别。
3、如文档内容存在违规,或者侵犯商业秘密、侵犯著作权等,请点击“违规举报”。

碎片内容

新入厂工人三级安全教育记录瓦工

您可能关注的文档

确认删除?
VIP
微信客服
  • 扫码咨询
会员Q群
  • 会员专属群点击这里加入QQ群
客服邮箱
回到顶部