电脑桌面
添加小米粒文库到电脑桌面
安装后可以在桌面快捷访问

城市污水处理厂工艺设计及计算VIP专享VIP免费

城市污水处理厂工艺设计及计算_第1页
1/19
城市污水处理厂工艺设计及计算_第2页
2/19
城市污水处理厂工艺设计及计算_第3页
3/19
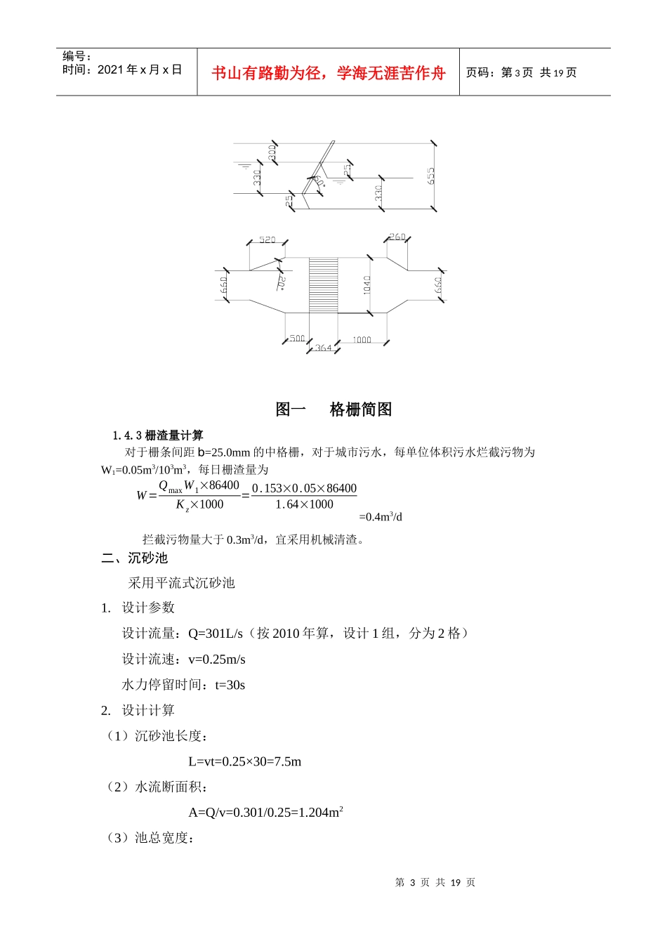
第1页共19页编号:时间:2021年x月x日书山有路勤为径,学海无涯苦作舟页码:第1页共19页第三章污水处理厂工艺设计及计算第一节格栅进水中格栅是污水处理厂第一道预处理设施,可去除大尺寸的漂浮物或悬浮物,以保护进水泵的正常运转,并尽量去掉那些不利于后续处理过程的杂物。拟用回转式固液分离机。回转式固液分离机运转效果好,该设备由动力装置,机架,清洗机构及电控箱组成,动力装置采用悬挂式涡轮减速机,结构紧凑,调整维修方便,适用于生活污水预处理。1.1设计说明栅条的断面主要根据过栅流速确定,过栅流速一般为0.6~1.0m/s,槽内流速0.5m/s左右。如果流速过大,不仅过栅水头损失增加,还可能将已截留在栅上的栅渣冲过格栅,如果流速过小,栅槽内将发生沉淀。此外,在选择格栅断面尺寸时,应注意设计过流能力只为格栅生产厂商提供的最大过流能力的80%,以留有余地。格栅栅条间隙拟定为25.00mm。1.2设计流量:a.日平均流量Qd=45000m3/d≈1875m3/h=0.52m3/s=520L/sKz取1.4b.最大日流量Qmax=Kz·Qd=1.4×1875m3/h=2625m3/h=0.73m3/s1.3设计参数:栅条净间隙为b=25.0mm栅前流速ν1=0.7m/s过栅流速0.6m/s栅前部分长度:0.5m格栅倾角δ=60°单位栅渣量:ω1=0.05m3栅渣/103m3污水1.4设计计算:1.4.1确定栅前水深根据最优水力断面公式Q=B12ν2计算得:B1=√2Qν=√2×0.1530.7=0.66mh=B12=0.33m所以栅前槽宽约0.66m。栅前水深h≈0.33m1.4.2格栅计算说明:Qmax—最大设计流量,m3/s;α—格栅倾角,度(°);h—栅前水深,m;ν—污水的过栅流速,m/s。栅条间隙数(n)为第2页共19页第1页共19页编号:时间:2021年x月x日书山有路勤为径,学海无涯苦作舟页码:第2页共19页n=Qmax√sinαehv=0.153×√sin60°0.025×0.3×0.6=30(条)栅槽有效宽度(B)设计采用ø10圆钢为栅条,即S=0.01m。B=S(n−1)+bn=0.01×(30−1)+0.025×30=1.04(m)通过格栅的水头损失h2h2=K×h0h0=ξν22gsinαh0—计算水头损失;g—重力加速度;K—格栅受污物堵塞使水头损失增大的倍数,一般取3;ξ—阻力系数,其数值与格栅栅条的断面几何形状有关,对于圆形断面,ξ=1.79×(sb)43h2=3×1.79×(0.010.025)43×0.622×9.81×sin60°=0.025(m)所以:栅后槽总高度HH=h+h1+h2=0.33+0.3+0.025=0.655(m)(h1—栅前渠超高,一般取0.3m)栅槽总长度LL1=B−B12*tanα1=1.04−0.662*tan20°=0.52mL2=L12=0.26mH1=h+h1=0.3+0.33=0.63L=L1+L2+1.0+0.5+H1tanα=0.52+0.26+1.0+0.5+0.63tan60∘=2.64mL1—进水渠长,m;L2—栅槽与出水渠连接处渐窄部分长度,m;B1—进水渠宽,;α1—进水渐宽部分的展开角,一般取20°。第3页共19页第2页共19页编号:时间:2021年x月x日书山有路勤为径,学海无涯苦作舟页码:第3页共19页图一格栅简图1.4.3栅渣量计算对于栅条间距b=25.0mm的中格栅,对于城市污水,每单位体积污水烂截污物为W1=0.05m3/103m3,每日栅渣量为W=QmaxW1×86400Kz×1000=0.153×0.05×864001.64×1000=0.4m3/d拦截污物量大于0.3m3/d,宜采用机械清渣。二、沉砂池采用平流式沉砂池1.设计参数设计流量:Q=301L/s(按2010年算,设计1组,分为2格)设计流速:v=0.25m/s水力停留时间:t=30s2.设计计算(1)沉砂池长度:L=vt=0.25×30=7.5m(2)水流断面积:A=Q/v=0.301/0.25=1.204m2(3)池总宽度:第4页共19页第3页共19页编号:时间:2021年x月x日书山有路勤为径,学海无涯苦作舟页码:第4页共19页设计n=2格,每格宽取b=1.2m>0.6m,池总宽B=2b=2.4m(4)有效水深:h2=A/B=1.204/2.4=0.5m(介于0.25~1m之间)(5)贮泥区所需容积:设计T=2d,即考虑排泥间隔天数为2天,则每个沉砂斗容积V1=Q1TX12K105=1.3×104×2×32×1.5×105=0.26m3(每格沉砂池设两个沉砂斗,两格共有四个沉砂斗)其中X1:城市污水沉砂量3m3/105m3,K:污水流量总变化系数1.5(6)沉砂斗各部分尺寸及容积:设计斗底宽a1=0.5m,斗壁与水平面的倾角为60°,斗高hd=0.5m,则沉砂斗上口宽:a=2hdtan60°+a1=2×0.5tan60°+0.5=1.1m沉砂斗容积:V=hd6(2a2+2aa1+2a12)=0.56(2×1.12+2×1.1×0.5+2×0.52)=0.34m3(略大于V1=0.26m3,符合要求)(7)沉砂...

1、当您付费下载文档后,您只拥有了使用权限,并不意味着购买了版权,文档只能用于自身使用,不得用于其他商业用途(如 [转卖]进行直接盈利或[编辑后售卖]进行间接盈利)。
2、本站所有内容均由合作方或网友上传,本站不对文档的完整性、权威性及其观点立场正确性做任何保证或承诺!文档内容仅供研究参考,付费前请自行鉴别。
3、如文档内容存在违规,或者侵犯商业秘密、侵犯著作权等,请点击“违规举报”。

碎片内容

城市污水处理厂工艺设计及计算

确认删除?
VIP
微信客服
  • 扫码咨询
会员Q群
  • 会员专属群点击这里加入QQ群
客服邮箱
回到顶部