电脑桌面
添加小米粒文库到电脑桌面
安装后可以在桌面快捷访问

七一路土方工程技术标1VIP免费

七一路土方工程技术标1_第1页
1/18
七一路土方工程技术标1_第2页
2/18
七一路土方工程技术标1_第3页
3/18
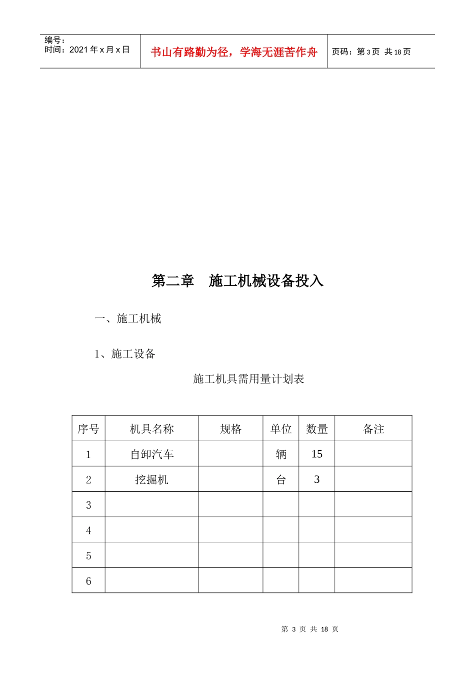
第1页共18页编号:时间:2021年x月x日书山有路勤为径,学海无涯苦作舟页码:第1页共18页第一章施工组织设计一、工程简述工程简述①工程名称:哈密市建设局七一路土方工程。②工程地点:新民六路南侧、惠康园西侧二、设计内容哈密市七一路原路土方外运。三、施工总平面图本工程场地布置本着满足生产生活需要,符合文明施工、安全生产标准化工地的要求的原则,树立企业场地布置操作标准,使现场便于管理、生产,促进工程施工环境优化。1.1现场条件1.1.1自然环境1.1.2生活及服务环境幽雅。1.2三通一平1.2.1水第2页共18页第1页共18页编号:时间:2021年x月x日书山有路勤为径,学海无涯苦作舟页码:第2页共18页根据现场情况,布置水平临时管网(干线管径为Dg40,埋深1300)及施工储水池(2000×1500×1500砖池)和高扬程加压水泵(D40扬程80m高压离心泵)。污水排入城市污水管道。1.2.2电施工用电甲方指定电源引入配电室供电(原配电室增容)。施工用电根据不同阶段的动力要求,场内主干线用70mm2橡皮铝芯线布置,并设置配电室,电线钢管埋地穿线布置(埋地700深)。1.2.3路道路平坦,交通便利。1.2.4临设工程生活设施:为更好地搞好卫生,美化环境,施工现场设办公室30m2、化验室15m2;配电室6m2及警卫室6m2设与施工围墙大门侧。职工宿舍在外面租房做职工宿舍。1.4现场平面布置图(附后)第3页共18页第2页共18页编号:时间:2021年x月x日书山有路勤为径,学海无涯苦作舟页码:第3页共18页第二章施工机械设备投入一、施工机械1、施工设备施工机具需用量计划表序号机具名称规格单位数量备注1自卸汽车辆152挖掘机台33456第4页共18页第3页共18页编号:时间:2021年x月x日书山有路勤为径,学海无涯苦作舟页码:第4页共18页7891011121314第三章劳动力安排计划及其保证措施做好施工之前的准备,是加强科学管理、搞好文明施工、保证施工顺利进行,是保证质量的关键,为增强施工的科学性和条理性,做到有备无患,不盲目蛮干。主要应抓好技术准备、现场准备、物资准备三个方面工作,要求做到现场三通(水通、电通、路通)、一平(场地平整)、六落实(技术、劳动组织、材料、机具、构件、临舍)的落实。为此,要求做好以下几方面的工作:一、现场准备1、“三通一平”工作已完成。2、水、电管线由建设单位指定水源、电源的引入,项目根据第5页共18页第4页共18页编号:时间:2021年x月x日书山有路勤为径,学海无涯苦作舟页码:第5页共18页施工情况,在现场设配电室一间,现场临时用电的引入采用架设明线引入,施工用电随楼层的升高逐层敷设。3、现场设50m2-80m2的场地作为施工临设区,临设区内有:办公用房、材料库、配电室、厕所、门卫室等组成。根据现场的实际情况,设置搅拌机,以及材料堆场。4、做好现场的控制网测量。根据设计单位提供的建筑总平面图,会同甲方交接并复核测量桩点(包括水平控制桩和高程控制桩)。尤其是经常监控边坡位移情况。5、拆除现场各种障碍物,建造临时设施。6、接通施工(包括生活)电源、水源(甲方提供)。7、设置现场临时围墙和大门。8、安装、调试施工机具。二、技术准备1、接到施工图后,由该工程技术负责人组织施工技术和管理人员、预算、质检人员,认真熟悉和学习图纸及验收规范和操作规程,使工程技术及管理人员吃透图纸设计意图,搞清建筑结构,水暖、卫、电气相互配合协调关系,明确施工过程中的有关规定,做到施工技术管理人员目标明确,心中有数。2、在熟悉图纸的基础上,找出存在的问题,结合施工条件、经济效益进行图纸会审,通过会审解决存在的问题,商讨影响施工部分的措施,扫清技术障碍,为施工技术管理开道。3、根据建筑总平面图的工程坐标、方位和施工图标出的轴线、开间尺寸,由项目技术员负责人绘制的放线定位图,经项目经理审批后进行放线工作。第6页共18页第5页共18页编号:时间:2021年x月x日书山有路勤为径,学海无涯苦作舟页码:第6页共18页4、在方便施工、统一管理经济实效的原则上,由项目经理组织技术、材料、生产有关人员,商讨研究施工现场进行平面布置。5、由公司工程师组织,工程项目经理,项目技术管理人员研讨确定施工目的...

1、当您付费下载文档后,您只拥有了使用权限,并不意味着购买了版权,文档只能用于自身使用,不得用于其他商业用途(如 [转卖]进行直接盈利或[编辑后售卖]进行间接盈利)。
2、本站所有内容均由合作方或网友上传,本站不对文档的完整性、权威性及其观点立场正确性做任何保证或承诺!文档内容仅供研究参考,付费前请自行鉴别。
3、如文档内容存在违规,或者侵犯商业秘密、侵犯著作权等,请点击“违规举报”。

碎片内容

七一路土方工程技术标1

确认删除?
VIP
微信客服
  • 扫码咨询
会员Q群
  • 会员专属群点击这里加入QQ群
客服邮箱
回到顶部