电脑桌面
添加小米粒文库到电脑桌面
安装后可以在桌面快捷访问

数字测图作业(测绘工程)VIP专享VIP免费

数字测图作业(测绘工程)_第1页
1/6
数字测图作业(测绘工程)_第2页
2/6
数字测图作业(测绘工程)_第3页
3/6
第1页共6页编号:时间:2021年x月x日书山有路勤为径,学海无涯苦作舟页码:第1页共6页数字测图原理与方法(测绘工程)作业11、解释下列名词:总地球椭球、参考地球椭球、垂线偏差、大地水准面差距、地图、比例尺2、地面测量要素有哪些?测量工作应遵循的原则是什么?3、什么叫测量坐标系?坐标方位角是如何定义的?它与数学坐标系中的方位角有何不同?4、试写出坐标正反算公式。5、什么是水准面?水准面有何特性?6、何谓大地水准面?它在测量工作中有何作用?7、测量工作中常用哪几种坐标系?它们是如何定义的?8、测量工作中采用的平面直角坐标系与数学中的平面直角坐标系有何不同之处?画图说明。9、何谓高斯投影?高斯投影为什么要分带?如何进行分带?10、高斯平面直角坐标系是如何建立的?11、地球上某点的经度为东经112°21′,求该点所在高斯投影6°带和3°带的带号及中央子午线的经度?12、若我国某处地面点P的高斯平面直角坐标值为:x=3102467.28m,y=20792538.69m。问:(1)该坐标值是按几度带投影计算求得。(2)P点位于第几带?该带中央子午线的经度是多少?P点在该带中央子午线的哪一侧?(3)在高斯投影平面上P点距离中央子午线和赤道各为多少米?13、用水平面代替水准面,地球曲率对水平距离、水平角和高程有何影响?14、什么是地形图?主要包括哪些内容?15、何谓比例尺精度?比例尺精度对测图有何意义?试说明比例尺为11000∶和12000∶地形图的比例尺精度各为多少。16.试述地形图矩形分幅的分幅和编号方法。作业217、解释下列名词:水平角、垂直角、天顶距、指标差、视准轴18、经纬仪测角时,若照准同一竖直面内不同高度的两目标点,其水平度盘读数是否相同?若经纬仪架设高度不同,照准同一目标点,则该点的竖直角是否相同?19、何谓视差?产生视差的原因是什么?观测时如何消除视差?20、简述电子经纬仪的主要特点。它与光学经纬仪的根本区别是什么?21、简述编码度盘测角系统的测角原理。22、简述光栅度盘测角系统的测角原理。23、试述用方向观测法观测水平角的步骤。如何进行记录、计算?有哪些限差规定?24、试述水平角观测中的照准误差与目标偏心误差有什么区别。25、试述经纬仪有哪些主要轴线,各满足什么样的关系?26、安置经纬仪时,为什么要对中、整平?试简要阐述仪器对中、整平的步骤。第2页共6页第1页共6页编号:时间:2021年x月x日书山有路勤为径,学海无涯苦作舟页码:第2页共6页27、试作图叙述测回法的观测要点。28、角度测量有哪些主要误差来源?哪些误差可以通过正倒镜的方法予以消除?29、用J6经纬仪观测一目标。盘左的竖盘读数为81034’36”,盘右的竖盘读数为278026’24”,试求该目标的天顶距Z,竖角及指标差i。30、试整理下面成果。测回目标点半测回方向一测回方向各测回平均方向盘左盘右IA002361800254B11419302942000IIA6001182400106B17418243541818IIIA12002303000218B2341936541912作业331、何谓绝对高程,相对高程,高差?有AB两点,当高差hAB为负时,A、B两点哪点高?高差hAB为正时是哪点高?32、水准测量时,转点的作用是什么?尺垫有何作用?在哪些点上需要放置尺垫?哪些点上不能放置尺垫?为什么?33、水准仪是如何获得水平视线的?水准仪上圆水准器和水准管有何作用?它们的水准轴各在什么位置?34、与S3水准仪相比,精密水准仪的读数方法有何不同之处?35、电子水准仪与普通光学水准仪相比较,主要有哪些特点?36、试述三、四等水准测量在一个测站上的观测程序。有哪些限差规定?37、水准仪有哪几条主要轴线?水准仪应满足的主要条件是什么?38、试述水准测量时,为什么要求后视与前视距离大致相等的理由。39、已知某水准仪的i角值为-6″,问:当水准管气泡居中时,视准轴是向上还是向下倾斜?40、若规定水准仪的i角应校正至20″以下,问:这对前、后视距差为20m的一个测站,在所测得的高差中有多大的影响?41、三、四等水准测量中为何要规定用“后、前、前、后”的操作次序?42、在施测一条水准测量路线时,为何要规定用偶数个测站?43、.对一条水准路线进行往返观测有什么好处?能消除或减弱什么误差的影响?44、设A为后...

1、当您付费下载文档后,您只拥有了使用权限,并不意味着购买了版权,文档只能用于自身使用,不得用于其他商业用途(如 [转卖]进行直接盈利或[编辑后售卖]进行间接盈利)。
2、本站所有内容均由合作方或网友上传,本站不对文档的完整性、权威性及其观点立场正确性做任何保证或承诺!文档内容仅供研究参考,付费前请自行鉴别。
3、如文档内容存在违规,或者侵犯商业秘密、侵犯著作权等,请点击“违规举报”。

碎片内容

数字测图作业(测绘工程)

中小学文库+ 关注
实名认证
内容提供者

精品资料应用尽有

确认删除?
VIP
微信客服
  • 扫码咨询
会员Q群
  • 会员专属群点击这里加入QQ群
客服邮箱
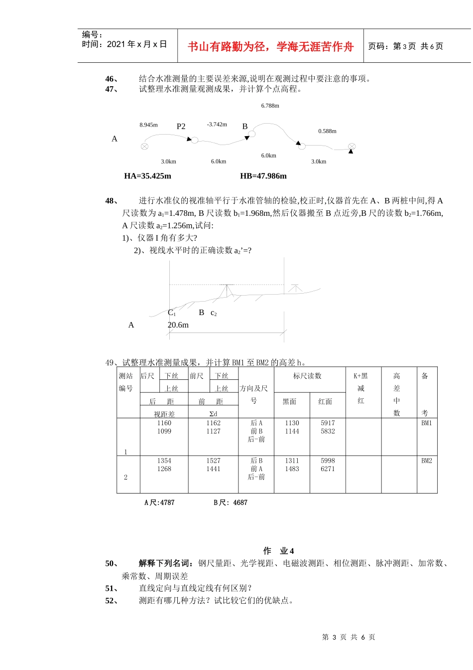
回到顶部