电脑桌面
添加小米粒文库到电脑桌面
安装后可以在桌面快捷访问

晶体式高频感应加热设备系列VIP免费

晶体式高频感应加热设备系列_第1页
1/12
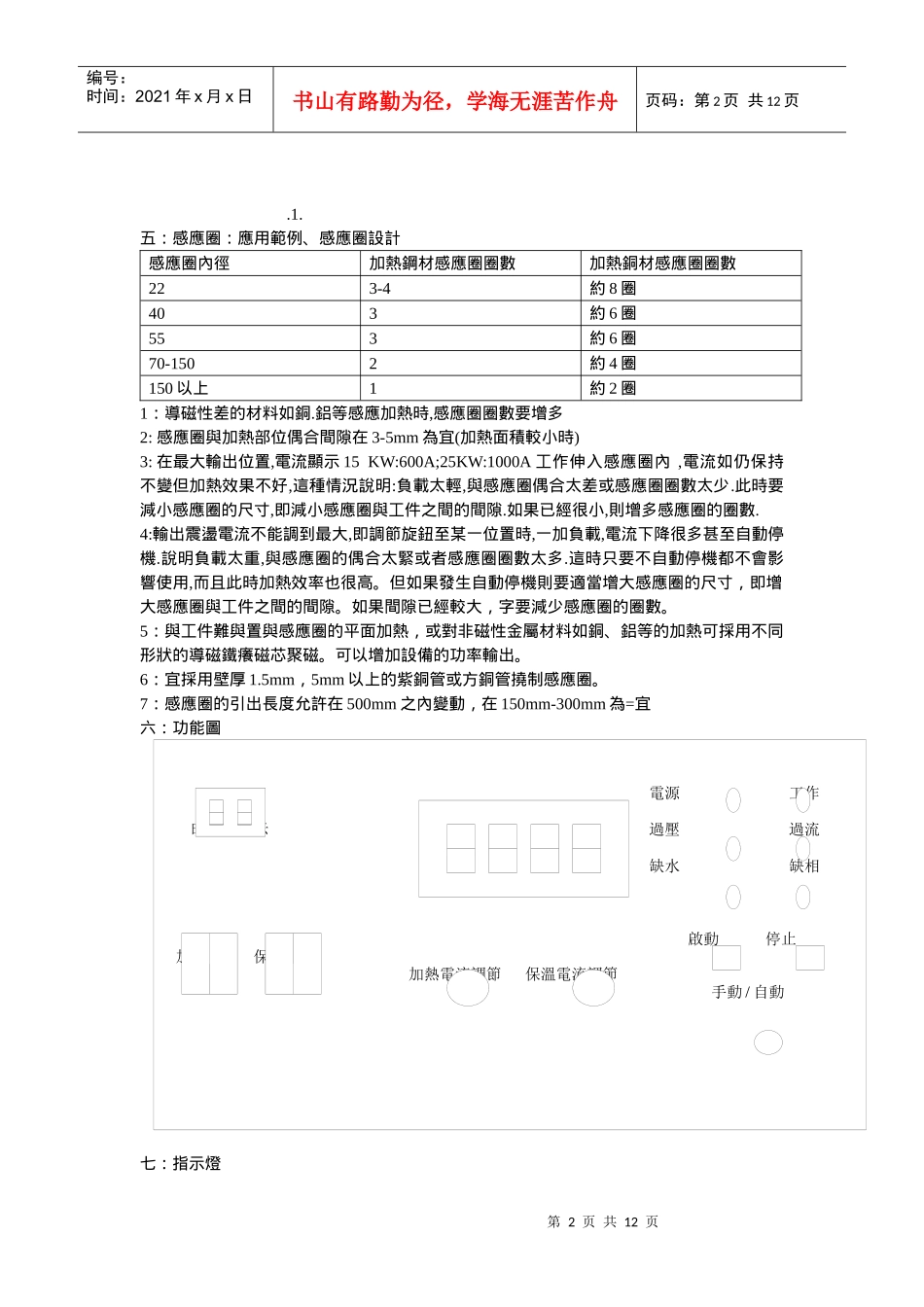
晶体式高频感应加热设备系列_第2页
2/12
晶体式高频感应加热设备系列_第3页
3/12
第1页共12页编号:时间:2021年x月x日书山有路勤为径,学海无涯苦作舟页码:第1页共12页晶體式高頻感應加熱設備系列一:概述本公司高頻感應加熱機是五金工件加熱.焊接.熱鍛的理想設備.它體積小,重量輕.特別省電.同樣加熱速度用電僅電子管高頻機的四分之一。特別安全。無近萬伏高壓,免除高壓觸電危險。二:主要規格型號CW-XJH-6KW,CW-XJH-4.5KW,CW-15KW-A,CW-15KW-B,XJH-25KW-A,XJH-25-BCW-45KW-BXJH-45KW-B,XJH-60KW-B,CW-60KW-B,CW-80KW-B,XJH-80KW-B三:技術參數型號CW-15KW系列CW-25KW系列輸入電壓單相220V50-60Hz三相380V50-60Hz輸出電壓15KVA25KVA輸出震盪功率30-100KHz30-100KHz加熱電流100-600A200-1000A保溫電流100-600A200-1000A加熱時間1-99s(自動時)1-99s(自動時)保溫時間1-99s(自動時)1-99s(自動時)冷卻水壓0.05-0.2MPa0.05-0.2MPa負載率80%(30℃室溫)80%(30℃室溫)體積一體機460×460×290mm460×460×290mm分體機主機460×460×290mm460×460×290mm分機190×260×290mm190×260×290mm重量一體機18Kg26Kg分體機22Kg30Kg水溫<40℃<40℃四:應用範圍該機只提供熱源,可用於熱鍛、焊接、熱處理、熔煉等行業。1.熱鍛範圍:依加熱時間長短來定加熱深度、加熱溫度。加熱是從表面開始的。如15KW可加熱2-30mm之實心體,25KW可加熱2-50之實心體。如15實心銅棒加熱到1000℃15KW需6秒而25KW只需3秒。2.焊接範圍:15KW焊接秒面積為12平方釐米左右700-850℃銀基焊料,耗時約25秒,900-950℃銅基焊料則稍長。25KW焊接面積為25平方釐米左右,耗時約25秒3.熱處理:工件所需溫度依出處輸出電流大小和時間等參數而定最高可達2000℃左右4.加熱範圍:15KW空心2-120mm、25KW空心2-250mm。5mm加熱至900℃每分鐘可走5m5.熔煉:以實心15mm的鋼棒為例,熔化它15KW需15秒、25KW則只需10秒。第2页共12页第1页共12页電源工作時間顯示過壓過流缺水缺相輸出電流顯示啟動停止加熱時間保溫時間加熱電流調節保溫電流調節手動/自動编号:时间:2021年x月x日书山有路勤为径,学海无涯苦作舟页码:第2页共12页.1.五:感應圈:應用範例、感應圈設計感應圈內徑加熱鋼材感應圈圈數加熱銅材感應圈圈數223-4約8圈403約6圈553約6圈70-1502約4圈150以上1約2圈1:導磁性差的材料如銅.鋁等感應加熱時,感應圈圈數要增多2:感應圈與加熱部位偶合間隙在3-5mm為宜(加熱面積較小時)3:在最大輸出位置,電流顯示15KW:600A;25KW:1000A工作伸入感應圈內,電流如仍保持不變但加熱效果不好,這種情況說明:負載太輕,與感應圈偶合太差或感應圈圈數太少.此時要減小感應圈的尺寸,即減小感應圈與工件之間的間隙.如果已經很小,則增多感應圈的圈數.4:輸出震盪電流不能調到最大,即調節旋鈕至某一位置時,一加負載,電流下降很多甚至自動停機.說明負載太重,與感應圈的偶合太緊或者感應圈圈數太多.這時只要不自動停機都不會影響使用,而且此時加熱效率也很高。但如果發生自動停機則要適當增大感應圈的尺寸,即增大感應圈與工件之間的間隙。如果間隙已經較大,字要減少感應圈的圈數。5:與工件難與置與感應圈的平面加熱,或對非磁性金屬材料如銅、鋁等的加熱可採用不同形狀的導磁鐵癢磁芯聚磁。可以增加設備的功率輸出。6:宜採用壁厚1.5mm,5mm以上的紫銅管或方銅管撓制感應圈。7:感應圈的引出長度允許在500mm之內變動,在150mm-300mm為=宜六:功能圖七:指示燈第3页共12页第2页共12页编号:时间:2021年x月x日书山有路勤为径,学海无涯苦作舟页码:第3页共12页1:電源:合上控制開關,此燈亮表示有電。2““:工作:加熱時,此燈亮閃爍,同時蜂鳴器嘟嘟響3:過壓:此設備允許15KW-220V、25KW-380V。當設備輸入電壓過高時,設備自動停止加熱,過呀指示燈亮,並發出持續蜂鳴聲.2.4:欠水:該設備的感應圈各內部主要零件都是借助於水冷卻的,如果冷卻水溫太高或者機器使用久造成內部管道堵塞等原因使水冷卻效果變差時,此時應將自動停止工作,此時指示燈亮並發出持續蜂鳴聲。5:過流此燈亮在以下情況下可能發生:(1)干擾信號(2)內部溫度太高(3)設備故障(4)工件與感應圈接觸引起感應圈短路(5)感應圈兩圈之間接...

1、当您付费下载文档后,您只拥有了使用权限,并不意味着购买了版权,文档只能用于自身使用,不得用于其他商业用途(如 [转卖]进行直接盈利或[编辑后售卖]进行间接盈利)。
2、本站所有内容均由合作方或网友上传,本站不对文档的完整性、权威性及其观点立场正确性做任何保证或承诺!文档内容仅供研究参考,付费前请自行鉴别。
3、如文档内容存在违规,或者侵犯商业秘密、侵犯著作权等,请点击“违规举报”。

碎片内容

晶体式高频感应加热设备系列

您可能关注的文档

确认删除?
VIP
微信客服
  • 扫码咨询
会员Q群
  • 会员专属群点击这里加入QQ群
客服邮箱
回到顶部