电脑桌面
添加小米粒文库到电脑桌面
安装后可以在桌面快捷访问

6S检查小组及所检查区域计划表VIP免费

6S检查小组及所检查区域计划表_第1页
1/2
6S检查小组及所检查区域计划表_第2页
2/2
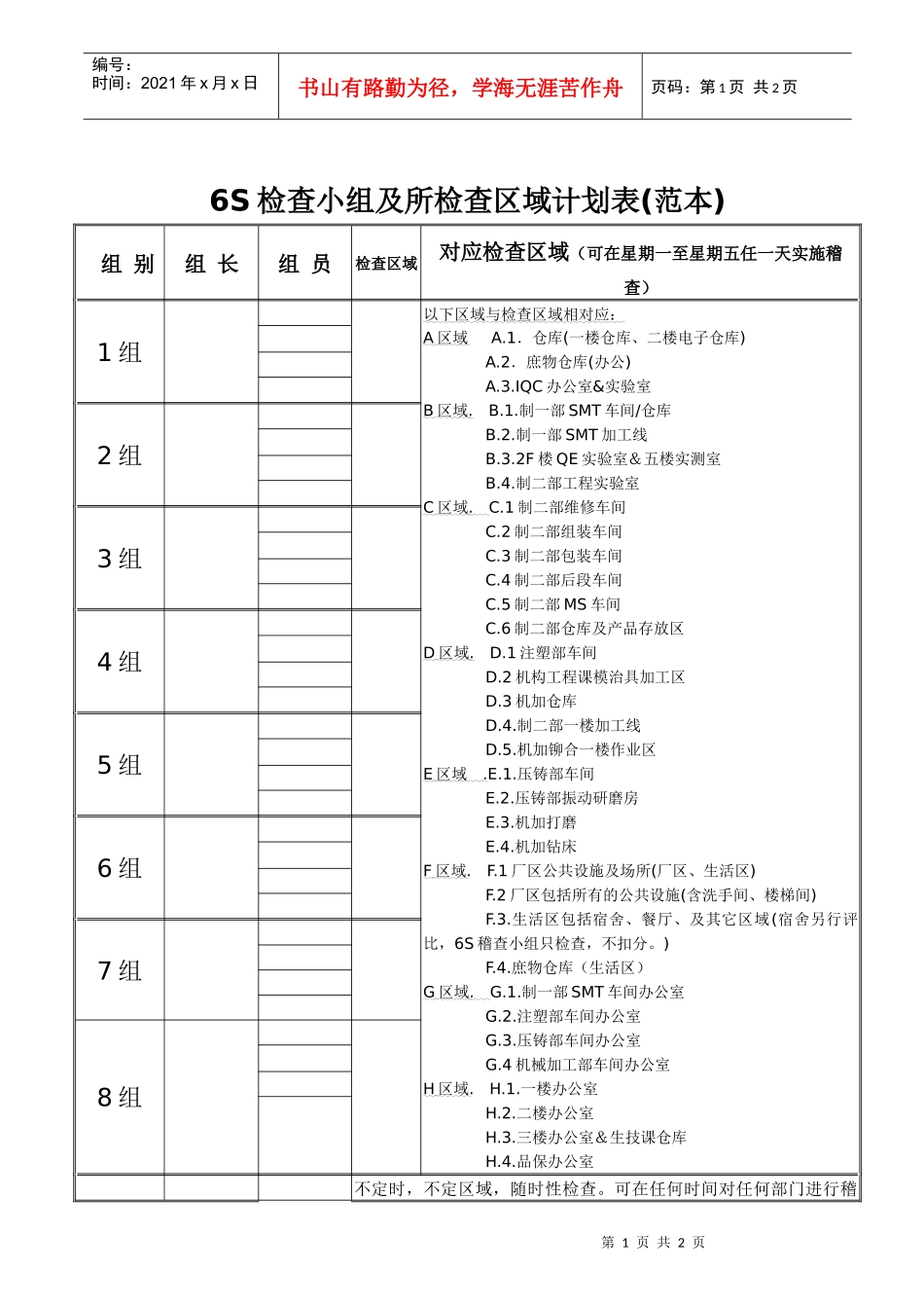
第1页共2页编号:时间:2021年x月x日书山有路勤为径,学海无涯苦作舟页码:第1页共2页6S检查小组及所检查区域计划表(范本)组别组长组员检查区域对应检查区域(可在星期一至星期五任一天实施稽查)1组以下区域与检查区域相对应:A区域A.1.仓库(一楼仓库、二楼电子仓库)A.2.庶物仓库(办公)A.3.IQC办公室&实验室B区域.B.1.制一部SMT车间/仓库B.2.制一部SMT加工线B.3.2F楼QE实验室&五楼实测室B.4.制二部工程实验室C区域.C.1制二部维修车间C.2制二部组装车间C.3制二部包装车间C.4制二部后段车间C.5制二部MS车间C.6制二部仓库及产品存放区D区域.D.1注塑部车间D.2机构工程课模治具加工区D.3机加仓库D.4.制二部一楼加工线D.5.机加铆合一楼作业区E区域.E.1.压铸部车间E.2.压铸部振动研磨房E.3.机加打磨E.4.机加钻床F区域.F.1厂区公共设施及场所(厂区、生活区)F.2厂区包括所有的公共设施(含洗手间、楼梯间)F.3.生活区包括宿舍、餐厅、及其它区域(宿舍另行评比,6S稽查小组只检查,不扣分。)F.4.庶物仓库(生活区)G区域.G.1.制一部SMT车间办公室G.2.注塑部车间办公室G.3.压铸部车间办公室G.4机械加工部车间办公室H区域.H.1.一楼办公室H.2.二楼办公室H.3.三楼办公室&生技课仓库H.4.品保办公室2组3组4组5组6组7组8组不定时,不定区域,随时性检查。可在任何时间对任何部门进行稽第2页共2页第1页共2页编号:时间:2021年x月x日书山有路勤为径,学海无涯苦作舟页码:第2页共2页9组查。

1、当您付费下载文档后,您只拥有了使用权限,并不意味着购买了版权,文档只能用于自身使用,不得用于其他商业用途(如 [转卖]进行直接盈利或[编辑后售卖]进行间接盈利)。
2、本站所有内容均由合作方或网友上传,本站不对文档的完整性、权威性及其观点立场正确性做任何保证或承诺!文档内容仅供研究参考,付费前请自行鉴别。
3、如文档内容存在违规,或者侵犯商业秘密、侵犯著作权等,请点击“违规举报”。

碎片内容

6S检查小组及所检查区域计划表

中小学文库+ 关注
实名认证
内容提供者

精品资料应用尽有

确认删除?
VIP
微信客服
  • 扫码咨询
会员Q群
  • 会员专属群点击这里加入QQ群
客服邮箱
回到顶部