电脑桌面
添加小米粒文库到电脑桌面
安装后可以在桌面快捷访问

车间统计员岗位说明书VIP免费

车间统计员岗位说明书_第1页
1/2
车间统计员岗位说明书_第2页
2/2
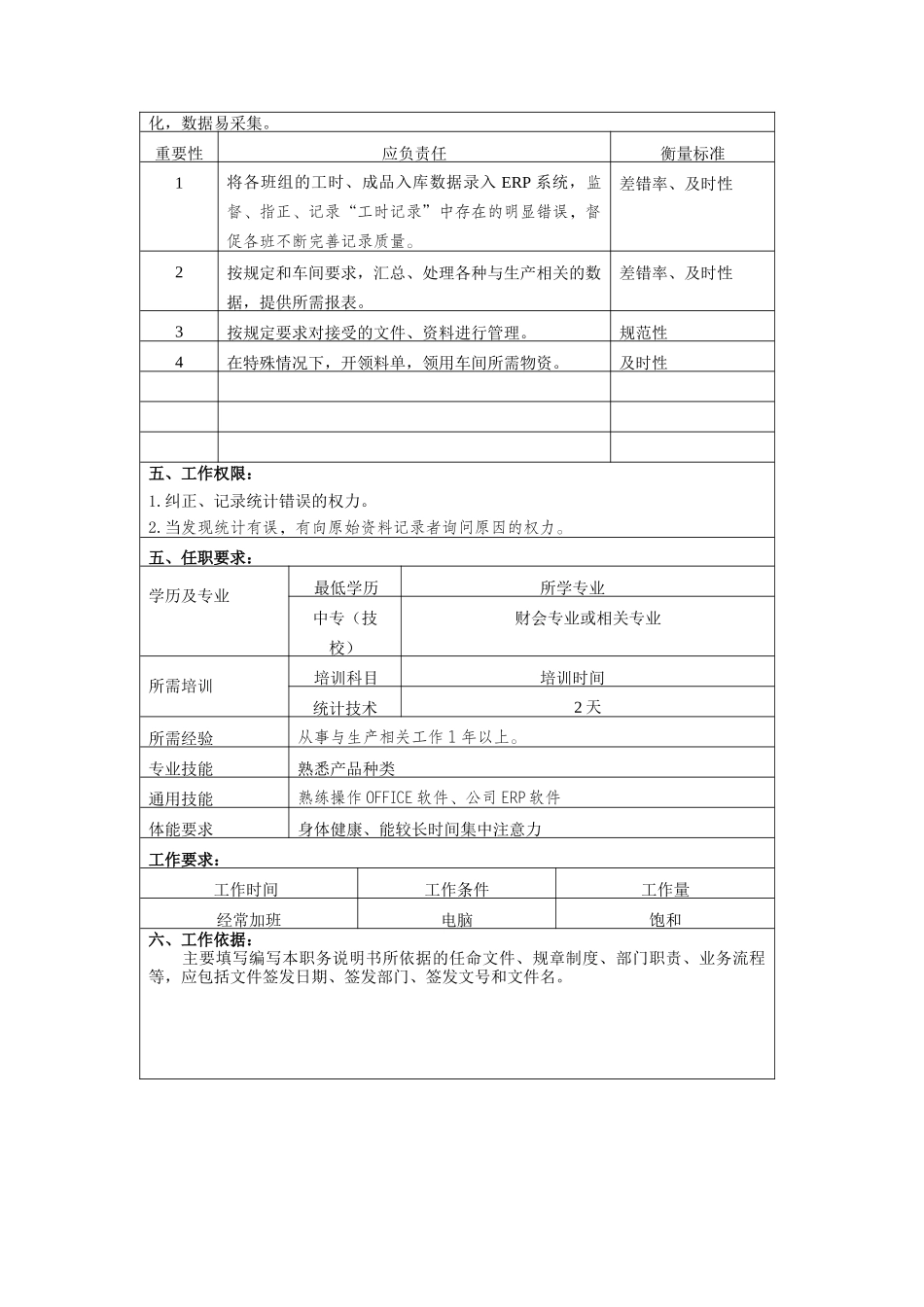
班长技术员车间统计员职位说明书一、基本信息:职位名称:车间统计员所属部门:总装车间拟定人签名:上级部门主管审批:所属职类职种:管理服务类/计划统计直接上级:车间主任定员人数:1~2人审核人签字:生效日期:二、职位目的:根据相关文件规定,汇总、分析、处理车间的数据,审查数据的真实性和有效性,提供所需的报表。三、工作关系(内部)工作关系(外部):/工作关系(职位范围):请列出与该职位工作范围与程度有关的资料,比如下属数目、直接控制的预算额,与直接负责或做出建议的开支项目。所在部门总人数:113该职位直接下属人数:/间接下属人数:/下属员工的种类:/直接控制的预算额:/其他指标:/四、主要应负责任:请描述该职位4-8相应负责任,包括主要活动和要达到的结果,每一应负责任请依其重要性排列,从(1)开始,(1)代表最重要。衡量标准可以是数量、质量、成本、时间、人员反映等等,应尽可能客观、量车间主任(该职位名称)车间统计员(同僚职位名称)直接下属职位名称和人数(上级职位名称)化,数据易采集。重要性应负责任衡量标准1将各班组的工时、成品入库数据录入ERP系统,监督、指正、记录“工时记录”中存在的明显错误,督促各班不断完善记录质量。差错率、及时性2按规定和车间要求,汇总、处理各种与生产相关的数据,提供所需报表。差错率、及时性3按规定要求对接受的文件、资料进行管理。规范性4在特殊情况下,开领料单,领用车间所需物资。及时性五、工作权限:1.纠正、记录统计错误的权力。2.当发现统计有误,有向原始资料记录者询问原因的权力。五、任职要求:学历及专业最低学历所学专业中专(技校)财会专业或相关专业所需培训培训科目培训时间统计技术2天所需经验从事与生产相关工作1年以上。专业技能熟悉产品种类通用技能熟练操作OFFICE软件、公司ERP软件体能要求身体健康、能较长时间集中注意力工作要求:工作时间工作条件工作量经常加班电脑饱和六、工作依据:主要填写编写本职务说明书所依据的任命文件、规章制度、部门职责、业务流程等,应包括文件签发日期、签发部门、签发文号和文件名。

1、当您付费下载文档后,您只拥有了使用权限,并不意味着购买了版权,文档只能用于自身使用,不得用于其他商业用途(如 [转卖]进行直接盈利或[编辑后售卖]进行间接盈利)。
2、本站所有内容均由合作方或网友上传,本站不对文档的完整性、权威性及其观点立场正确性做任何保证或承诺!文档内容仅供研究参考,付费前请自行鉴别。
3、如文档内容存在违规,或者侵犯商业秘密、侵犯著作权等,请点击“违规举报”。

碎片内容

车间统计员岗位说明书

确认删除?
VIP
微信客服
  • 扫码咨询
会员Q群
  • 会员专属群点击这里加入QQ群
客服邮箱
回到顶部