电脑桌面
添加小米粒文库到电脑桌面
安装后可以在桌面快捷访问

2000t设备润滑记录表VIP免费

2000t设备润滑记录表_第1页
1/35
2000t设备润滑记录表_第2页
2/35
2000t设备润滑记录表_第3页
3/35
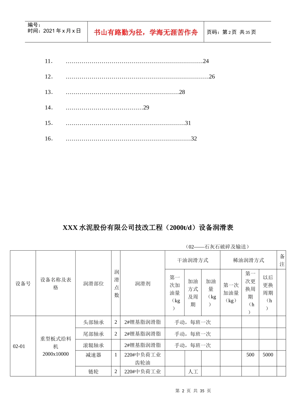
第1页共35页编号:时间:2021年x月x日书山有路勤为径,学海无涯苦作舟页码:第1页共35页目录1.……………………………………………………22.…………………………………………………………43.……………………………………………54.………………………………………………………75.……………………………………96.……………………………………………………117.……………………………………………138.…………………………179.……………………………………………………………1910.……………………………………………………………22第2页共35页第1页共35页编号:时间:2021年x月x日书山有路勤为径,学海无涯苦作舟页码:第2页共35页11.……………………………………………………………2412.………………………………………………………………2613.…………………………………………………2814.…………………………………2915.……………………………………………………3116.………………………………………………………32XXX水泥股份有限公司技改工程(2000t/d)设备润滑表(02——石灰石破碎及输送)设备号设备名称及表格润滑部位润滑点数润滑剂干油润滑方式稀油润滑方式备注第一次加油量(kg)加油方式及周期加油量(kg)第一次加油量(kg)第一次更换周期(h)以后更换周期(h)02-01重型板式给料机2000x10000头部轴承22#锂基脂润滑脂手动,每班一次尾部轴承22#锂基脂润滑脂手动,每班一次滚辊轴承2#锂基脂润滑脂手动,每班一次减速器1220#中负荷工业齿轮油5005000链轮2220#中负荷工业人工第3页共35页第2页共35页编号:时间:2021年x月x日书山有路勤为径,学海无涯苦作舟页码:第3页共35页齿轮油涂抹滚轮2#锂基脂润滑脂半年一次02-02单段锤式破碎机TKPC2001。HR轴承22#锂基脂润滑脂手动,每班一次02-03胶带输送机B1800X18000mm传动滚筒轴承22#钙基脂润滑脂每0.5~2年清洗滚动轴承并加入和第一次加油量一样多的新润滑油尾部滚筒轴承22#钙基脂润滑脂每0.5~2年清洗滚动轴承并加入和第一次加油量一样多的新润滑油拖辊2#钙基脂润滑脂每0.5~2年清洗滚动轴承并加入和第一次加油量一样多的新润滑油拉紧滚筒轴承62#锂基脂润滑脂每0.5~2年清洗滚动轴承并加入和第一次加油量一样多的新润滑油电动滚筒1N46#抗磨液压油3002500减速器220#中负荷工业齿轮油25600500002-04电动葫芦行车轮轴承22#锂基脂润滑脂每2~3年清洗滚动轴承一次行走减速机1220#中负荷工业齿轮油6005000电葫芦22#锂基脂润滑脂半年一次02-05气箱式脉冲袋式收尘器LPM5B-310卸料器22#锂基脂润滑脂每班一次减速电动机1220#中负荷工业齿轮油5005000气源三联体1220#中负荷工业齿轮油02-05-01螺旋输送机滑动轴承2#锂基脂润滑脂油杯每班两次端部轴承22#锂基脂润滑脂每班一次减速机1220#中负荷工业齿轮油500500002-06离心式通风机(右45度)C4-73-12NO。9D轴承2220#中负荷工业齿轮油第4页共35页第3页共35页编号:时间:2021年x月x日书山有路勤为径,学海无涯苦作舟页码:第4页共35页XXX水泥股份有限公司技改工程(2000t/d)设备润滑表(30a——石灰石输送)设备号设备名称及表格润滑部位润滑点数润滑剂干油润滑方式稀油润滑方式备注第一次加油量(kg)加油方式及周期加油量(kg)第一次加油量(kg)第一次更换周期(h)以后更换周期(h)30a-01DT11槽型胶带输送机B1000X449154B1000X679833传动滚动轴承22#锂基脂润滑脂每0.5~2年清洗滚动轴承并加入和第一次加油量一样多的新润滑油尾部滚动轴承22#锂基脂润滑脂每0.5~2年清洗滚动轴承并加入和第一次加油量一样多的新润滑油托辊2#锂基脂润滑脂半年一次拉紧滚筒轴62#锂基脂润滑脂半年一次第5页共35页第4页共35页编号:时间:2021年x月x日书山有路勤为径,学海无涯苦作舟页码:第5页共35页承减速器1220#中负荷工业齿轮油6005000液力偶合器146#抗磨液压油05-01DTII胶带输送机B1000X61486。7mm传动滚动轴承22#锂基脂润滑脂每0.5~2年清洗滚动轴承并加入和第一次加油量一样多的新润滑油尾部滚动轴承22#锂基脂润滑脂每0.5~2年清洗滚动轴承并加入和第一次加油量一样多的新润滑...

1、当您付费下载文档后,您只拥有了使用权限,并不意味着购买了版权,文档只能用于自身使用,不得用于其他商业用途(如 [转卖]进行直接盈利或[编辑后售卖]进行间接盈利)。
2、本站所有内容均由合作方或网友上传,本站不对文档的完整性、权威性及其观点立场正确性做任何保证或承诺!文档内容仅供研究参考,付费前请自行鉴别。
3、如文档内容存在违规,或者侵犯商业秘密、侵犯著作权等,请点击“违规举报”。

碎片内容

2000t设备润滑记录表

确认删除?
VIP
微信客服
  • 扫码咨询
会员Q群
  • 会员专属群点击这里加入QQ群
客服邮箱
回到顶部