电脑桌面
添加小米粒文库到电脑桌面
安装后可以在桌面快捷访问

一种新型油烟净化设备的研究VIP免费

一种新型油烟净化设备的研究_第1页
1/6
一种新型油烟净化设备的研究_第2页
2/6
一种新型油烟净化设备的研究_第3页
3/6
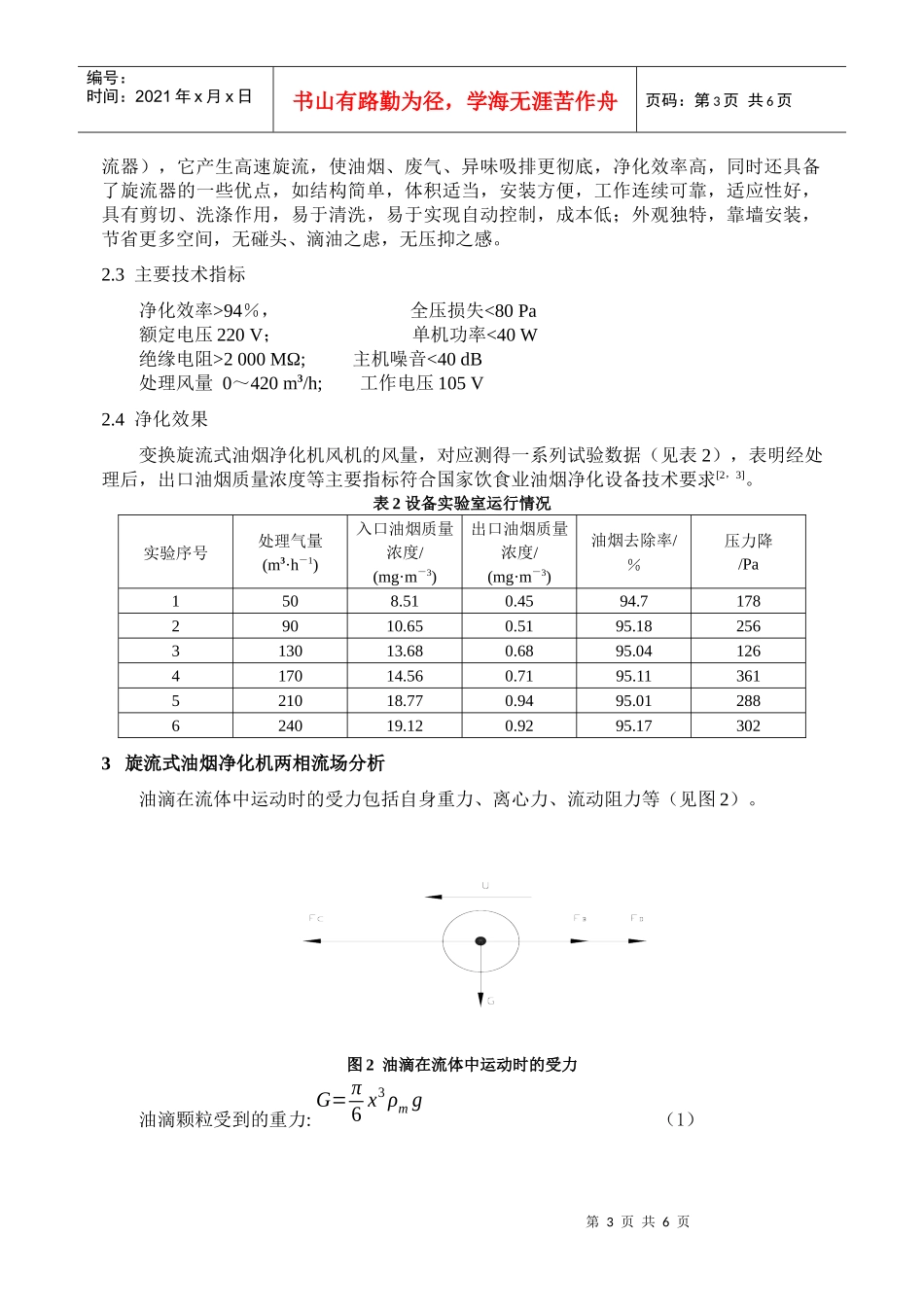
第1页共6页编号:时间:2021年x月x日书山有路勤为径,学海无涯苦作舟页码:第1页共6页一种新型油烟净化设备的研究夏正兵1袁惠新#(江苏工业学院分离工程研究所,江苏常州213016)摘要分析了饮食业油烟污染的危害和油烟净化设备的现状,介绍了一种新型的油烟净化设备——旋流式油烟净化机,阐述了该技术的基本原理,实验结果表明,在旋流式油烟净化机处理气量为50~240m3/h时,出口油烟质量浓度为0.45~0.94mg/m3,油烟去除率为94.7%~95.2%,符合国家饮食业油烟净化设备技术要求。关键词油烟净化旋流技术Researchonanew-typedequipmentforcookingfumedepurationXiaZhengbing,YuanHuixin.(InstituteofSeparationEngineering,JiangsuPolytechnicUniversity,ChangzhouJiangsu213016)Abstract:Thispaperanalyzedtheharmsandthepresentsituationofthecookingfumepurificationofthefood,andintroducedanew-typedequipmentforcookingfumedepuration——cyclonicequipmentforcookingfumedepuration.Thebasicworkingprincipleandoptionaldesignparameterofequipmentwerestated.Theresearchresultsshowedthatwhenit’stolerancewas50-240m3/h,andtheconsistencewas0.45-0.94mg/m3,thepurificationefficiencyofthedevicecouldreach94.7%-95.2%,anditaccordedwiththedieteticdemandaboutcookingfumepurificationofchina.Keywords:cookingfume;purification;technologyofcyclone烹饪油烟、汽车尾气及噪音已经成为城市的三大公害。为了改善城市的生态环境,保护居民的身体健康,开发效率高、运行稳定、投资少、占地小、运行费用低、操作维护简单的油烟净化技术和设备是我国控制油雾污染的研究重点之一。1油烟净化技术现状目前,市场上的油烟机有脱排油烟机和油烟净化机两种。现用于居民厨房的脱排油烟机,通过叶轮的旋转,一方面产生简单的惯性分离,另一方面产生气力输送,通过过滤对油烟起到一定的净化作用。这种油烟机主要存在4方面的问题:(1)机型主要是扁方浅型,片面强调美观,不符合空气动力学原理,无法形成高效的负压通道,油烟外溢现象严重,厨房内油烟浓度大大超标;(2)叶轮旋转产生的惯性分离,效果较差,原因是叶轮旋转产生的流场尚未发展成旋流场,油烟在期间的停留时间太短,来不及沉降分离;(3)由于烟油粘附性强,过滤介质很容易被堵塞而失去过滤作用;(4)污染的过滤介质无法循环再用,造成新的污染;叶轮与原油烟接触,使用一段时间后,叶轮上粘满烟油,清洗困难。因此,这种油烟机使用一段时间后,脱排、净化效果恶化,厨房甚至厨房以外的家具物品表面出现厚厚的油垢。癌症等一些疾病的发病率居高不下,与厨房油烟不无关系[1]。表1是各种油烟净化机油烟处理技术性能的比较。表1各种油烟处理技术性能比较油烟处理技术油烟去除率/////%/压力投资运行费用过滤法75~80100~小较大1第一作者:夏正兵,男,1982年生,研究方向为多相流与分离技术。#通讯作者。第2页共6页第1页共6页编号:时间:2021年x月x日书山有路勤为径,学海无涯苦作舟页码:第2页共6页活性碳吸附法75~80100~大较大蜂窝式净化法变化大200~小大水雾水幕洗涤75~85200~适中需耗电、加水运水烟罩75~85200~大较大静电法75~85100~较大主要耗电费用2旋流式油烟净化机的原理及净化效果2.1原理含油烟气从进口切线方向进入旋风筒,在筒内强烈旋转,逐渐沿筒壁螺旋运动下降,强烈旋转所产生的离心力把油雾抛向筒体内表面,集积在壁面的油雾相互粘连形成大的油滴,在重力作用下逐渐降至筒体底部,定期排放。由于离心作用及油烟中油的粘性,使气体中的油滴极易附在筒壁上,净化油烟效果更好。90%以上的油雾在旋风分离过程中被除去,经过旋风除油后的烟气被风机吸入,未净化的油烟及油烟中的气态污染物经过此部分,除去余下的油和油烟中的异味,净化后的烟气通过排气筒直接排入大气。利用气液两相分离技术,旋流式油烟净化机的结构示意图见图1。图1旋流式油烟净化机的结构1—风机;2—三通管;3—软管;4—旋流器;5—油杯2.2主要特点与其他油烟净化机相比,旋流式油烟净化机的最大改进就是采用了旋...

1、当您付费下载文档后,您只拥有了使用权限,并不意味着购买了版权,文档只能用于自身使用,不得用于其他商业用途(如 [转卖]进行直接盈利或[编辑后售卖]进行间接盈利)。
2、本站所有内容均由合作方或网友上传,本站不对文档的完整性、权威性及其观点立场正确性做任何保证或承诺!文档内容仅供研究参考,付费前请自行鉴别。
3、如文档内容存在违规,或者侵犯商业秘密、侵犯著作权等,请点击“违规举报”。

碎片内容

一种新型油烟净化设备的研究

您可能关注的文档

确认删除?
VIP
微信客服
  • 扫码咨询
会员Q群
  • 会员专属群点击这里加入QQ群
客服邮箱
回到顶部