电脑桌面
添加小米粒文库到电脑桌面
安装后可以在桌面快捷访问

工程设备运行与维修工作方案VIP免费

工程设备运行与维修工作方案_第1页
1/28
工程设备运行与维修工作方案_第2页
2/28
工程设备运行与维修工作方案_第3页
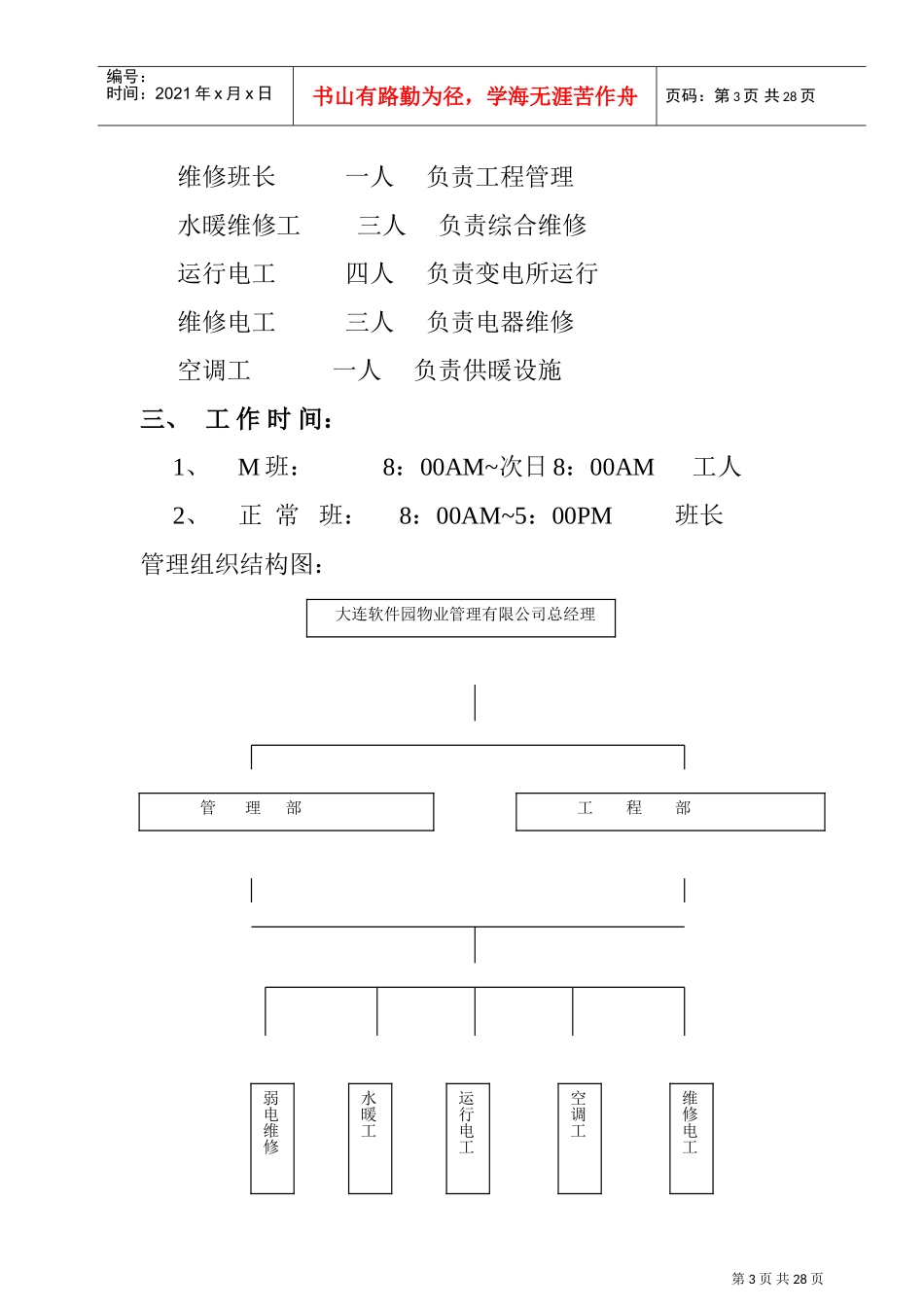
3/28
第1页共28页编号:时间:2021年x月x日书山有路勤为径,学海无涯苦作舟页码:第1页共28页XX物业服务中心工程设备运行、维修工作方案目的在对XXXX信息学院三期公寓的设备进行使用及运行的基础上,为了使其所具有的机能能够100%的发挥出来而实施专门的服务及管理,避免因设备性能下降而贬值,由此对其进行社会性的、安全的、经济的维护和管理。一、物业管理项目:1、消防设备。A、送、排风机,排烟风机。B、消火栓。C、喷洒、水幕装置。D、烟感。E、温感。2、给、排水设备。A、上、下水。B、水泵。C、阀门、管路。D、卫生间。E、化粪池、马葫芦。3、弱电设备。A、背景音乐。第2页共28页编号:时间:2021年x月x日书山有路勤为径,学海无涯苦作舟页码:第2页共28页B、有线电视。C、电话。D、网络。4、强电设备。A、变电所。B、配电柜。C、配电盘。D、照明器具。E、动力设备。5、供热系统。A、板式换热器。B、水泵。C、暖气。D、电热水锅炉。6、土建。A、防水、大白。B、梯级。C、门窗。7、防护设备。A、避雷针。8、综合布线。二、人员设置:第3页共28页编号:时间:2021年x月x日书山有路勤为径,学海无涯苦作舟页码:第3页共28页维修班长一人负责工程管理水暖维修工三人负责综合维修运行电工四人负责变电所运行维修电工三人负责电器维修空调工一人负责供暖设施三、工作时间:1、M班:8:00AM~次日8:00AM工人2、正常班:8:00AM~5:00PM班长管理组织结构图:大连软件园物业管理有限公司总经理工程部管理部弱电维修水暖工运行电工空调工维修电工第4页共28页编号:时间:2021年x月x日书山有路勤为径,学海无涯苦作舟页码:第4页共28页五、工作内容及标准:一》、消防设备:一)、序号项目管理标准保障措施1送、排风机1、内。2、3、保温良好。4、确。5、线段子无变色。依据工作规范进行2排烟机1、内。2、3、依据工作规范进行第5页共28页编号:时间:2021年x月x日书山有路勤为径,学海无涯苦作舟页码:第5页共28页保温良好。4、确。电机配线牢固,接线段子无变色。3喷洒、水幕装置1、2、依据工作规范进行4烟感、温感1、2、依据工作规范进行5消火栓1、2、3、依据工作规范进行6火灾自动报警1、2、洁。依据工作规范进行二)、实施流程:A、消火栓给水系统。1、每周巡回检查1次消火栓给水系统是否处于正常状态。2、每季度对消防管道及附件、消火栓、消防水泵接合器、阀门、压力表等一切设备,进行一次全面检修。第6页共28页编号:时间:2021年x月x日书山有路勤为径,学海无涯苦作舟页码:第6页共28页3、每年检查一次消火栓,打开箱门,确认设备有无缺损、泄漏,如有,进行补充或更换。B、自动喷水灭火系统。1、制定详尽的管理、检测、维护制度,日常工作由专职工程技术人员、义务消防队或消防员执行。2、负责系统维护的人员每天巡检责任区内所有水源控制阀、报警阀及其附属组件,进行外观检查,并观察压力表指针所指压力是否正常,确保系统处于无故障状态。3、每年对水源的供水能力进行一次测定,确保水源满足设计水量和水压。4、每月对喷头进行外观检查,发现不正常的喷头或喷头上附有异物,及时更换或清除。5、各种不同规格的喷头均要储存一定数量的备品。其数量不少于安装总数的1%,且每种类型和不同温标的备用喷头数均应不少于10个。6、每季度检修一次如下设备:a、湿式报警阀1)、压力表指针确认,每年送检。2)、直角阀密封确认。b、闸阀1)、开启、关闭一次。第7页共28页编号:时间:2021年x月x日书山有路勤为径,学海无涯苦作舟页码:第7页共28页2)、如盘跟有泄露,更换盘根填料。3)、确保阀门开启、关闭灵活。c、单向阀1)、查看密封是否良好,无泄漏。2)、确认在工作压力下,单向阀开启无误。d、水泵接合器1)、确认有无泄露。2)、每两年进行一次油漆。3)、确认接口平整。e、安全阀1)、每年检测一次。2)、确保动作执行元件准确无误。f、排水漏斗1)、保证下水畅通,无堵塞。2)、如有锈蚀,重新油漆。g、压力表1)、每年送检一次。2)、确认指针无松动、抖动现象,如有,立即更换。h、节流孔板1)、确认节流孔板无堵塞。i、水流报警器1)、检查确认靶片无断裂,无锈蚀,接线牢固...

1、当您付费下载文档后,您只拥有了使用权限,并不意味着购买了版权,文档只能用于自身使用,不得用于其他商业用途(如 [转卖]进行直接盈利或[编辑后售卖]进行间接盈利)。
2、本站所有内容均由合作方或网友上传,本站不对文档的完整性、权威性及其观点立场正确性做任何保证或承诺!文档内容仅供研究参考,付费前请自行鉴别。
3、如文档内容存在违规,或者侵犯商业秘密、侵犯著作权等,请点击“违规举报”。

碎片内容

工程设备运行与维修工作方案

您可能关注的文档

确认删除?
VIP
微信客服
  • 扫码咨询
会员Q群
  • 会员专属群点击这里加入QQ群
客服邮箱
回到顶部