电脑桌面
添加小米粒文库到电脑桌面
安装后可以在桌面快捷访问

23【XXX】物料编码规则说明书V10(必选)VIP免费

23【XXX】物料编码规则说明书V10(必选)_第1页
1/33
23【XXX】物料编码规则说明书V10(必选)_第2页
2/33
23【XXX】物料编码规则说明书V10(必选)_第3页
3/33
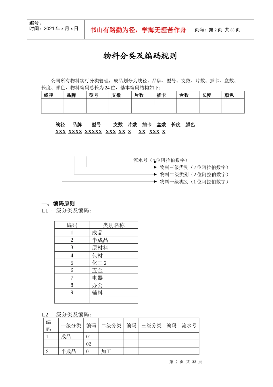
第1页共33页编号:时间:2021年x月x日书山有路勤为径,学海无涯苦作舟页码:第1页共33页物料编码规则说明书第2页共33页第1页共33页编号:时间:2021年x月x日书山有路勤为径,学海无涯苦作舟页码:第2页共33页物料分类及编码规则公司所有物料实行分类管理,成品划分为线径、品牌、型号、支数、片数、插卡、盒数、长度、颜色,物料编码总长为24位,基本编码结构如下:线径品牌型号支数片数插卡盒数长度颜色线径品牌型号支数片数插卡盒数长度颜色XXXXXXXXXXXXXXXXXXXXXXXX流水号(4位阿拉伯数字)物料三级类别(2位阿拉伯数字)物料二级类别(2位阿拉伯数字)物料一级类别(1位阿拉伯数字)一、编码原则1.1一级分类及编码:编码类别名称1成品2半成品3原材料4包材5化工26五金7电器8办公9辅料1.2二级分类及编码:编码一级分类编码二级分类编码三级分类编码流水号1成品01022半成品01加工第3页共33页第2页共33页编号:时间:2021年x月x日书山有路勤为径,学海无涯苦作舟页码:第3页共33页023原材料01线材02线板03底料4包材01纸盒02纸箱03包装物5化工01胶水02油漆03天那水6五金01机器配件02工具7电器8办公01易耗品02劳保9辅料二、类别详细定义及规则说明1.01产品命名规则:类别定义:夏盔名称规则:型号+光/花+(客户商标)+材质+标准规格描述的规则:无示例:物料编码名称规则规格描述辅助属性1.01.00001339花(YH)底色花号花色尺码1.01.00001339花(YH)白色PU20841#红花XXL1.02产品命名规则:类别定义:半盔名称规则:型号+光/花+(客户商标)+材质+标准规格描述的规则:无示例:物料编码名称规则规格描述辅助属性第4页共33页第3页共33页编号:时间:2021年x月x日书山有路勤为径,学海无涯苦作舟页码:第4页共33页1.02.00001868花(NOX)ECE底色花号花色尺码1.03产品命名规则:类别定义:全盔名称规则:型号+光/花+(客户商标)+材质+标准规格描述的规则:无示例:物料编码名称规则规格描述辅助属性1.03.00001957花(BKR)玻璃钢DOT底色花号花色尺码1.04产品命名规则:类别定义:越野盔名称规则:型号+光/花+(客户商标)+材质+标准规格描述的规则:无示例:物料编码名称规则规格描述辅助属性1.04.00001630光(BILT)DOT底色花号花色尺码1.05产品命名规则:类别定义:揭面盔名称规则:型号+光/花+(客户商标)+材质+标准规格描述的规则:无示例:物料编码名称规则规格描述辅助属性1.05.00001958花(NOW)709料ECE底色花号花色尺码1.06产品命名规则:类别定义:哈雷盔名称规则:型号+光/花+(客户商标)+材质+标准规格描述的规则:无示例:物料编码名称规则规格描述辅助属性1.06.00001201花(ZOAN)DOT底色花号花色尺码第5页共33页第4页共33页编号:时间:2021年x月x日书山有路勤为径,学海无涯苦作舟页码:第5页共33页1.07产品命名规则:类别定义:玩具盔名称规则:型号+光/花+(客户商标)+材质+标准规格描述的规则:无示例:物料编码名称规则规格描述辅助属性1.07.00001S991(YOHE)底色花号花色尺码1.99产品命名规则:类别定义:销售配件名称规则:型号+代码+颜色+码数规格描述的规则:无示例:物料编码名称规则规格描述辅助属性1.99.00001护手(YHH3黑色全包均码)底色花号花色尺码2.01.01产品命名规则:类别定义:塑料壳体名称规则:产品型号+壳体(内/外)+材料描述规格描述的规则:无示例:物料编码名称规格描述2.01.01.0001936壳体ABS709料原色2.01.02产品命名规则:类别定义:复材壳体名称规则:产品型号+壳体(内/外)+材料描述规格描述的规则:无示例:物料编码名称规格描述2.01.02.0001808壳体玻璃钢2.02产品命名规则:类别定义:下巴名称规则:产品型号+下巴+材料描述规格描述的规则:无示例:第6页共33页第5页共33页编号:时间:2021年x月x日书山有路勤为径,学海无涯苦作舟页码:第6页共33页物料编码名称规格描述2.02.00001953下巴LG140料原色2.03产品命名规则:类别定义:帽檐帽檐名称规则:产品型号+帽檐+材料描述规格描述的规则:无示例:物料编码名称规格描述2.03.01.0001630帽檐ABS709料原色2.03.01产品命名规则:类别定义:帽檐打扣名称规则:产品型号+帽檐打扣+材料描述规格描述的...

1、当您付费下载文档后,您只拥有了使用权限,并不意味着购买了版权,文档只能用于自身使用,不得用于其他商业用途(如 [转卖]进行直接盈利或[编辑后售卖]进行间接盈利)。
2、本站所有内容均由合作方或网友上传,本站不对文档的完整性、权威性及其观点立场正确性做任何保证或承诺!文档内容仅供研究参考,付费前请自行鉴别。
3、如文档内容存在违规,或者侵犯商业秘密、侵犯著作权等,请点击“违规举报”。

碎片内容

23【XXX】物料编码规则说明书V10(必选)

您可能关注的文档

中小学文库+ 关注
实名认证
内容提供者

精品资料应用尽有

确认删除?
VIP
微信客服
  • 扫码咨询
会员Q群
  • 会员专属群点击这里加入QQ群
客服邮箱
回到顶部