电脑桌面
添加小米粒文库到电脑桌面
安装后可以在桌面快捷访问

设备管理记录VIP专享VIP免费

设备管理记录_第1页
1/16
设备管理记录_第2页
2/16
设备管理记录_第3页
3/16
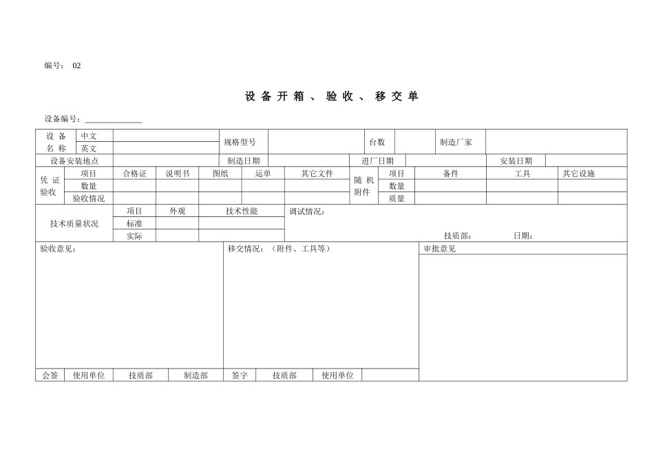
编号:01设备请购单请购部门请购日期设备名称规格型号申请数量需求日期申请理由申请单位主管:自制外购厂商联系情况(供应商名称、价格等):技质部主管:总经理财务部经理制造部长编号:02设备开箱、验收、移交单设备编号:设备名称中文规格型号台数制造厂家英文设备安装地点制造日期进厂日期安装日期凭证验收项目合格证说明书图纸运单其它文件随机附件项目备件工具其它设施数量数量验收情况质量技术质量状况项目外观技术性能调试情况:技质部:日期:标准实际验收意见:移交情况:(附件、工具等)审批意见会签使用单位技质部制造部签字技质部使用单位编号:03机器设备卡制卡日期:名称规格型号公司编号生产厂家编号制造日期占地面积重量(kg)购置日期购置金额始用年月安装地点日期重要规格说明:用途传动方式电机用途电压功率相数附件名称数量备注审核:制表:编号:04设备管理台帐序号设备编号设备名称型号/规格生产厂家生产日期安装日期安装地点电机功率(KW)设备原值(万元)设备类别厂内编号生产厂家编号1234567891011121314编号:06年度维修保养计划月份设备名称维保项目123456789101112计划实施计划实施计划实施计划实施计划实施计划实施计划实施计划实施计划实施计划实施计划实施计划实施编制:审核:批准:编号:07设备事故/故障处理报告单设备使用部门操作者设备名称型号厂内编号事故发生时间年月日时修理完工时间年月日时事故事实描述技质部签名:操作者签名:年月日原因责任分析技质部:年月日故障处理情况制造部:年月日费用计算停机时间停机损失费用修理时间修理费用更换零件费合计损失费用再发防止措施技质部:年月日处理情况审批制造部:年月日复审经理:年月日编号:08设备点检卡工序:设备名称:设备型号:编号:年月序号检查项目检查方法检查日期备注1234567891011121314151617181920212223242526272829303112345678910111213存在问题记录检查良好尚可不正常CM值操作者工序班组制造部修理意见标记√△╳注:应依据不同设备的情况,填写点检的项目和方法编号:09设备巡检日志巡检日期场所判定问题性质设备名称/编号问题描述处理结果巡检人YESNO违章故障编号:10设备完好检查记录日期设备编号设备名称检查内容检查得分扣分原因技术状态判定处理意见完好可用停用检查总结检查人员:年月日注:检查的每一项满分为10分,扣分情况依据其损坏情况、维修难易程度、对生产的影响和维修所需的时间由检查人员决定。第12页共16页编号:时间:2021年x月x日书山有路勤为径,学海无涯苦作舟页码:第12页共16页编号:11定期保养记录表设备名称:公司编号:使用单位:保养时间:序号保养项目保养人保养情况记录备注第13页共16页第12页共16页编号:时间:2021年x月x日书山有路勤为径,学海无涯苦作舟页码:第13页共16页保养后验收情况记录:验收人/日期:编号:12备件管理计划单序号备件名称型号规格件数适用何设备计划需求时间第14页共16页第13页共16页编号:时间:2021年x月x日书山有路勤为径,学海无涯苦作舟页码:第14页共16页制表:主管:制表日期:编号:13设备改造报告设备名称规格型号设备编号设备原用途和功能:改造原因及改造后达到目的:改造方案:第15页共16页第14页共16页编号:时间:2021年x月x日书山有路勤为径,学海无涯苦作舟页码:第15页共16页编制人/日期:审批人/日期:实施情况:实施人/日期:改造后验收情况:验收人/日期备注编号:14设备报废申请单设备名称规格型号设备编号报废日期报废原因:申请部门:申请人:制造部意见:第16页共16页第15页共16页编号:时间:2021年x月x日书山有路勤为径,学海无涯苦作舟页码:第16页共16页签字/日期:设备动力科意见:签字/日期:总工程师意见:签字/日期:备注:

1、当您付费下载文档后,您只拥有了使用权限,并不意味着购买了版权,文档只能用于自身使用,不得用于其他商业用途(如 [转卖]进行直接盈利或[编辑后售卖]进行间接盈利)。
2、本站所有内容均由合作方或网友上传,本站不对文档的完整性、权威性及其观点立场正确性做任何保证或承诺!文档内容仅供研究参考,付费前请自行鉴别。
3、如文档内容存在违规,或者侵犯商业秘密、侵犯著作权等,请点击“违规举报”。

碎片内容

设备管理记录

确认删除?
VIP
微信客服
  • 扫码咨询
会员Q群
  • 会员专属群点击这里加入QQ群
客服邮箱
回到顶部