电脑桌面
添加小米粒文库到电脑桌面
安装后可以在桌面快捷访问

现场管理类隐患排查治理台账VIP免费

现场管理类隐患排查治理台账_第1页
1/63
现场管理类隐患排查治理台账_第2页
2/63
现场管理类隐患排查治理台账_第3页
3/63
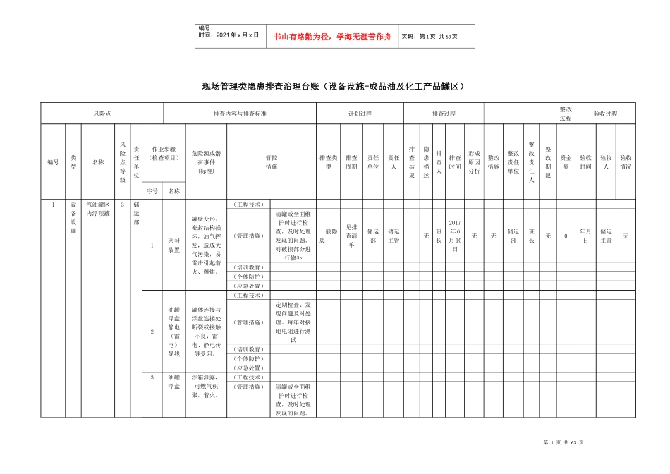
第1页共63页编号:时间:2021年x月x日书山有路勤为径,学海无涯苦作舟页码:第1页共63页现场管理类隐患排查治理台账(设备设施-成品油及化工产品罐区)风险点排查内容与排查标准计划过程排查过程整改过程验收过程编号类型名称风险点等级责任单位作业步骤(检查项目)危险源或潜在事件(标准)管控措施排查类型排查周期责任单位责任人排查结果隐患描述排查人排查时间形成原因分析整改措施整改责任单位整改责任人整改期限资金额验收时间验收人验收情况序号名称1设备设施汽油罐区内浮顶罐3储运部1密封装置罐壁变形、密封结构损坏,油气挥发,造成大气污染,易雷击引起着火、爆炸。(工程技术)(管理措施)清罐或全面维护时进行检查,及时处理发现的问题。对破损部分进行修补一般隐患见排查清单储运部储运主管无班长2017年6月10日无无储运部班长无0年月日储运主管无(培训教育)(个体防护)(应急处置)2油罐浮盘静电(雷电)导线罐体连接与浮盘连接处断裂或接触不良,雷电、静电传导受阻。(工程技术)(管理措施)定期检查、发现问题及时处理。每年对接地电阻进行测试(培训教育)(个体防护)(应急处置)3油罐浮盘浮箱泄露,可燃气积聚,着火。(工程技术)(管理措施)清罐或全面维护时进行检查,及时处理发现的问题。第2页共63页第1页共63页编号:时间:2021年x月x日书山有路勤为径,学海无涯苦作舟页码:第2页共63页对破损的浮箱进行更换(培训教育)(个体防护)(应急处置)4泡沫产生器网罩、玻璃损坏,易堵塞,泡沫液难以进入罐内,着火(工程技术)(管理措施)定期检查、发现问题及时处理。对损坏部件进行更换。(培训教育)(个体防护)(应急处置)5浮盘支腿泄漏,浮盘变形损坏(工程技术)(管理措施)清罐或全面维护时进行检查,及时处理发现的问题。对破损部分进行更换(培训教育)(个体防护)(应急处置)6油罐导向柱浮盘卡阻变形,着火(工程技术)(管理措施)清罐或全面维护时进行检查,及时处理发现的问题(培训教育)(个体防护)(应急处置)7浮盘人孔物料泄漏,着火(工程技术)(管理措施)清罐或全面维护时进行检查,及时处理发现的问题。对损坏垫片进第3页共63页第2页共63页编号:时间:2021年x月x日书山有路勤为径,学海无涯苦作舟页码:第3页共63页行更换(培训教育)(个体防护)(应急处置)8液位计液位计假指示,液位超高物料外溢,发生着火(工程技术)(管理措施)巡检检查、发现问题及时处理。(培训教育)(个体防护)(应急处置)9温度计液位计假指示,油罐超温,油气挥发,着火(工程技术)(管理措施)巡检发现问题及时处理。温度计定期校验(培训教育)(个体防护)(应急处置)10高位报警器报警器无动作,液位超高物料外溢,发生着火(工程技术)(管理措施)发现问题及时处理。(培训教育)(个体防护)(应急处置)11接口法兰物料泄漏,着火(工程技术)(管理措施)巡检检查、发现问题及时处理。(培训教育)第4页共63页第3页共63页编号:时间:2021年x月x日书山有路勤为径,学海无涯苦作舟页码:第4页共63页(个体防护)(应急处置)12罐壁防腐腐蚀泄露,着火(工程技术)(管理措施)清罐或全面维护时进行检查,及时处理发现的问题。对脱落的防腐层进行重新防腐(培训教育)(个体防护)(应急处置)13机械式呼吸阀阀瓣锈蚀,起跳压力异常,油罐超压,着火(工程技术)(管理措施)发现问题及时处理。冰冻季节加强检查,清除阀盘上的水珠、灰尘、螺栓加油,防止冻凝(培训教育)(个体防护)(应急处置)14阻火器阻火器失效,着火(工程技术)(管理措施)发现问题及时处理。冰冻季节加强检查,故障时及时清洁或更换波纹板阻火片(培训教育)(个体防护)(应急处置)15罐体罐体变形损坏,物料泄(工程技术)(管理措施)发现罐体出现第5页共63页第4页共63页编号:时间:2021年x月x日书山有路勤为径,学海无涯苦作舟页码:第5页共63页漏,着火变形应及时处理。(培训教育)(个体防护)(应急处置)2设备设施柴油罐区内浮顶罐3储运部1密封装置罐壁变形、密封结构损坏,油气挥发,造成大气污染,易雷击引起着火、爆炸。(工程技术)(...

1、当您付费下载文档后,您只拥有了使用权限,并不意味着购买了版权,文档只能用于自身使用,不得用于其他商业用途(如 [转卖]进行直接盈利或[编辑后售卖]进行间接盈利)。
2、本站所有内容均由合作方或网友上传,本站不对文档的完整性、权威性及其观点立场正确性做任何保证或承诺!文档内容仅供研究参考,付费前请自行鉴别。
3、如文档内容存在违规,或者侵犯商业秘密、侵犯著作权等,请点击“违规举报”。

碎片内容

现场管理类隐患排查治理台账

中小学文库+ 关注
实名认证
内容提供者

精品资料应用尽有

确认删除?
VIP
微信客服
  • 扫码咨询
会员Q群
  • 会员专属群点击这里加入QQ群
客服邮箱
回到顶部