电脑桌面
添加小米粒文库到电脑桌面
安装后可以在桌面快捷访问

日常安全教育记录-钢筋工VIP免费

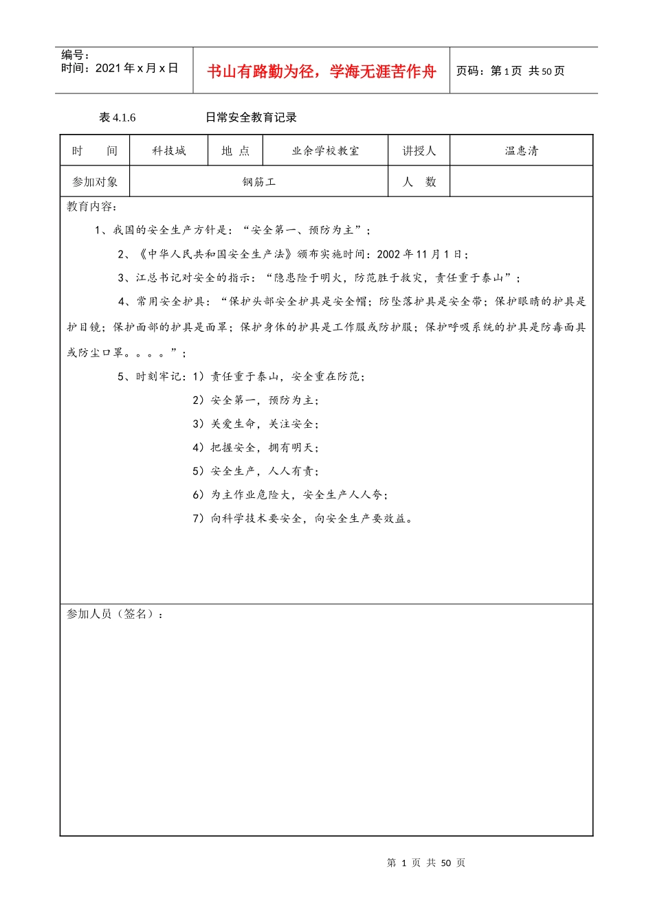
日常安全教育记录-钢筋工_第1页
1/50
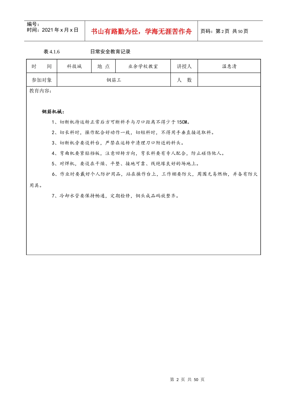
日常安全教育记录-钢筋工_第2页
2/50
日常安全教育记录-钢筋工_第3页
3/50
第1页共50页编号:时间:2021年x月x日书山有路勤为径,学海无涯苦作舟页码:第1页共50页表4.1.6日常安全教育记录时间科技城地点业余学校教室讲授人温惠清参加对象钢筋工人数教育内容:1、我国的安全生产方针是:“安全第一、预防为主”;2、《中华人民共和国安全生产法》颁布实施时间:2002年11月1日;3、江总书记对安全的指示:“隐患险于明火,防范胜于救灾,责任重于泰山”;4、常用安全护具:“保护头部安全护具是安全帽;防坠落护具是安全带;保护眼睛的护具是护目镜;保护面部的护具是面罩;保护身体的护具是工作服或防护服;保护呼吸系统的护具是防毒面具或防尘口罩。。。。”;5、时刻牢记:1)责任重于泰山,安全重在防范;2)安全第一,预防为主;3)关爱生命,关注安全;4)把握安全,拥有明天;5)安全生产,人人有责;6)为主作业危险大,安全生产人人夸;7)向科学技术要安全,向安全生产要效益。参加人员(签名):第2页共50页第1页共50页编号:时间:2021年x月x日书山有路勤为径,学海无涯苦作舟页码:第2页共50页表4.1.6日常安全教育记录时间科技城地点业余学校教室讲授人温惠清参加对象钢筋工人数教育内容:钢筋机械:1、切断机待运转正常后方可断料手与刀口距离不得少于15CM。2、切长料时,操作配合好动作一致,切短料时,不得用手垂直接送取料。3、切断机旁要设料台,严禁在运转中清理刀口附近的料头。4、弯曲机要紧贴档板,注意回转方向,弯长料要有专人配合,防止碰伤他人。5、对焊机,要设在干燥、平整、接地可靠、线绝缘良好的场地上。6、作业时要戴好个人防护用品,站在操作台上,工作棚要防火,周围无易燃物,并备有防火用具。7、冷却水管要保持畅通,定期检修,铜头成品码放整齐。第3页共50页第2页共50页编号:时间:2021年x月x日书山有路勤为径,学海无涯苦作舟页码:第3页共50页参加人员(签名):表4.1.6日常安全教育记录时间科技城地点业余学校教室讲授人温惠清参加对象钢筋工人数第4页共50页第3页共50页编号:时间:2021年x月x日书山有路勤为径,学海无涯苦作舟页码:第4页共50页教育内容:安全常识1、进入施工现场必须戴好安全帽,高处作业必须系好安全带。2、施工作业人员严禁酒后上岗,疲劳作业、带病作业。3、施工人员必须遵守现场安全管理制度,不违章指挥、不违章作业;做到三不伤害:不伤害自己、不伤害别人、不被人伤害。参加人员(签名):表4.1.6日常安全教育记录时间科技城地点业余学校教室讲授人温惠清第5页共50页第4页共50页编号:时间:2021年x月x日书山有路勤为径,学海无涯苦作舟页码:第5页共50页参加对象钢筋工人数教育内容:1、《安全生产法》包括总则、生产经营单位的安全生产保障、从业人员的权利和义务、安全生产监督管理、生产安全事故的应急调查处理、法律责任以及附则。2、《中华人民共和国刑法》规定,对于强令他人违章冒险作业,因而发生重大伤亡事故或者造成其他严重后果,情节特别恶劣的将处以5年以上的有期徒刑。3、《中华人民共和国劳动法》有关安全卫士方面规定:用人单位必须建立、健全劳动卫生制度,严格执行国家劳动安全卫生规程和标准,对劳动者进行劳动安全卫士教育,防止劳动过程中出现事故,减少职业危害;劳动安全卫生设施必须符合国家规定的标准。4、《中华人民共和国消防法》对火灾预防、消防组织、灭火救援、法律责任作了详细规定:制定消防安全制度和消防安全操作规程;实行防火安全责任制,确定本单位和所属各部门、岗位的消防安全责任人;针对本单位的特点对职工进行消防宣传教育;组织防火检查,及时消除火灾隐患;按照国家有关规定配置消防设施和器材、设置消防安全标志,并定期组织检验、维修,确保消防设施和器材完好、有效;保障疏散通道、安全出口畅通,并设置符合国家规定的消防安全疏散标志。参加人员(签名):表4.1.6日常安全教育记录时间科技城地点业余学校教室讲授人温惠清第6页共50页第5页共50页编号:时间:2021年x月x日书山有路勤为径,学海无涯苦作舟页码:第6页共50页参加对象钢筋工人数教育内容:1、现场人工断料,所用工具必须牢固,掌錾子和打锤要站成斜角,注意扔锤区域内的...

1、当您付费下载文档后,您只拥有了使用权限,并不意味着购买了版权,文档只能用于自身使用,不得用于其他商业用途(如 [转卖]进行直接盈利或[编辑后售卖]进行间接盈利)。
2、本站所有内容均由合作方或网友上传,本站不对文档的完整性、权威性及其观点立场正确性做任何保证或承诺!文档内容仅供研究参考,付费前请自行鉴别。
3、如文档内容存在违规,或者侵犯商业秘密、侵犯著作权等,请点击“违规举报”。

碎片内容

日常安全教育记录-钢筋工

确认删除?
VIP
微信客服
  • 扫码咨询
会员Q群
  • 会员专属群点击这里加入QQ群
客服邮箱
回到顶部