电脑桌面
添加小米粒文库到电脑桌面
安装后可以在桌面快捷访问

安全台帐三级教育VIP免费

安全台帐三级教育_第1页
1/46
安全台帐三级教育_第2页
2/46
安全台帐三级教育_第3页
3/46
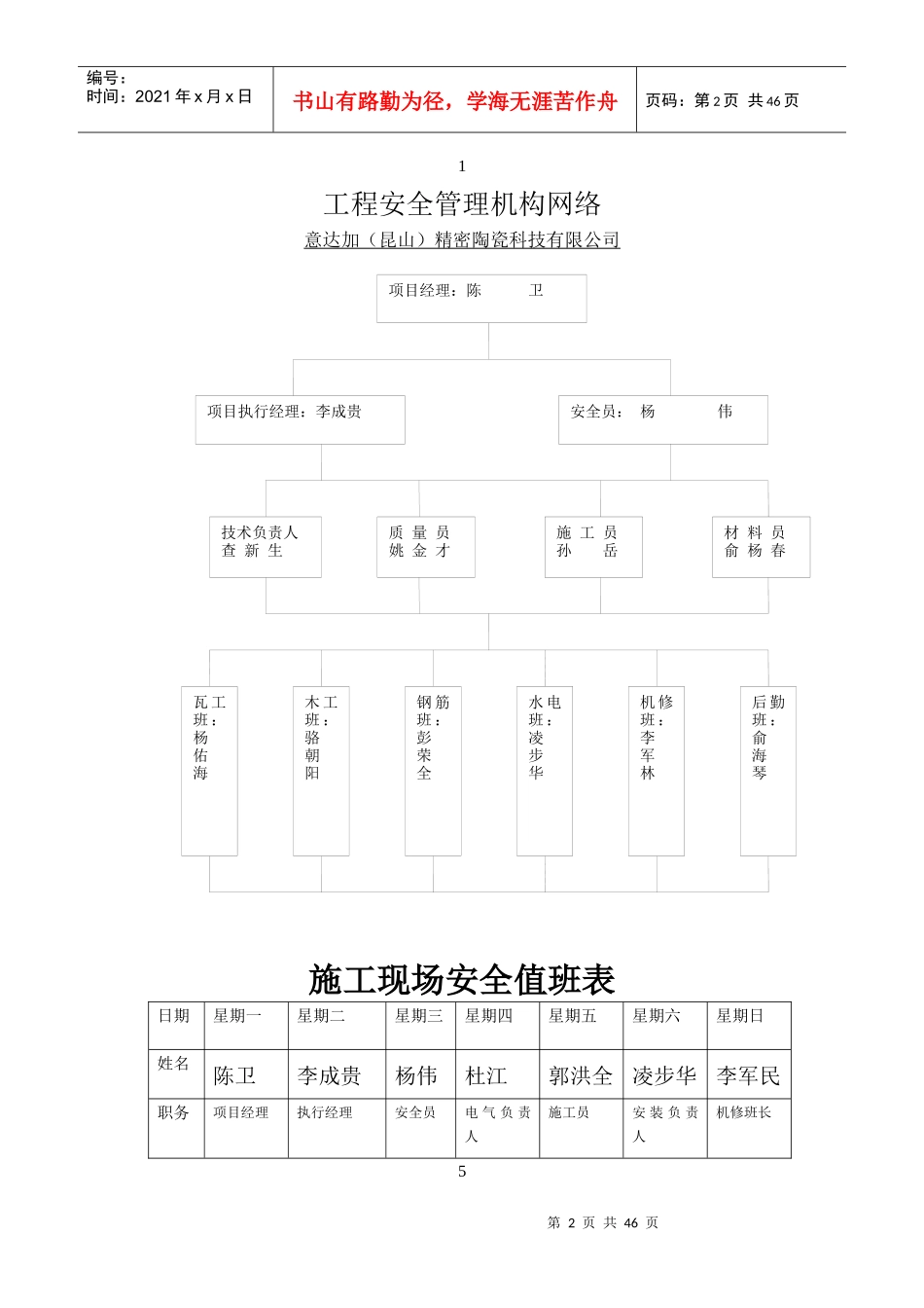
第1页共46页编号:时间:2021年x月x日书山有路勤为径,学海无涯苦作舟页码:第1页共46页工程概况表工程名称意达加(昆山)精密陶瓷科技有限公司结构类型钢结构建筑面积18500m2建设单位意达加(昆山)精密陶瓷科技有限公司现场负责人张春森联系电话13761172324监理单位/总监/监理/联系电话/设计单位中国海诚工程科技股份有限公司负责人王晓军联系电话021-64370093-2265项目经理陈卫联系电话13773286498项目工程师查新生联系电话53536793施工员孙岳土方施工单位/负责人/桩基施工单位/负责人/联系电话/其它施工单位/负责人/联系电话/架子施工负责人/维修电工李军民联系电话13656261794钢筋工负责人尹庆平瓦工负责人杨佑海机修工毛伯贵塔吊司机/塔吊指挥人/木工负责人骆朝阳文明卫生负责人韩成金消防责任人封纯华开工日期2005-8-20竣工日期2006-3-31安全员杨伟注:检查时项目部提供本资料外,还必须提供1、单位工程安全员工作日志;2、企业安全管理制度;3、各级人员安全生产责任制;4、职工三级安全教育卡片,安全生产责任书;5、单位工程施工组织设计;第2页共46页第1页共46页项目经理:陈卫项目执行经理:李成贵技术负责人查新生质量员姚金才施工员孙岳材料员俞杨春瓦工班:杨佑海木工班:骆朝阳钢筋班:彭荣全水电班:凌步华机修班:李军林后勤班:俞海琴安全员:杨伟编号:时间:2021年x月x日书山有路勤为径,学海无涯苦作舟页码:第2页共46页1工程安全管理机构网络意达加(昆山)精密陶瓷科技有限公司施工现场安全值班表日期星期一星期二星期三星期四星期五星期六星期日姓名陈卫李成贵杨伟杜江郭洪全凌步华李军民职务项目经理执行经理安全员电气负责人施工员安装负责人机修班长5第3页共46页第2页共46页编号:时间:2021年x月x日书山有路勤为径,学海无涯苦作舟页码:第3页共46页职工三级安全教育卡人员明细表编号:序号姓名工种工龄年龄性别进企业日期教育时间教育内容得分备注王敬高瓦工男05.9.1韩成金瓦工男05.9.1王留全瓦工男05.9.1王体秋瓦工男05.9.1马国元瓦工男05.9.1苏长方瓦工男05.9.1周发勇瓦工男05.9.1曾详瓦工男05.9.1江建华瓦工男05.9.1马洪斌瓦工男05.9.1郭洪林瓦工男05.9.1池连贵瓦工男05.9.1张利华瓦工男05.9.1马邦强瓦工男05.9.1熊安如瓦工男05.9.1熊安均瓦工男05.9.1熊安海瓦工男05.9.1刘汉华瓦工男05.9.1余国洪瓦工男05.9.1吕松成瓦工男05.9.1马文忠瓦工男05.9.1龚清华瓦工男05.9.1张玉胜瓦工男05.9.1第4页共46页第3页共46页编号:时间:2021年x月x日书山有路勤为径,学海无涯苦作舟页码:第4页共46页张心俊瓦工男05.9.1注:三级教育卡及职工安全生产另装订成册13职工三级安全教育卡人员明细表编号:序号姓名工种工龄年龄性别进企业日期教育时间教育内容得分备注卢代全瓦工男05.9.1杨佑海瓦工男05.9.1薛国林瓦工男05.9.1懂玉林瓦工男05.9.1王光荣瓦工男05.9.1骆朝明木工男05.9.1杨先军木工男05.9.1骆朝阳木工男05.9.1祝国志木工男05.9.1刘开春木工男05.9.1王华军木工男05.9.1苏久安木工男05.9.1安传夫木工男05.9.1骆朝金木工男05.9.1杨佑刚木工男05.9.1彭久平木工男05.9.1周海荣木工男05.9.1彭荣权钢筋工男05.9.1彭荣军钢筋工男05.9.1文志勇钢筋工男05.9.1彭登海钢筋工男05.9.1聂加林钢筋工男05.9.1第5页共46页第4页共46页编号:时间:2021年x月x日书山有路勤为径,学海无涯苦作舟页码:第5页共46页刘开富钢筋工男05.9.1尹闻天钢筋工男05.9.1注:三级教育卡及职工安全生产另装订成册职工三级安全教育卡人员明细表编号:序号姓名工种工龄性别年龄进企业日期教育时间教育内容得分备注刘亮钢筋工男05.9.1江忠勇钢筋工男05.9.1龚禄权钢筋工男05.9.1徐成亮钢筋工男05.9.1李兴和钢筋工男05.9.1姜洪利钢筋工男05.9.1胡登旭钢筋工男05.9.1何志洪钢筋工男05.9.1何红波钢筋工男05.9.1姜利明钢筋工男05.9.1徐敏钢筋工男05.9.1姜洪高钢筋工男05.9.1代成刚钢筋工男05.9.1王登炎钢筋工男05.9.1龚明亮钢筋工男05.9.1涂佳强钢筋工男05...

1、当您付费下载文档后,您只拥有了使用权限,并不意味着购买了版权,文档只能用于自身使用,不得用于其他商业用途(如 [转卖]进行直接盈利或[编辑后售卖]进行间接盈利)。
2、本站所有内容均由合作方或网友上传,本站不对文档的完整性、权威性及其观点立场正确性做任何保证或承诺!文档内容仅供研究参考,付费前请自行鉴别。
3、如文档内容存在违规,或者侵犯商业秘密、侵犯著作权等,请点击“违规举报”。

碎片内容

安全台帐三级教育

您可能关注的文档

确认删除?
VIP
微信客服
  • 扫码咨询
会员Q群
  • 会员专属群点击这里加入QQ群
客服邮箱
回到顶部