电脑桌面
添加小米粒文库到电脑桌面
安装后可以在桌面快捷访问

汽机检修设备台账VIP免费

汽机检修设备台账_第1页
1/61
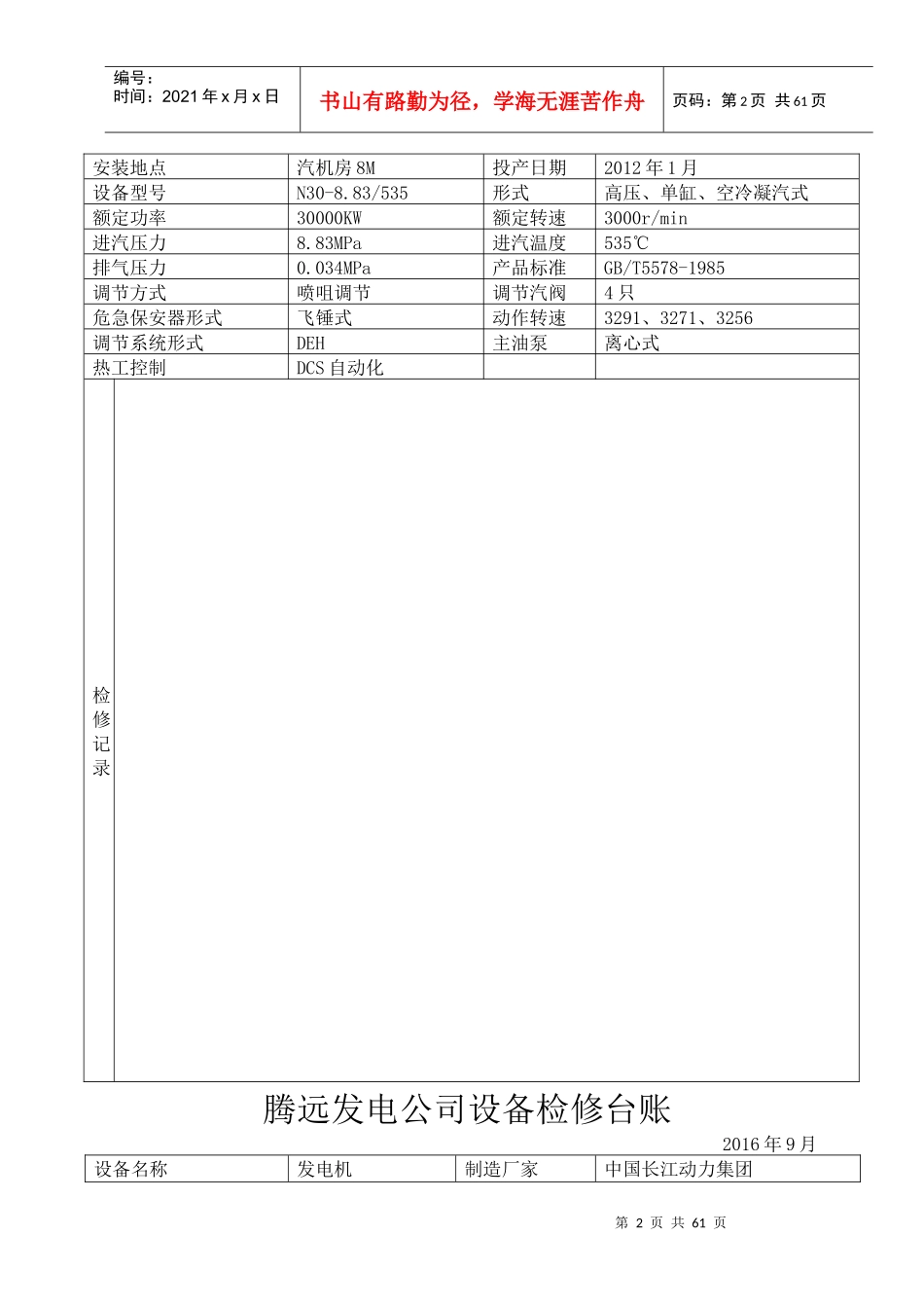
汽机检修设备台账_第2页
2/61
汽机检修设备台账_第3页
3/61
第1页共61页编号:时间:2021年x月x日书山有路勤为径,学海无涯苦作舟页码:第1页共61页腾远煤化工发电公司设备检修台账2016年9月20腾远发电公司设备检修台账2016年9月设备名称凝汽式空冷汽轮机制造厂家中国长江动力集团设备编号出厂编号Q4019N/1资产编号出厂日期2010年2月第2页共61页第1页共61页编号:时间:2021年x月x日书山有路勤为径,学海无涯苦作舟页码:第2页共61页安装地点汽机房8M投产日期2012年1月设备型号N30-8.83/535形式高压、单缸、空冷凝汽式额定功率30000KW额定转速3000r/min进汽压力8.83MPa进汽温度535℃排气压力0.034MPa产品标准GB/T5578-1985调节方式喷咀调节调节汽阀4只危急保安器形式飞锤式动作转速3291、3271、3256调节系统形式DEH主油泵离心式热工控制DCS自动化检修记录腾远发电公司设备检修台账2016年9月设备名称发电机制造厂家中国长江动力集团第3页共61页第2页共61页编号:时间:2021年x月x日书山有路勤为径,学海无涯苦作舟页码:第3页共61页设备编号出厂编号F4053K/1资产编号出厂日期2010年3月安装地点汽机房8M投产日期2012年1月设备型号QF-30-2额定功率3000KW额定容量37.5MVA额定转速3000r/min额定电流2062A功率因数0.8励磁方式静止励磁发电机频率50HZ励磁电压500V励磁电流800A发电机临界转速1410r/min定子重量47t转子重量19.1t定子电压10500v检修记录腾远发电公司设备检修台账第4页共61页第3页共61页编号:时间:2021年x月x日书山有路勤为径,学海无涯苦作舟页码:第4页共61页2016年9月设备名称发电机空冷器制造厂家中国长江动力集团设备编号出厂编号资产编号出厂日期2010年3月安装地点发电机下3m投产日期2012年1月设备型号KJWQ800×4工作压力0.049MPa冷却水量322M3/n检修记录第5页共61页第4页共61页编号:时间:2021年x月x日书山有路勤为径,学海无涯苦作舟页码:第5页共61页腾远发电公司设备检修台账2016年9月设备名称单排管空凝汽器制造厂家山西申华电站设备厂设备编号出厂编号资产编号出厂日期2011年8月安装地点空冷支架20m投产日期2012年1月设备型号30MW散热面积112680m2汽轮机背压34KPa汽轮机排汽量96.05t/n风机台数6台×110KW调节方式变频(自动化)顺流管束48组逆流管束12组第6页共61页第5页共61页编号:时间:2021年x月x日书山有路勤为径,学海无涯苦作舟页码:第6页共61页检修记录腾远发电公司设备检修台账2016年9月设备名称空冷器清洗装置制造厂家山西申华电站设备厂设备编号出厂编号KL143资产编号出厂日期2011年3月安装地点空冷支架20m投产日期2012年1月设备型号QX-B80-10数量4台第7页共61页第6页共61页编号:时间:2021年x月x日书山有路勤为径,学海无涯苦作舟页码:第7页共61页检修记录腾远发电公司设备检修台账2016年9月设备名称高压柱塞泵制造厂家天津聚能高压泵厂设备编号出厂编号587资产编号出厂日期2010年7月1日第8页共61页第7页共61页编号:时间:2021年x月x日书山有路勤为径,学海无涯苦作舟页码:第8页共61页安装地点汽机房零米投产日期2012年1月设备型号39-15额定压力13MPa理论流量173L/min电机功率45KW检修记录腾远发电公司设备检修台账2016年9月设备名称电动双梁桥式起重机制造厂家山东泰山起重机有限公司设备编号出厂编号100014第9页共61页第8页共61页编号:时间:2021年x月x日书山有路勤为径,学海无涯苦作舟页码:第9页共61页资产编号出厂日期2010年4月安装地点汽机房16米投产日期2011年10月设备型号QD32/5t-19.5mA5工作级别A5起重量32/5跨度19.5m起升高度14/12m起升速度主钩2m/min,副钩7m运行速度大车35m/min小车20m/min检修记录腾远发电公司设备检修台账2016年9月设备名称自动主汽门制造厂家中国长江动力集团第10页共61页第9页共61页编号:时间:2021年x月x日书山有路勤为径,学海无涯苦作舟页码:第10页共61页设备编号出厂编号资产编号出厂日期2010年3月安装地点汽机房8m投产日期2012年1月设备型号ZF180-10-1×183最高压力10MPa最高温度560℃进汽口径Ф183mm开启行程75mm出气口径4×Ф107mm检修记录腾远发电公司设备检修台账第11页共61页第10页共61页编号:时间:2021年x月x日书山有路勤为径,学海无涯苦作舟页码:...

1、当您付费下载文档后,您只拥有了使用权限,并不意味着购买了版权,文档只能用于自身使用,不得用于其他商业用途(如 [转卖]进行直接盈利或[编辑后售卖]进行间接盈利)。
2、本站所有内容均由合作方或网友上传,本站不对文档的完整性、权威性及其观点立场正确性做任何保证或承诺!文档内容仅供研究参考,付费前请自行鉴别。
3、如文档内容存在违规,或者侵犯商业秘密、侵犯著作权等,请点击“违规举报”。

碎片内容

汽机检修设备台账

确认删除?
VIP
微信客服
  • 扫码咨询
会员Q群
  • 会员专属群点击这里加入QQ群
客服邮箱
回到顶部