电脑桌面
添加小米粒文库到电脑桌面
安装后可以在桌面快捷访问

矿山安全生产技术应试指南VIP免费

矿山安全生产技术应试指南_第1页
1/21
矿山安全生产技术应试指南_第2页
2/21
矿山安全生产技术应试指南_第3页
3/21
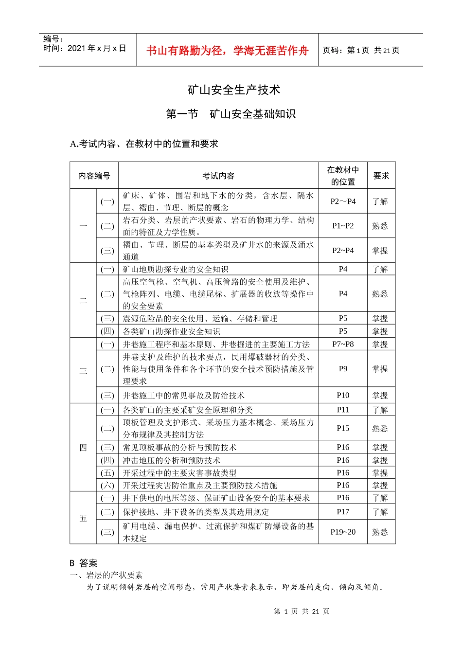
第1页共21页编号:时间:2021年x月x日书山有路勤为径,学海无涯苦作舟页码:第1页共21页矿山安全生产技术第一节矿山安全基础知识A.考试内容、在教材中的位置和要求内容编号考试内容在教材中的位置要求一(一)矿床、矿体、围岩和地下水的分类,含水层、隔水层、褶曲、节理、断层的概念P2~P4了解(二)岩石分类、岩层的产状要素、岩石的物理力学、结构面的特征及力学性质。P1~P2熟悉(三)褶曲、节理、断层的基本类型及矿井水的来源及涌水通道P2~P4掌握二(一)矿山地质勘探专业的安全知识P4了解(二)高压空气枪、空气机、高压管路的安全使用及维护、气枪阵列、电缆、电缆尾标、扩展器的收放等操作中的安全要素P4熟悉(三)震源危险品的安全使用、运输、存储和管理P5掌握(四)各类矿山勘探作业安全知识P5掌握三(一)井巷施工程序和基本原则、井巷掘进的主要施工方法P7~P8掌握(二)井巷支护及维护的技术要点,民用爆破器材的分类、性能与使用条件和各个环节的安全技术预防措施及管理要求P9掌握(三)井巷施工中的常见事故及防治技术P10掌握四(一)各类矿山的主要采矿安全原理和分类P11了解(二)顶板管理及支护形式、采场压力基本概念、采场压力分布规律及其控制方法P15熟悉(三)常见顶板事故的分析与预防技术P16掌握(四)冲击地压的分析和预防技术P16掌握(五)开采过程中的主要灾害事故类型P16掌握(六)开采过程灾害防治重点及主要预防技术措施P16掌握五(一)井下供电的电压等级、保证矿山设备安全的基本要求P16了解(二)保护接地、井下设备的类型及其选用规定P17了解(三)矿用电缆、漏电保护、过流保护和煤矿防爆设备的基本规定P19~20熟悉B答案一、岩层的产状要素为了说明倾斜岩层的空间形态,常用产状要素来表示,即岩层的走向、倾向及倾角。第2页共21页第1页共21页编号:时间:2021年x月x日书山有路勤为径,学海无涯苦作舟页码:第2页共21页二、褶曲、节理、断层的基本类型及矿井水的来源1.褶曲褶皱构造的基本单位叫褶曲。褶曲就是岩层的一个弯曲。褶曲的基本形态:一般把褶曲的基本形态分成背斜和向斜两种。2.断层与节理岩层在外力或内力作用下,产生了机械破坏,使岩体丧失连续性和完整性,不论发生位移与否,都称岩层产生了断裂。断裂后,两侧岩层若没有发生显著位移,称为裂隙或节理;发生了显著的位移则称断层。1)裂隙裂隙按成因可分为:原生裂隙、风化裂隙和构造裂隙。根据裂隙的产状和岩层的产状关系,可分为:走向裂隙、倾向裂隙和斜交裂隙。2)断层岩层沿断裂面发生显著位移的断裂构造,称为断层。断层的分类。根据断层上下盘相对移动的方向,可分为:正断层、逆断层和平推断层。根据断层面的倾角,又把逆断层分为:冲断层(断层面倾角大于450)、逆掩断层(断层面倾角为450~250之间)和辗掩断层(断层面倾角在250以下)、根据断层走向与岩层走向关系,把断层又分为:走向断层、斜交断层。3.矿井水来源:地表水、含水层水、老窑水和断层水。三、井巷施工程序和基本原则、井巷施工的主要方法1.井巷施工程序和基本原则井巷工程包括井筒、井底车场巷道及硐室、主要石门、运输大巷、采区巷道及回风巷道等全部工程。这些工程中有一些工程构成连锁工程项目,也可以称为矿井建设关键线路或主要矛盾线,也就是决定矿井建设最短总工期的,只能按顺序施工的路线。该线路上的各单位工程统称关键工程。其中包括井筒、井底车场重车线、主要石门、运输大巷、采区车场、采区上山、最后一个采区切割巷道或与风井贯通巷道、风井等。2.井巷施工的主要方法井筒施工根据施式方法及地层赋存条件的不同,分为普通凿井法与特殊凿井法。普通凿井法是在稳定或含水较少的地层中采用钻眼爆破或其他常规手段凿井的方法。特殊凿井法是在不稳定或含水量很大的地层中,采用非钻爆法的特殊技术与工艺的凿井方法。通常采用的有冻结法凿井、钻井法凿井、注浆凿井法。(1)普通凿井法第3页共21页第2页共21页编号:时间:2021年x月x日书山有路勤为径,学海无涯苦作舟页码:第3页共21页钻眼爆破法破岩。在岩体上钻凿一定直径、一定深度及数量的炮眼,并在其中装入炸药,靠炸药爆炸的力量破碎岩体,从而达到井巷掘进的目的,这种方法就叫...

1、当您付费下载文档后,您只拥有了使用权限,并不意味着购买了版权,文档只能用于自身使用,不得用于其他商业用途(如 [转卖]进行直接盈利或[编辑后售卖]进行间接盈利)。
2、本站所有内容均由合作方或网友上传,本站不对文档的完整性、权威性及其观点立场正确性做任何保证或承诺!文档内容仅供研究参考,付费前请自行鉴别。
3、如文档内容存在违规,或者侵犯商业秘密、侵犯著作权等,请点击“违规举报”。

碎片内容

矿山安全生产技术应试指南

您可能关注的文档

确认删除?
VIP
微信客服
  • 扫码咨询
会员Q群
  • 会员专属群点击这里加入QQ群
客服邮箱
回到顶部