电脑桌面
添加小米粒文库到电脑桌面
安装后可以在桌面快捷访问

大连市特种设备监督检验所塔式起重机安装改造重大维修监督检验项VIP免费

大连市特种设备监督检验所塔式起重机安装改造重大维修监督检验项_第1页
1/5
大连市特种设备监督检验所塔式起重机安装改造重大维修监督检验项_第2页
2/5
大连市特种设备监督检验所塔式起重机安装改造重大维修监督检验项_第3页
3/5
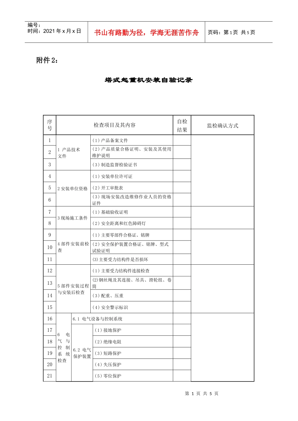
第1页共5页编号:时间:2021年x月x日书山有路勤为径,学海无涯苦作舟页码:第1页共5页附件2:塔式起重机安装自验记录序号检查项目及其内容自检结果监检确认方式11产品技术文件(1)产品备案文件2(2)产品质量合格证明、安装及其使用维护说明3(3)制造监督检验证书42安装单位资格(1)安装单位许可证5(2)开工审批表6(3)现场安装改造维修作业人员的资格证件73现场施工条件(1)基础验收证明8(2)安全距离和红色障碍灯94部件安装前检查(1)主要零部件合格证、铭牌10(2)安全保护装置合格证、铭牌、型式试验证明11(3)主要受力结构件是否损坏125部件安装过程与安装后检查(1)主要受力结构件连接检查13(2)钢丝绳及其连接、吊具、滑轮组、卷筒14(3)配重、压重15(4)安全警示标识166电气与控制系统检查6.1电气设备与控制系统176.2电气保护装置(1)接地保护18(2)绝缘电阻19(3)短路保护20(4)失压保护21(5)零位保护第2页共5页第1页共5页编号:时间:2021年x月x日书山有路勤为径,学海无涯苦作舟页码:第2页共5页22(6)过流(过载)保护23(7)供电电源断错相保护塔式起重机安装自验记录第3页共5页第2页共5页编号:时间:2021年x月x日书山有路勤为径,学海无涯苦作舟页码:第3页共5页塔式起重机安装自验记录序号检查项目及其内容自检结果监检确认方式247安全保护和防护装置检验7.1制动器(1)工作制动器与安全制动器的设置25(2)制动器型式、制动性能26(3)制动器推动器漏油现象27(4)制动轮与摩擦片摩擦、缺陷和油污现象28(5)制动器调整29(6)制动轮裂纹、划痕、凹凸不平度307.2起重量限制器(1)起重量限制器设置31(2)试验327.3力矩限制器(1)起重力矩限制器设置及其试验33(2)回转力矩限制器设置及其试验347.4起升高度(下降深度)限位器357.5运行机构行程限位器367.6缓冲器和止挡装置377.7应急断电开关387.8扫轨板397.9防风防滑装置407.10风速仪417.11防护罩、隔热装置427.12其他安全保护和防护装置a防后翻装置和自动锁紧装置43b断绳保护装置44c强迫换速装置45d回转限制装置46e防脱轨装置478性能试验8.1空载试验(1)操纵机构、控制系统、安全防护装置动作48(2)各机构动作49(3)液压系统、润滑系统第4页共5页第3页共5页编号:时间:2021年x月x日书山有路勤为径,学海无涯苦作舟页码:第4页共5页序号检查项目及其内容自检结果监检确认方式508性能试验8.2额定载荷试验(1)制动下滑量51(2)挠度52(3)主要零件538.3静载荷试验(1)主要受力结构件54(2)主要机构连接处55(3)其他情况568.4动载荷试验(1)机构、零部件工作情况57(2)机构、结构件损坏情况589质量保证体系运行情况检查(1)现场施工组织机构、质量管理机构和质量控制系统责任人59(2)现场作业人员的证件60(3)施工过程中体系运转异常情况的处理61(4)对监检机构或监检人员提出问题的处理和反馈情况其它检查人员签字安装单位塔吊司机负责人检查人安装人员项目负责人审核人日期第5页共5页第4页共5页编号:时间:2021年x月x日书山有路勤为径,学海无涯苦作舟页码:第5页共5页附:需要索取见证件存档的A类监检项目明细1、安装改造维修许可证(复印件)2、开工审批表(复印件)3、制动器设置、制动器平稳性要求、制动轮与摩擦片接触情况、制动器调整、制动轮检查记录4、重量限制器设置、试验、检查检查记录5、起重力矩限制器设置、试验、检查记录6、回转力矩限制器试验、检查记录7、起升高度(下降深度)限位器试验、检查记录8、运行机构行程限位器试验、检查记录9、缓冲器和止挡装置试验、检查记录10、应急断电开关试验检查记录11、空载试验中的操纵机构、控制系统、安全防护装置动作试验、各机构动作、液压系统、润滑系统检查记录12、额定载荷试验中的制动下滑量试验、主要零件检查记录13、静载荷试验中主要受力结构件、主要机构连接处、其他情况检查记录14、动载荷试验中机构、结构件工作情况和机构、结构件损坏情况检查记录

1、当您付费下载文档后,您只拥有了使用权限,并不意味着购买了版权,文档只能用于自身使用,不得用于其他商业用途(如 [转卖]进行直接盈利或[编辑后售卖]进行间接盈利)。
2、本站所有内容均由合作方或网友上传,本站不对文档的完整性、权威性及其观点立场正确性做任何保证或承诺!文档内容仅供研究参考,付费前请自行鉴别。
3、如文档内容存在违规,或者侵犯商业秘密、侵犯著作权等,请点击“违规举报”。

碎片内容

大连市特种设备监督检验所塔式起重机安装改造重大维修监督检验项

中小学文库+ 关注
实名认证
内容提供者

精品资料应用尽有

确认删除?
VIP
微信客服
  • 扫码咨询
会员Q群
  • 会员专属群点击这里加入QQ群
客服邮箱
回到顶部