电脑桌面
添加小米粒文库到电脑桌面
安装后可以在桌面快捷访问

中级制冷设备维修工实操考试试题VIP免费

中级制冷设备维修工实操考试试题_第1页
1/14
中级制冷设备维修工实操考试试题_第2页
2/14
中级制冷设备维修工实操考试试题_第3页
3/14
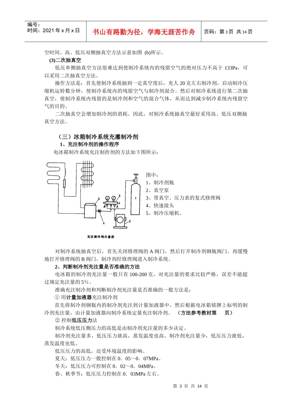
第1页共14页编号:时间:2021年x月x日书山有路勤为径,学海无涯苦作舟页码:第1页共14页中级制冷设备维修工实操(应会)试题一、冰箱制冷系统检漏,抽真空,灌制冷剂等操作工艺(参考教材页)(一)冰箱制冷系统检漏制冷系统泄漏是电冰箱等制冷设备最常见的故障。检查制冷系统有无泄漏,常采用高压检漏和真空试漏两种方法。1、制冷系统的高压检漏高压检漏就是对制冷系统充注一定压力的气体(最好用氮气),观察压力表上的压力是否随时间推移而降低,若压力表上的压力降低,说明制冷系统有漏缝或漏孔。电冰箱制冷系统高压检漏示意图如图所示。图中:1、氮气钢瓶2、氮气减压调节阀3、连接胶管4、带压力表的三通修理阀5、快速接头6、压缩机7、冷凝器8、干燥过滤器9、毛细管10、蒸发器。制冷系统高压检漏的操作方法:打开氮气钢瓶阀门,调节减压调节阀,使氮气的输出压力为0.8MPa左右。然后缓慢地打开三通修理阀的阀门,当压力表上的压力稳定在0.8MPa左右时,关闭三通修理阀和氮气钢瓶阀门。观察压力表上的读数,若制冷系统有较大的泄漏孔,压力表上的读数将明显地逐渐降低。若制冷系统的泄漏孔很小,压力表上的读数将缓慢地降低,有时需要等数小时后才能观察到读数降低。对制冷系统高压检漏,充注氮气的压力不能太高,压力过高会造成蒸发器胀裂损坏。第2页共14页第1页共14页编号:时间:2021年x月x日书山有路勤为径,学海无涯苦作舟页码:第2页共14页制冷系统经高压检漏,证实制冷系统有泄漏故障后,常用毛刷或棉纱蘸肥皂水分涂抹在制冷系统管道的焊接处或其它容易造成泄漏的部位。若发现肥皂水的涂抹处有肥皂泡溢出,说明该处有泄漏孔。为寻找制冷系统泄漏孔,有时需将电冰箱的制冷系统分割成高压和低压两个部分,分别进行检漏。2、制冷系统的真空试漏真空试漏具体操作方法是:在压缩机的工艺管上接上带真空表的三通修理阀,三通修理阀接头用耐压胶管与真空泵连接。对制冷系统抽真空1-2小时后,在真空泵的出气口接上胶管,将胶管口放人盛有水的容器中,边抽真空,边观察胶管口有无气体排出。若对制冷系统抽真空1—2小时后仍有气体排出,说明制冷系统有泄漏孔。也可以对制冷系统抽真空到制冷系统内的压力为133.3Pa时,关闭三通修理阀阀门,放置12小时,观察真空表上的压力有无升高,若压力升高,说明制冷系统有泄漏孔。然后再采用寻找制冷系统泄漏孔的方法找到泄漏处。(二)冰箱制冷系统抽真空电冰箱制冷系统充注制冷剂前,必须对制冷系统进行抽真空,使系统内的真空度不高于133Pa。抽真空的常用方法一:低压单侧抽真空;高、低压双侧抽真空和二次抽真空。(1)低压单侧抽真空低压单侧抽真空是利用压缩机上的加液工艺管抽真空。低压单侧抽真空,操作简单,焊接点少,相对来讲泄漏孔会相应较少。缺点是很难使制冷系统的真空度不高于133Pa的要求。低压单侧抽真空方法如图(a)所示。图中:1、真空泵2、快速接头3、制冷压缩机4、干燥过滤器5、干燥过滤器工艺管,6、毛细管7、蒸发器8、冷凝器。低压单侧抽真空的时间一般要进行3—4小时。(2)高、低压双侧抽真空高、低压双侧抽真空是在干燥过滤器的工艺管与压缩机上的工艺管上用两台真空泵或并联在一台真空泵上同时进行抽真空。高、低压双侧抽真空,能使制冷系统内的绝对压力在l00Pa以下而且可以适当缩短抽真第3页共14页第2页共14页编号:时间:2021年x月x日书山有路勤为径,学海无涯苦作舟页码:第3页共14页空时间。高、低压双侧抽真空方法示意如图(b)所示。(3)二次抽真空低压单侧抽真空方法很难达到使制冷系统内的残留空气的绝对压力不高于133Pa,可以采用二次抽真空方法。操作方法是:首先使制冷系统抽到一定真空度后,充人20克左右制冷剂,启动制冷压缩机运转数分钟,使制冷系统内的残留空气与制冷剂混合。然后对制冷系统进行第二次抽真空,使制冷系统内残留的是制冷剂和空气的混合气体,从而达到减少制冷系统内残留空气的目的。二次抽真空会增加制冷剂的消耗。因此,对制冷系统抽真空最好采用高、低压双侧抽真空方法。(三)冰箱制冷系统充灌制冷剂1、充注制冷剂的操作程序电冰箱制冷系统充注制拎剂的方法如下图所示:图中:1、制冷剂...

1、当您付费下载文档后,您只拥有了使用权限,并不意味着购买了版权,文档只能用于自身使用,不得用于其他商业用途(如 [转卖]进行直接盈利或[编辑后售卖]进行间接盈利)。
2、本站所有内容均由合作方或网友上传,本站不对文档的完整性、权威性及其观点立场正确性做任何保证或承诺!文档内容仅供研究参考,付费前请自行鉴别。
3、如文档内容存在违规,或者侵犯商业秘密、侵犯著作权等,请点击“违规举报”。

碎片内容

中级制冷设备维修工实操考试试题

您可能关注的文档

确认删除?
VIP
微信客服
  • 扫码咨询
会员Q群
  • 会员专属群点击这里加入QQ群
客服邮箱
回到顶部