电脑桌面
添加小米粒文库到电脑桌面
安装后可以在桌面快捷访问

一厂生产技术科化验班班长岗VIP免费

一厂生产技术科化验班班长岗_第1页
1/3
一厂生产技术科化验班班长岗_第2页
2/3
一厂生产技术科化验班班长岗_第3页
3/3
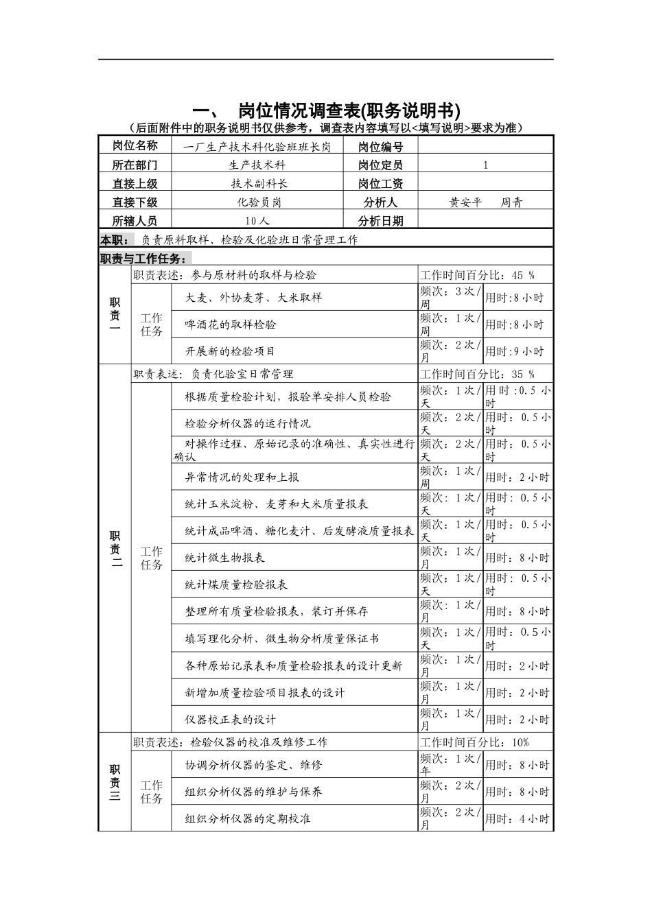
一、岗位情况调查表(职务说明书)(后面附件中的职务说明书仅供参考,调查表内容填写以<填写说明>要求为准)岗位名称一厂生产技术科化验班班长岗岗位编号所在部门生产技术科岗位定员1直接上级技术副科长岗位工资直接下级化验员岗分析人黄安平周青所辖人员10人分析日期本职:负责原料取样、检验及化验班日常管理工作职责与工作任务:职责一职责表述:参与原材料的取样与检验工作时间百分比:45%工作任务大麦、外协麦芽、大米取样频次:3次/周用时:8小时啤酒花的取样检验频次:1次/周用时:8小时开展新的检验项目频次:2次/月用时:9小时职责二职责表述:负责化验室日常管理工作时间百分比:35%工作任务根据质量检验计划,报验单安排人员检验频次:1次/天用时:0.5小时检验分析仪器的运行情况频次:2次/天用时:0.5小时对操作过程、原始记录的准确性、真实性进行确认频次:2次/天用时:0.5小时异常情况的处理和上报频次:1次/周用时:2小时统计玉米淀粉、麦芽和大米质量报表频次:1次/天用时:0.5小时统计成品啤酒、糖化麦汁、后发酵液质量报表频次:1次/天用时:0.5小时统计微生物报表频次:1次/月用时:8小时统计煤质量检验报表频次:1次/天用时:0.5小时整理所有质量检验报表,装订并保存频次:1次/月用时:8小时填写理化分析、微生物分析质量保证书频次:1次/天用时:0.5小时各种原始记录表和质量检验报表的设计更新频次:1次/月用时:2小时新增加质量检验项目报表的设计频次:1次/月用时:2小时仪器校正表的设计频次:1次/月用时:2小时职责三职责表述:检验仪器的校准及维修工作工作时间百分比:10%工作任务协调分析仪器的鉴定、维修频次:1次/年用时:8小时组织分析仪器的维护与保养频次:2次/月用时:8小时组织分析仪器的定期校准频次:2次/月用时:4小时职责四职责表述:其他工作工作时间百分比:5%工作任务检查化验过程的安全操作频次:1次/天用时:15分钟检查必要的安全设施频次:2次/天用时:15分钟检查检验、化验的安全制度的执行情况频次:2次/月用时:0.5小时组织安全学习频次:1次/月用时:2小时检查5S的执行情况频次:1次/周用时:0.5小时定期组织班组技术学习和化验操作交流频次:1次/月用时:4小时职责五职责表述:完成上级交办的其他工作工作时间百分比:5%权力:对产品有按规定抽样检验权对质量检验计划执行情况有监督检查权对检验仪器有维护、保养和校正权对化验室卫生安全有检查权对领导交办工作的执行权考核指标:原料、辅料取样到检验完成时间不超过三天检验项目和检验频次按《质量检验计划》要求,完成率为100%分析仪器运行完好率达到98%以上化验室安全事故率为零,工作环境达到5S要求达到领导要求工作协作关系:内部协调关系酿造车间、包装车间、物资科、物资部外部协调关系麦芽厂任职资格:教育水平中专以上专业发酵专业或化学分析专业工作经验有三年以上相关工作经验能力要求组织能力、语言文字表达能力、协调能力、时间管理和操作能力个性特征稳重、细心和责任心强,有创新思维生理特征每年必须有卫生防疫部门颁发的健康证所需培训发酵专业或分析专业,时间三个月工作特点:工作场所办公区、车间、厂外取样工作方式坐、走动工作时间特征一般白天工作,有时需要加班或延时体力精力消耗精力集中度高、工作紧张,工作压力大工作环境一般劳动保护无使用工具/设备计算器、电话、电脑、分析仪器所需记录文档日志、台帐、统计报表、计划、总结、讲义等备注:

1、当您付费下载文档后,您只拥有了使用权限,并不意味着购买了版权,文档只能用于自身使用,不得用于其他商业用途(如 [转卖]进行直接盈利或[编辑后售卖]进行间接盈利)。
2、本站所有内容均由合作方或网友上传,本站不对文档的完整性、权威性及其观点立场正确性做任何保证或承诺!文档内容仅供研究参考,付费前请自行鉴别。
3、如文档内容存在违规,或者侵犯商业秘密、侵犯著作权等,请点击“违规举报”。

碎片内容

一厂生产技术科化验班班长岗

确认删除?
VIP
微信客服
  • 扫码咨询
会员Q群
  • 会员专属群点击这里加入QQ群
客服邮箱
回到顶部