电脑桌面
添加小米粒文库到电脑桌面
安装后可以在桌面快捷访问

市交通工程质量监督站质量监督用表VIP免费

市交通工程质量监督站质量监督用表_第1页
1/17
市交通工程质量监督站质量监督用表_第2页
2/17
市交通工程质量监督站质量监督用表_第3页
3/17
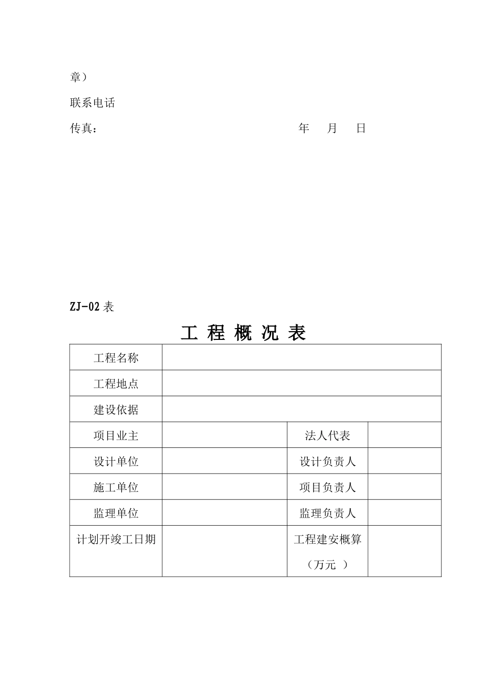
ZJ-01表交通建设工程质量监督申请书交通工程质量监督机构:工程项目即将申请施工许可证,按照国务院《建设工程质量管理条例》、交通部的有关规定,现提供该工程概况和有关资料,申请办理监督手续,请予办理。附件:(1)立项、初步审查、报建批准文件以及工程概况表;(2)交通建设工程注册登记表;(3)初步设计批复文件、地质水文勘察资料,设计文件;(4)招标投标文件及评标报告,设计、施工、监理合同副本;(5)勘察、设计、施工、监理、检测单位的资质、资信证明材料;(6)施工单位质量自检程序和施工工地试验室装备清单;监理规划、监理程序和监理工地试验室装备清单;(7)被监督工程的建设、设计单位以及主要施工、监理、试验单位质量承诺书(公路工程应为质量责任制登记文件);(8)工地建设计划进度安排、建设管理机构框图。(9)工程安全报监文件联系人:申请单位:(项目法人公章)联系电话传真:年月日ZJ-02表工程概况表工程名称工程地点建设依据项目业主法人代表设计单位设计负责人施工单位项目负责人监理单位监理负责人计划开竣工日期工程建安概算(万元)工程技术标准建设规模和主要建设内容ZJ-03表江苏省交通建设工程施工许可证申请表申请单位:(建设单位印章)企业名称联系电话主管部门邮政编码详细地址资质等级资信登记等级项目概况项目名称:工程规模:工程地点:工程中标价:项目经理职称项目经理证书编号技术负责人职称合同工期:自年月日至年月日建设单位签印:年月日交通行政主管部门审批意见(印章)年月日注:干线公路自2005年6月启用新表,见交公路发[2005]258号文件ZJ-04表交通建设工程注册登记表工程名称工程地点建设规模及工程技术标准单位名称负责人姓名联系电话建设单位设计单位施工单位监理单位工程概算建安投资合同开竣工时间:工程概况填表说明:1.工程注册登记表中的工程名称应以项目批复中的名称来填。2.工程地点除填写地点外,还应注明工程所在路线(航道)的名称及里程桩号ZJ-05表交通建设工程质量监督通知书监督注册号:工程名称监督单位我站受理工程项目的质量监督。我站将按下述计划由监督工程师、监督员对工程进行质量监督。本项目监督负责人为。一、监督范围:二、监督依据:三、监督计划:四、需要项目法人、设计、施工、监督单位予以配合的内容。质监站(公章)年月日注:本通知书发送项目法人单位。ZJ-06表交通建设工程质量监督计划监督注册号:监督重点:监督难点:拟采取措施:ZJ-07表交通建设工程质量现场抽查意见通知书编号:工程名称施工单位监理单位设计单位建设单位质量监督意见:监督人:年月日注:交通建设工程现场抽查意见通知书传达建设单位,由建设单位转发监理、施工单位,并汇总回执。交通建设工程质量安全现场抽查问题处理回执施工单位结果:现场施工负责人:年月日监理单位处理意见:现场监理负责人:年月日建设单位意见:年月日注:交通建设工程现场抽查意见通知书由建设单位转发监理、施工单位,由建设单位回执。ZJ-08表交通建设工程质量检测申请书交通工程质量监督机构:工程项目(监督注册号:)业已完工。按交通部、省交通厅的有关规定,现向你站提供下列资料,并申请办理交通工程质量检测手续。附件:1、建设单位工程项目执行报告及工程质量审定意见2、监理单位工程质量评定意见、工作总结3、施工单位工程施工总结4、设计单位工程设计工作报告申请单位:(公章)年月日注:本申请书由建设单位在交(竣)工验收前填写,送质监站办理手续。ZJ-09表交通建设工程质量评定书监督注册号:工程名称工程地点技术标准建设单位设计单位施工单位监理单位开工时间完工时间评定意见评定人:评定负责人:年月日(根据交通部令2004第3号,质量评定书由监理单位出具)ZJ-10表交通建设工程质量鉴定申请书交通工程质量监督机构:工程项目(监督注册号:)业已经过缺陷维修期。按交通部《公路工程竣(交)工验收办法》《港口工程竣工验收办法》等规定要求,现向你站提供下列资料,并申请办理交通建设工程质量鉴定手续。附件:1、交工验收报告2、缺陷维修期内维修情况报告3、工程质量自评报告申请单位:(公章)年月日注...

1、当您付费下载文档后,您只拥有了使用权限,并不意味着购买了版权,文档只能用于自身使用,不得用于其他商业用途(如 [转卖]进行直接盈利或[编辑后售卖]进行间接盈利)。
2、本站所有内容均由合作方或网友上传,本站不对文档的完整性、权威性及其观点立场正确性做任何保证或承诺!文档内容仅供研究参考,付费前请自行鉴别。
3、如文档内容存在违规,或者侵犯商业秘密、侵犯著作权等,请点击“违规举报”。

碎片内容

市交通工程质量监督站质量监督用表

您可能关注的文档

确认删除?
VIP
微信客服
  • 扫码咨询
会员Q群
  • 会员专属群点击这里加入QQ群
客服邮箱
回到顶部