电脑桌面
添加小米粒文库到电脑桌面
安装后可以在桌面快捷访问

企业管理表格生产管理E纵表格VIP免费

企业管理表格生产管理E纵表格_第1页
1/6
企业管理表格生产管理E纵表格_第2页
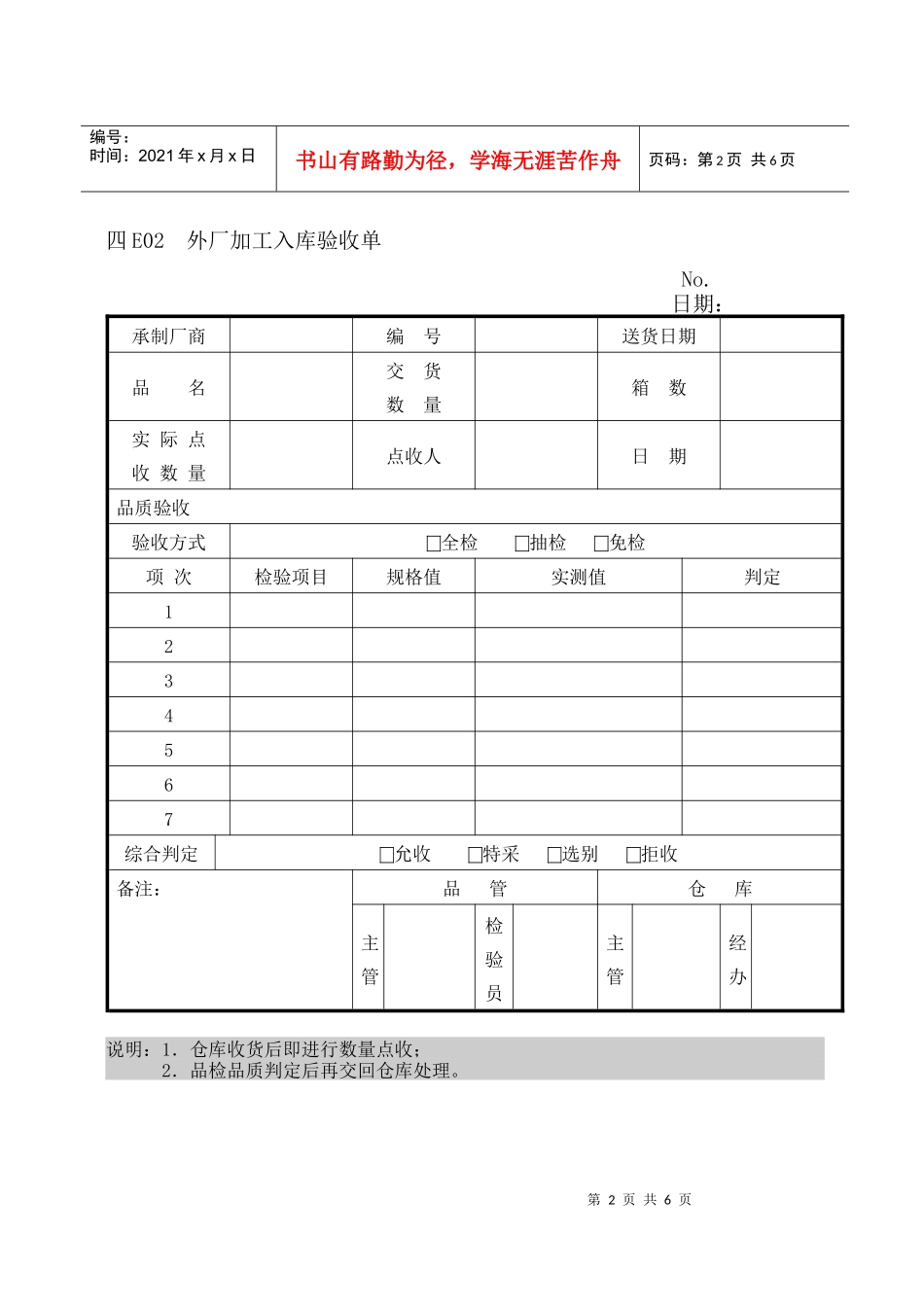
2/6
企业管理表格生产管理E纵表格_第3页
3/6
第1页共6页编号:时间:2021年x月x日书山有路勤为径,学海无涯苦作舟页码:第1页共6页四E01委外加工单No.日期:厂商厂商编号地址电话委制编号品名数量需求日期单价金额备注合计品质要求提供1.图纸2.模、夹具3.材料明细说明:1.委外加工单视同协力厂的订单;2.应注明品质要求;3.协力厂签认回联。第2页共6页第1页共6页编号:时间:2021年x月x日书山有路勤为径,学海无涯苦作舟页码:第2页共6页四E02外厂加工入库验收单No.日期:承制厂商编号送货日期品名交货数量箱数实际点收数量点收人日期品质验收验收方式全检抽检免检项次检验项目规格值实测值判定1234567综合判定允收特采选别拒收备注:品管仓库主管检验员主管经办说明:1.仓库收货后即进行数量点收;2.品检品质判定后再交回仓库处理。第3页共6页第2页共6页编号:时间:2021年x月x日书山有路勤为径,学海无涯苦作舟页码:第3页共6页四E03成品入库单No.日期:入库部门入库日期项次制单号品名数量箱数备注12345678910111213141516171819合计第4页共6页第3页共6页编号:时间:2021年x月x日书山有路勤为径,学海无涯苦作舟页码:第4页共6页仓库:入库者:四E04制程异常报告书No.日期:异常状况工程名品质特性发生时间作业员检验员月日时分说明:发现者紧急处理应急处置承办时间月日确认原因调查原因调查时间月日调查确认再发防止对策再发防止承办时间月日确认批示确认时间月日调查人批示人第5页共6页第4页共6页编号:时间:2021年x月x日书山有路勤为径,学海无涯苦作舟页码:第5页共6页四E05不良品报废申请书No.申请日期:项次品名/型号数量报废原因备注123456789101112131415161718合计核准:主管:申请:第6页共6页第5页共6页编号:时间:2021年x月x日书山有路勤为径,学海无涯苦作舟页码:第6页共6页四E06品质月报部门:月份:制表日期:项次制单号品名/型号生产数不良数不良率%不良项目别1234567891011121314151617181920合计%合计占有率100%%%%%%%%%%

1、当您付费下载文档后,您只拥有了使用权限,并不意味着购买了版权,文档只能用于自身使用,不得用于其他商业用途(如 [转卖]进行直接盈利或[编辑后售卖]进行间接盈利)。
2、本站所有内容均由合作方或网友上传,本站不对文档的完整性、权威性及其观点立场正确性做任何保证或承诺!文档内容仅供研究参考,付费前请自行鉴别。
3、如文档内容存在违规,或者侵犯商业秘密、侵犯著作权等,请点击“违规举报”。

碎片内容

企业管理表格生产管理E纵表格

确认删除?
VIP
微信客服
  • 扫码咨询
会员Q群
  • 会员专属群点击这里加入QQ群
客服邮箱
回到顶部