电脑桌面
添加小米粒文库到电脑桌面
安装后可以在桌面快捷访问

小区巡逻巡查系统方案9000PVIP免费

小区巡逻巡查系统方案9000P_第1页
1/6
小区巡逻巡查系统方案9000P_第2页
2/6
小区巡逻巡查系统方案9000P_第3页
3/6
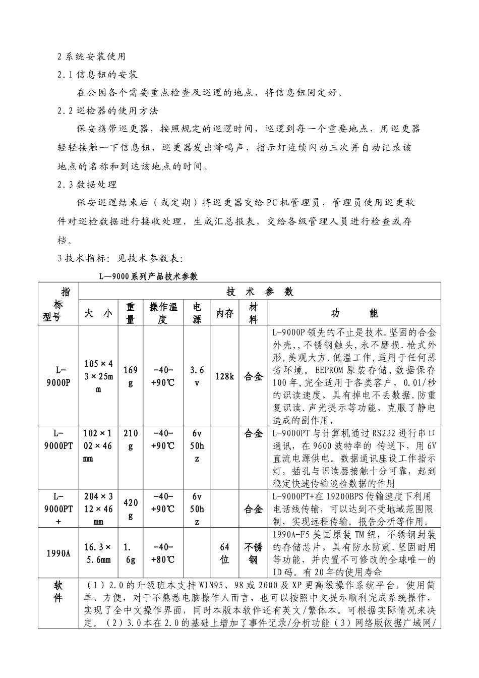
前言随着人们安全意识的逐步提高,对智能化要求也越来越高,许多工程都把巡更系统列为系统项目,智能巡检系统是一种对巡逻、检查人员进行科学化、规范化管理的全新技术,针对公园环境的特殊性、复杂性等众多因素,依据公园管理提出的实际需求,又结合实际情况,设计了本方案。目前此项目得以广泛用,它具有投资小、使用方便、安全可靠等特点,是公园各界领导进行巡检管理的得力助手。一.设计依据:1.中华人民共和国公安部发布的《安全防范工程程序与要求》2.GA/T75-94。中华人民共和国技术监督局发布的《防盗报警控制器材通用技术条件》GB/12663-90。3.中华人民共和国公安部发布的《安全防范工程费用概预算编制办法》GA/T70-944.兰德华电子巡逻更系统技术说明。5.防范分布图。6.公园提出的巡更线路要求。7.对部分现场实施勘察的情况。二.设计原则根据标书要求,本设计方案总体上遵循“技术先进、功能齐全、实用可靠、价格合理”的原则。1.技术先进:兰德华电子巡更巡检产品,已通过公安部产品质量监督检测中心检测,化工部的防爆认证,并广泛用于不同行业,已经过市场考验,其技术和产品不断更新换代,居国内先进水平。2.实用可靠:防水防震耐低温,耗电量小等功能,非常适合室内外使用,优于其他产品。3.扩展性好:本系统巡检钮的安装为离线式,网络布局不受距离和电源约束,十分便于扩展。4.有利管理:本系统通过单机系统管理以便提供有效管理.同时也可通过局域网和广域网进行传输,每个授权的计算机,均可调出终端计算机上的数据进行查看,为各级领导提供了有效的管理手段。也可以根据现场的情况选择单机版进行设置或远程传输。5.投资合格:充分考虑了性价比。再满足实际要求的基础上,尽可能降低系统造价。一.系统概述该系统为离线式电子巡检系统。根据需要将信息钮安装在需要巡逻的线路或设备上,对该地进行巡查的同时,用巡更器触碰安装在代表该地点的信息钮,巡检器将记录下信息钮的代码及触碰信息钮的时间。此记录将成为保安何时到达该地巡查的依据。通讯座是巡检器与PC机之间的通讯设备,可将巡检器中的记录传送到PC机系统的巡检管理软件中。管理人员通过PC机可清晰看到保安巡逻过的设备和线路,并提出漏检、误点信息,通过管理软件统计巡检的正点率、误点率、漏检次数等功能。1.系统构成本系统由数据采集器、传输器、信息钮、中文软件四部分组成,附加计算机与打印机即可实现全部传输.打印和生成报表等要求。1.巡更器(数据采集器):储存巡检记录(可存储4096条数据,也可以根据实际情况加大存储量),内带时钟,体积小,携带方便。巡检时由巡检员携带,采集完毕后,通过传输器把数据导入计算机。1.2传输器(数据转换器)---------由电源,电缆线,通讯座三部分构成一套数据下载器,主要是将采集器中的数据导入到计算机中.1.3信息钮--------是巡逻地点(或巡逻人员)代码,安装在需要巡检的地方,耐受各种环境的变化,安全防水,不需要电池,大小相当于普通的纽扣电池用于放置在必须巡检的地点或设备上,1.4软件管理系统--------通过《巡更巡检系统》软件处理巡检数据,进行网络(单机,远程)传输,并将有关数据进行处理,对巡逻数据进行管理并提供详尽的巡逻报告.管理人员将通过计算机来读取信息棒中的信息,便可了解巡逻人员的活动情况,包括经过巡逻地点的日期和时间等信息,通过查询分析和统计,可达到对保安监督和考核的目的。1.5计算机-------通过《电子巡逻系统》软件处理巡检数据,并进行查阅浏览的一个辅助显示工具。1.6打印机-------打印巡检报表,供领导对巡检情况进行检查。2系统安装使用2.1信息钮的安装在公园各个需要重点检查及巡逻的地点,将信息钮固定好。2.2巡检器的使用方法保安携带巡更器,按照规定的巡逻时间,巡逻到每一个重要地点,用巡更器轻轻接触一下信息钮,巡更器发出蜂鸣声,指示灯连续闪动三次并自动记录该地点的名称和到达该地点的时间。2.3数据处理保安巡逻结束后(或定期)将巡更器交给PC机管理员,管理员使用巡更软件对巡检数据进行接收处理,生成汇总报表,交给各级管理人员进行检查或存档。3技术指标:见技术参数表:L—9000系列产品技...

1、当您付费下载文档后,您只拥有了使用权限,并不意味着购买了版权,文档只能用于自身使用,不得用于其他商业用途(如 [转卖]进行直接盈利或[编辑后售卖]进行间接盈利)。
2、本站所有内容均由合作方或网友上传,本站不对文档的完整性、权威性及其观点立场正确性做任何保证或承诺!文档内容仅供研究参考,付费前请自行鉴别。
3、如文档内容存在违规,或者侵犯商业秘密、侵犯著作权等,请点击“违规举报”。

碎片内容

小区巡逻巡查系统方案9000P

您可能关注的文档

确认删除?
VIP
微信客服
  • 扫码咨询
会员Q群
  • 会员专属群点击这里加入QQ群
客服邮箱
回到顶部