电脑桌面
添加小米粒文库到电脑桌面
安装后可以在桌面快捷访问

土建及设备管线安装施工组织设计VIP专享VIP免费

土建及设备管线安装施工组织设计_第1页
1/47
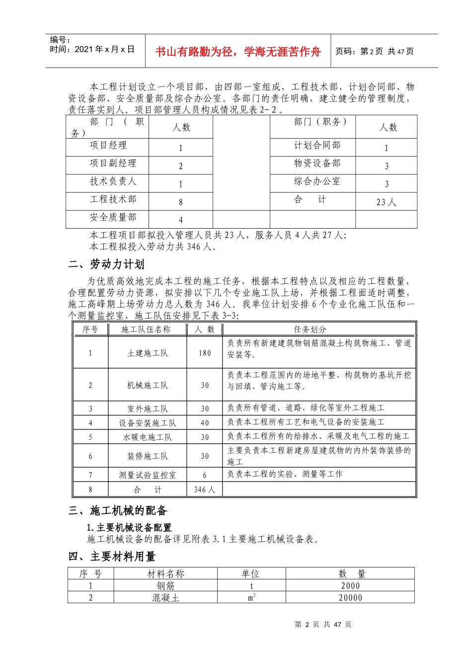
土建及设备管线安装施工组织设计_第2页
2/47
土建及设备管线安装施工组织设计_第3页
3/47
净水厂三期工程主体(土建及设备管线安装)施工施工组织设计中铁十八局集团第三工程有限公司二00八年六月一日第1页共47页编号:时间:2021年x月x日书山有路勤为径,学海无涯苦作舟页码:第1页共47页第一章工程概况一、工程概况净水厂三期工程主体(土建及设备管线安装)工程位于天津开发区第十一大街北侧,洞庭路西侧,原净水厂内,厂区总用地72855.4m2,建筑面积18384.8m2。三期工程日处理规模为15万m3/d。工期2008年5月18日-2009年5月30日。本工程的投标范围为建设单位提供的施工图纸及招标文件所规定的内容。主要包括取水泵房及配电控制室1座、机械混合配水井1座、预臭氧接触池1座、上向流炭吸附反应澄清池1座、PH调节池1座、V型滤池1座、紫外消毒间1座、吸水井1座、配水泵房1座、臭氧制配间1座、加氯间1座、加药间1座的所有土建、装饰、给排水管道、电气工艺设备安装等工程以及室外管线等室外工程等。二、工艺流程第二章施工人员、材料、机械配备一、项目组织管理机构及施工管理人员的配备1.施工组织管理机构为了安全、按期完成该工程的施工任务,我们计划安排高素质及具有多年施工经验的行政、技术、管理人员以及专业化施工队伍按项目组建项目经理部。具体组织机构参见图2-1。项目经理李明松2-1组织机构图第2页共47页第1页共47页编号:时间:2021年x月x日书山有路勤为径,学海无涯苦作舟页码:第2页共47页本工程计划设立一个项目部,由四部一室组成,工程技术部、计划合同部、物资设备部、安全质量部及综合办公室。各部门的责任明确,建立健全的管理制度,责任落实到人。项目部管理人员构成情况见表2-2。部门(职务)人数部门(职务)人数项目经理1计划合同部1项目副经理2物资设备部3技术负责人1综合办公室3工程技术部8合计23人安全质量部4本工程项目部拟投入管理人员共23人,服务人员4人共27人;本工程拟投入劳动力共346人。二、劳动力计划为优质高效地完成本工程的施工任务,根据本工程特点以及相应的工程数量,合理配置劳动力资源,拟安排以下几个专业施工队上场,并根据工程面适时调整,施工高峰期上场劳动力总人数为346人。我单位计划安排6个专业化施工队伍和一个测量监控室,施工队伍安排见下表3-3:序号施工队伍名称人数任务划分1土建施工队180负责所有新建建筑物钢筋混凝土构筑物施工、管道安装等。2机械施工队30负责本工程范围内的场地平整、构筑物的基坑开挖与回填、管沟施工等。3室外施工队30负责所有管道、道路、绿化等室外工程施工4设备安装施工队40负责本工程所有工艺和电气设备的安装施工5水暖电施工队30负责本工程所有的给排水、采暖及电气工程的施工6装修施工队30主要负责本工程新建房屋建筑物的内外装饰装修的施工7测量试验监控室6负责本工程的实验、测量等工作8合计346人三、施工机械的配备1.主要机械设备配置施工机械设备的配备详见附表3.1主要施工机械设备表。四、主要材料用量序号材料名称单位数量1钢筋t20002混凝土m320000第3页共47页第2页共47页编号:时间:2021年x月x日书山有路勤为径,学海无涯苦作舟页码:第3页共47页3粘土砖m317064加气混凝土砌块m322775止水带m4006防水涂料M290407防腐涂料M2303258内外墙涂料M264679铝合金门窗樘342第三章各分部分项工程施工方案第一节、各单体建构筑物的土建施工一、取水泵房、配电控制室拟建取水泵站工程位于原有绿化泵站处,新建时,要求拆除原雨水泵站,并将原绿化泵站中的潜水泵迁移至新建绿化泵站,保持原取水口,取水口位于原二期调节池,且新建取水泵站也临近取水口。施工时正直夏季用水高峰期,调节池内水位较高,先进行绿化泵站的迁移再新建取水泵站。取水泵房地面以上为排架结构,地下为设缝钢筋混凝土池体,基坑开挖深度6.7m,施工顺序:施工准备→基坑支护、降水→土方开挖→地基处理→清底并浇筑垫层→底板钢筋绑扎→立侧模→第一次底板砼浇筑→池壁钢筋绑扎→立池壁侧模→安装预留管件→第二次侧墙砼浇筑→顶板支模→顶板钢筋绑扎→第三次顶板砼浇筑→拆模试水→回填→分部验收→排架结构施工→砌筑工程→水、暖、电气系统工程→装饰工程二、加药间、加氯间、臭氧制备间加药间地上为框架结构,...

1、当您付费下载文档后,您只拥有了使用权限,并不意味着购买了版权,文档只能用于自身使用,不得用于其他商业用途(如 [转卖]进行直接盈利或[编辑后售卖]进行间接盈利)。
2、本站所有内容均由合作方或网友上传,本站不对文档的完整性、权威性及其观点立场正确性做任何保证或承诺!文档内容仅供研究参考,付费前请自行鉴别。
3、如文档内容存在违规,或者侵犯商业秘密、侵犯著作权等,请点击“违规举报”。

碎片内容

土建及设备管线安装施工组织设计

确认删除?
VIP
微信客服
  • 扫码咨询
会员Q群
  • 会员专属群点击这里加入QQ群
客服邮箱
回到顶部