电脑桌面
添加小米粒文库到电脑桌面
安装后可以在桌面快捷访问

聚乙烯管道施工技术VIP免费

聚乙烯管道施工技术_第1页
1/6
聚乙烯管道施工技术_第2页
2/6
聚乙烯管道施工技术_第3页
3/6
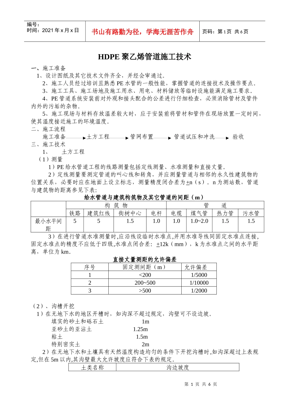
第1页共6页编号:时间:2021年x月x日书山有路勤为径,学海无涯苦作舟页码:第1页共6页HDPE聚乙烯管道施工技术一、施工准备1、设计图纸及其它技术文件齐全,并经会审通过。2、施工人员经过培训且熟悉PE水管的一般性能,掌握管道的连接技术及操作要点。3、施工工具、施工场地及施工用水、用电、材料储放等临时设施能满足施工要求。4、PE管道系统安装前对外观和接头配合的公差进行仔细检查,必须消除管材及管件内外的污垢的杂物。5、施工现场与材料存放温差较大时,应于安装前将管材和管件在现场放置一定时间,使其温度接近施工的环境温度。二、施工流程施工准备土方工程管网布置管道试压和冲洗验收三、施工技术1、土方工程(1)测量1)PE给水管道工程的线路测量包括定线测量、水准测量和直接丈量。2)定线测量要测定管道的叫心线和转角,并应测量管道与相邻的永久性建筑物的位置关系,必要时应在地面上设立标志,测量精度闭合差为+n(s)。n为测站数,管道与建筑物的距离参见下表:给水管道与建筑构筑物及其它管道的间距(m)构筑物管道铁路建筑红线街树中心电杆电缆煤气管热力管污水管最小水平间距551.51.01.01.0~2.01.51.53)在进行管道水准测量时,应沿线设临时水准点,并用水准导线同固定水准点连接,固定水准点的精度不应低于四级,水准点闭合差:+12k(mm),k为水准点之间的水平距离,单位为km。直接丈量测距的允许偏差序号固定测间距(m)允许偏差1<2001/50002200~5001/100003>5001/2000(2)、沟槽开挖1)在无地下水的地区开槽时,如沟深不超过规定,沟壁可不设边坡。填实的砂土和砾石土1m亚砂土的亚沾土1.25m粘土1.5m特别密实土2m2)在无地下水和土壤具有天然温度构造均匀的条件下开挖沟槽时,如沟深超过上表规定,但在5m以内,其沟壁最大允许坡度应符合下表的规定。土类名称沟边坡度第2页共6页第1页共6页编号:时间:2021年x月x日书山有路勤为径,学海无涯苦作舟页码:第2页共6页人工挖土并将土抛于沟边上机械挖土在沟底挖土在沟底挖土粘土1:101:0.751:10亚砂土1:0.671:0.501:0.75亚沾土1:0.501:0.331:0.75沾土1:0.331:0.251:0.67含砾石、卵石土1:0.071:0.501:0.75泥炭岩、白垩土1:0.331:0.251:0.67干黄土1:0.251:0.101:0.33注:①工人在挖出泥土随时运走时,则可采用机械挖土的坡度。②表中砂土包括细砂和粉砂,干黄土不包括。③距离沟边0.8m以内,不应堆置弃土和材料。3)在回填土地段开挖沟槽或雨季施工时,可酌情加大边坡或不用支撑其它相应措施,保证沟槽不坍塌。在地下水位较高的地段施工时,应采取降低水位或排水措施,其方法的选择应根据水文地质条件及沟槽深度等条件确定:沟槽内积水应及时排出,不允许沟槽内长时间积水。4)深度在5m以内的沟槽的垂直壁亦可按下表规定,采用适当的支撑型式加固。土壤的情况沟槽深度(m)支撑型式天然湿度的粘土类土,地下水很少3不连接的支撑天然湿度的粘土类土,地下水很少3.5连续支撑松散的和湿度很高的土,地下水很多且有带走土粒的危险如未采用降低地下水法,则可用板柱加以支撑5)管道开槽底宽度不宜小于管外径0.5m,且总宽度不得小于0.7m。6)开挖沟槽时,沟底设计标高以+0.3-0.3m的原状土应予保留,禁止扰动,铺管前用人工清理,但一般不宜挖至沟底设计标高以下,如局部超挖,需用砂土或合乎要求的原土填补并分层夯实,要求最后形成的沟槽底部平整、密实、无坚硬物质。①当槽度为岩石时,应铲除到设计标高以下不小于0.15m,挖深部分用细砂或细土回填密实,厚度不小于0.15m;当原土为盐类时,应铺垫细砂或细土。②当槽底土质极差时,可将管沟挖的深一些,然后在挖深的管底用砂填平用水淹没后再将水颀掉(水淹法),使管底具有足够的支撑力。③凡可能引起管道不均匀沉降地段,其地基应进行处理可采取其它防沉降措施。7)生活饮用水管道严禁直接穿过粪坑、厕所和坟墓等能造成污染的地段,若在沟槽开挖过程中发现这类情况应与设计及卫生等有关部门协同处理。(3)回填1)在管道安装与铺设完毕后回填,回填的时间宜在一昼夜中气温最低的时刻,管道两侧及管顶以上0.5m内的回填土,不得含有碎石、砖块、冻土块及其...

1、当您付费下载文档后,您只拥有了使用权限,并不意味着购买了版权,文档只能用于自身使用,不得用于其他商业用途(如 [转卖]进行直接盈利或[编辑后售卖]进行间接盈利)。
2、本站所有内容均由合作方或网友上传,本站不对文档的完整性、权威性及其观点立场正确性做任何保证或承诺!文档内容仅供研究参考,付费前请自行鉴别。
3、如文档内容存在违规,或者侵犯商业秘密、侵犯著作权等,请点击“违规举报”。

碎片内容

聚乙烯管道施工技术

您可能关注的文档

确认删除?
VIP
微信客服
  • 扫码咨询
会员Q群
  • 会员专属群点击这里加入QQ群
客服邮箱
回到顶部