电脑桌面
添加小米粒文库到电脑桌面
安装后可以在桌面快捷访问

某水泥有限公司安全生产标准化评审报告VIP免费

某水泥有限公司安全生产标准化评审报告_第1页
1/39
某水泥有限公司安全生产标准化评审报告_第2页
2/39
某水泥有限公司安全生产标准化评审报告_第3页
3/39
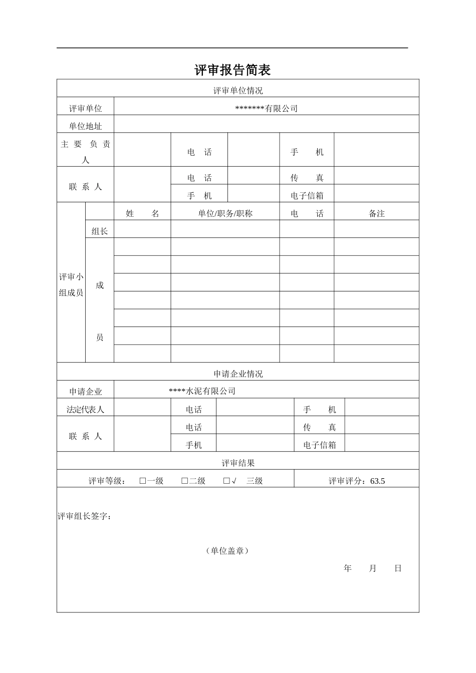
****水泥有限公司安全生产标准化评审报告评审机构:*******有限公司2013年2月****水泥有限公司安全生产标准化评审报告申请企业:****水泥有限公司评审单位:*******有限公司评审行业:建材专业:水泥生产评审性质:初次评审等级:三级评审日期:2013年1月2013年2月评审报告简表评审单位情况评审单位*******有限公司单位地址主要负责人电话手机联系人电话传真手机电子信箱评审小组成员姓名单位/职务/职称电话备注组长成员申请企业情况申请企业****水泥有限公司法定代表人电话手机联系人电话传真手机电子信箱评审结果评审等级:□一级□二级□√三级评审评分:63.5评审组长签字:(单位盖章)年月日前言****水泥有限公司坐落于中国*****境内,****水泥有限公司成立于2007年3月,经**省发改委备案:年产100万吨水泥粉磨站项目(一期工程年产60万吨),注入资金3000万元。公司注重质量提高,立足本地市场,支持和带动本地经济发展,具有明显的社会效益和经济效益,填补了*****县水泥市场的空白,特别是为抑制*****水泥市场价格起到了关键作用,是*****县唯一一家水泥生产企业。根据《安全生产法》、国务院《关于进一步加强企业安全生产工作的通知》(国发[2010]23号)和国家安监总局《国家工贸企业安全生产标准化考评办法》(安监总管四[2011]84号)文件精神,以落实企业主体责任为主线,以着力抓好企业安全生产标准化系统工程为重点,全面夯实安全生产工作基础,提高企业安全生产管理水平,加快企业安全生产走上法制化、规范化、制度化轨道。受****水泥有限公司委托,*******有限公司对企业安全生产标准化工作进行评审。我公司在接到****水泥有限公司安全生产标准化《评审申请》后,审核人员根据国家《企业安全生产标准化基本规范》(AQ/T9006-2010)和《冶金等工贸企业安全生产标准化基本规范评分细则》、《水泥企业安全生产标准化评定标准》对《评审申请》以及企业提供的评审资料进行认真审核,认为****水泥有限公司安全生产标准化工作符合《评审申请》要求。2013年1月我公司组织由审核员和行业技术专家组成的安全生产标准化审核组,通过对****水泥有限公司现场检查、人员提问、资料审查等,依据《冶金等工贸企业安全生产标准化基本规范评分细则》、《水泥企业安全生产标准化评定标准》中13项一级要素、47项二级要素及187条企业达标标准对****水泥有限公司安全生产标准化工作进行现场评分评定,总得分为63.5分,不参评项15项,对查出的扣分项62项提出合理可行的措施及建议,经过企业的整改后,编制完成《****水泥有限公司安全生产标准化评审报告》。在本次安全生产标准化评审过程中,得到了委托单位的密切配合以及安全监管部门的大力支持,在此表示衷心的感谢。目录1概述...............................................................................................................................11.1建设单位简况..............................................................................................................11.2评审单位及评审人员简况.........................................................................................12评审程序和评审方法......................................................................................................32.1评审程序.............................................................................................................................................32.2评审依据标准....................................................................................................................................32.3评审范围.............................................................................................................................................32.4评审方法及方式...............................................................................................................................42.5评定标准简介.......................

1、当您付费下载文档后,您只拥有了使用权限,并不意味着购买了版权,文档只能用于自身使用,不得用于其他商业用途(如 [转卖]进行直接盈利或[编辑后售卖]进行间接盈利)。
2、本站所有内容均由合作方或网友上传,本站不对文档的完整性、权威性及其观点立场正确性做任何保证或承诺!文档内容仅供研究参考,付费前请自行鉴别。
3、如文档内容存在违规,或者侵犯商业秘密、侵犯著作权等,请点击“违规举报”。

碎片内容

某水泥有限公司安全生产标准化评审报告

中小学文库+ 关注
实名认证
内容提供者

精品资料应用尽有

确认删除?
VIP
微信客服
  • 扫码咨询
会员Q群
  • 会员专属群点击这里加入QQ群
客服邮箱
回到顶部