电脑桌面
添加小米粒文库到电脑桌面
安装后可以在桌面快捷访问

土和灰土挤密桩复合地基检验批质量验收记录VIP免费

土和灰土挤密桩复合地基检验批质量验收记录_第1页
1/3
土和灰土挤密桩复合地基检验批质量验收记录_第2页
2/3
土和灰土挤密桩复合地基检验批质量验收记录_第3页
3/3
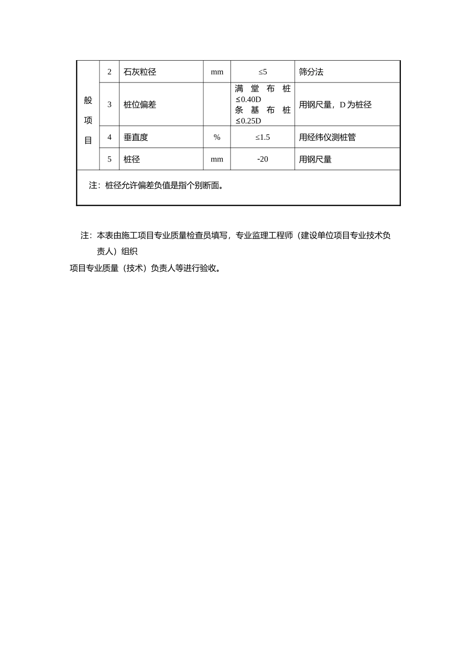
土和灰土挤密桩复合地基检验批质量验收记录(GB50202-2002)表4.12.4编号:010310□□□工程名称分项工程名称项目经理施工单位验收部位施工执行标准名称及编号专业工长(施工员)分包单位分包项目经理施工班组长质量验收规范的规定施工单位自检记录监理(建设)单位验收记录检查项目质量要求主控项目1桩体及桩间土干密度符合设计要求2桩长+500mm3地基承载力符合设计要求4桩径20mm一般项目1土料有机质含量≤5%2石灰粒径≤5mm3桩位偏差满堂布桩≤0.40D条基布桩≤0.25D4垂直度≤1.5%5桩径20mm施工操作依据质量检查记录施工单位检查结果评定项目专业项目专业质量检查员:技术负责人:年月日监理(建设)单位验收结论专业监理工程师:(建设单位项目专业技术负责人)年月日010310□□□说明强制性条文4.1.5对灰土地基、砂和砂石地基、土工合成材料地基、粉煤灰地基、强夯地基、注浆地基、预压地基,其竣工后的结果(地基强度或承载力)必须达到设计要求的标准。检验数量,每单位工程不应少于3点,1000m2以上工程,每100m2至少应有1点,3000m2以上工程,每300m2至少应有1点。每一独立基础下至少应有1点,基槽每20延米应有1点。4.1.6对水泥土搅拌桩复合地基、高压喷射注浆桩复合地基、砂桩地基、振冲桩复合地基土和灰土挤密桩复合地基、水泥粉煤灰碎石桩复合地基及夯实水泥土桩复合地基,其承载力检验,数量为总数的0.5%~1%,但不应少于3处。有单桩强度检验要求时,数量为总数的0.5%~1%,但不应少于3根。表4.12.4土和灰土挤密桩地基质量检验标准项序检查项目允许偏差或允许值检查方法单位数值主控项目1桩体及桩间土干密度设计要求现场取样检查2桩长mm+500测桩管长度或垂球测孔深3地基承载力设计要求按规定的方法4桩径mm20用钢尺量一1土料有机质含量%≤5试验室焙烧法般项目2石灰粒径mm≤5筛分法3桩位偏差满堂布桩≤0.40D条基布桩≤0.25D用钢尺量,D为桩径4垂直度%≤1.5用经纬仪测桩管5桩径mm20用钢尺量注:桩径允许偏差负值是指个别断面。注:本表由施工项目专业质量检查员填写,专业监理工程师(建设单位项目专业技术负责人)组织项目专业质量(技术)负责人等进行验收。

1、当您付费下载文档后,您只拥有了使用权限,并不意味着购买了版权,文档只能用于自身使用,不得用于其他商业用途(如 [转卖]进行直接盈利或[编辑后售卖]进行间接盈利)。
2、本站所有内容均由合作方或网友上传,本站不对文档的完整性、权威性及其观点立场正确性做任何保证或承诺!文档内容仅供研究参考,付费前请自行鉴别。
3、如文档内容存在违规,或者侵犯商业秘密、侵犯著作权等,请点击“违规举报”。

碎片内容

土和灰土挤密桩复合地基检验批质量验收记录

起跑线书城+ 关注
实名认证
内容提供者

热爱教学事业,对互联网知识分享很感兴趣

相关文档

确认删除?
VIP
微信客服
  • 扫码咨询
会员Q群
  • 会员专属群点击这里加入QQ群
客服邮箱
回到顶部